Foram encontradas 520 questões.
Chose the most appropriate statement according to the grammatical analysis of the following dialog:
In a fast-food restaurant:
Waitress: May I help?
Marissa: I’m just waiting for someone.
(The OC, Third Season, Episode 9)
Provas
Questão presente nas seguintes provas
Leia o poema a seguir, do poeta Ferreira Gullar.
Cantiga para não morrer
Quando você for se embora,
moça branca como a neve,
me leve.
Se acaso você não possa
me carregar pela mão,
menina branca de neve,
me leve no coração.
Se no coração não possa
por acaso me levar,
moça de sonho e de neve,
me leve no seu lembrar.
E se aí também não possa
por tanta coisa que leve
já viva em seu pensamento,
menina branca de neve,
me leve no esquecimento.
Julgue as afirmativas a seguir, colocando (V), para as verdadeiras, e (F), para as falsas.
( ) O autor explora, no plano da sonoridade, uma figura de linguagem conhecida como aliteração, dada a repetição de uma consoante fricativa ao longo do poema.
( ) Os morfemas ‘neve’ e ‘leve’, por apresentarem um ambiente idêntico para sons foneticamente semelhantes, constituem um exemplo de par análogo.
( ) O fonema /s/ é, no português brasileiro, representado na escrita por vários grafemas, sendo que, no poema, tal som consonântico possui apenas quatro dos seus representantes gráficos, a saber, as letras ‘c’ (você), ‘ç’ (moça), ‘ss’ (possa) e ‘s’ (pensamento).
( ) Um exemplo de distribuição complementar é observado na palavra ‘lembrar’, cuja consoante final pode ser produzida de maneiras distintas pelos falantes do português brasileiro.
( ) Um caso de harmonia vocálica é observado na palavra ‘menina’, que pode ser pronunciada como ‘m[i]nina’, situação em que ocorre uma ação assimilatória da vogal tônica sobre a pré-tônica.
A sequência correta, de cima para baixo, é
Provas
Questão presente nas seguintes provas
Os efluentes gerados tanto pela atividade humana (esgotos domésticos), nas suas mais variadas formas, quanto pelos processos industriais (esgotos industriais) têm o poder de deteriorar a qualidade dos corpos d’água receptores. Tais efluentes podem conter elevado teor de material orgânico, além de outros compostos que servem de nutrientes para o crescimento de microrganismos.
O processo de tratamento capaz de transformar ou remover o material orgânico dissolvido é
Provas
Questão presente nas seguintes provas
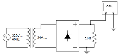
Para o circuito abaixo, considere o transformador e a fonte ideais, a ponte retificadora de onda completa e a queda de tensão nos diodos de 0,7 V.

Sobre o resistor é feita uma medição do sinal com um osciloscópio (OSC.). Os valores da tensão de pico e da frequência desse sinal, são respectivamente:
Provas
Questão presente nas seguintes provas
O linguista Roman Jakobson propôs um modelo explicativo para o processo de comunicação verbal com base em seis fatores, conforme mostra o esquema a seguir, e atribuiu a cada um desses elementos uma função da linguagem.

Considerando esses seis fatores e as especificidades de cada uma das funções da linguagem, leia os dois textos a seguir.
Texto 1
Médico diz que consumo excessivo de Coca-Cola pode ter matado mulher
O consumo excessivo de Coca-Cola pode ter sido o motivo da morte da neozelandesa Natasha Harris, 30 anos, mãe de oito filhos. Segundo depoimentos, Harris bebia entre oito e dez litros de refrigerante por dia, o que pode ter contribuído com o ataque cardíaco que a levou à morte. [...] De acordo com o companheiro de Natasha, Chris Hodgkinson, que está processando a Coca-Cola, a mulher era viciada e ficava irritada quando não bebia o refrigerante. Ele também contou que ela já se sentia mal quase um ano antes de morrer e que vomitava pelo menos seis vezes por semana. O representante da Coca-Cola na Oceania que estava no julgamento declarou que não existe nenhuma prova que confirme que o consumo do refrigerante resultou na morte de Harris.
Disponível em <http://noticias.uol.com.br/saude/ultimas-noticias/redacao/2012/04/20/excesso-de-coca-cola-pode-ter-provocado-a-morte-de-mae-de-oito-filhos.htm> Acesso em 09/09/2013
Texto 2

Disponível em: <http://misturadevicios.blogspot.com.br/2012/04/coca-cola-abra-felicidade.html> Acesso em: 09/09/2013
Com relação aos elementos da comunicação, às funções da linguagem e aos dois textos, qual afirmação está correta?
Provas
Questão presente nas seguintes provas
Referente às camadas do modelo OSI, pode-se afirma-se
I. Os protocolos FTP, TELNET e DNS estão contidos na camada de aplicação.
II. Os protocolos TCP/IP e SMTP pertencem à camada de rede.
III. Os protocolos TCP e UDP pertencem à camada de transporte.
Está(ão) correta(s) apenas a(s) afirmativa(s)
Provas
Questão presente nas seguintes provas
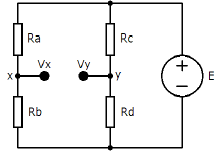
Observe o circuito ao lado, muito utilizado em aplicações de instrumentação.

Com relação a esse circuito, é correto afirmar que
Provas
Questão presente nas seguintes provas
Resolvendo a equação !$ x - { \large x^2 \over 4} + { \large x^3 \over 16} - { \large x^4 \over 64^} + ... = { \large 4 \over 3} !$ encontramos x igual a
Provas
Questão presente nas seguintes provas
Os roteadores monitoram as operações que ocorrem pela internet. Quando alguma operação inesperada acontece, o evento é reportado pelo ICMP (Internet Control Message Protocol), que também é utilizado para testar a internet. Existem mensagens ICMP especificas, como as mensagens _________ e _________ que foram projetadas para fins de diagnóstico de rede. Essas mensagens determinam se dois sistemas (hosts ou roteadores) podem se comunicar entre si. A mensagem _________ é usada quando um host ou um roteador não consegue localizar o destino. Quando o host ou o roteador não puder entregar um datagrama. A mensagem _________ é usada quando os datagramas forem recebidos muito mais rápido do que podem ser roteados ou processados, e o buffer vai estourar. A mensagem _________ é enviada quando um pacote é descartado porque nem todos os fragmentos que formam uma mensagem chegam ao host de destino dentro do prazo certo.
A sequência correta de preenchimento das lacunas é
Provas
Questão presente nas seguintes provas
Uma espira quadrada, onde cada lado mede 40 cm, é percorrida por uma corrente de intensidade !$ I = 3 \, A !$. A espira está localizada no plano xy e sob a ação de um campo magnético uniforme, cujo vetor indução magnética B apresenta apenas componentes nas direções x e z, de 0,3 T e 0,4 T, respectivamente, conforme mostra a figura ao lado.

O torque que atua na espira é
Provas
Questão presente nas seguintes provas
Cadernos
Caderno Container