Foram encontradas 120 questões.
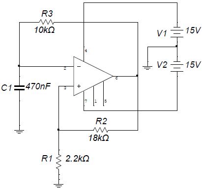
O valor da frequência de !$ vo !$, !$ f_{vo} !$, no circuito esquematizado abaixo, é

Provas
Questão presente nas seguintes provas
O código VHDL mostrado abaixo, representa a ENTITY de um multiplexador 2x1 (MUX 2x1), determine.

Qual ARCHITECTURE NÃO é válida para esta INTITY?
Provas
Questão presente nas seguintes provas
É INCORRETO afirmar que, nas “Orientações educacionais complementares aos PCNEM”, para a área de Linguagens, Códigos e suas Tecnologias,
Provas
Questão presente nas seguintes provas
Leia o excerto a seguir, para resolução da questão.
Um olhar, ainda que rápido, para esse conjunto mostra que deviam separar-se cada vez mais os pólos da vida pública nacional: de um lado, arranjos políticos manejados pelas oligarquias rurais; de outro, os novos estratos socioeconômicos que o poder oficial não representava.
Do quadro emergem ideologias em conflito: o tradicionalismo agrário ajusta-se mal à mente inquieta dos centros urbanos, permeável aos influxos europeus e norte-americanos na sua faixa burguesa, e rica de fermentos radicais nas suas camadas média e operária. No limite, a situação comportava: a) uma visão do mundo estática quando não saudosista; b) uma ideologia liberal com traços anarcóides; c) um complexo mental pequeno-burguês, de classe média, oscilante entre o puro ressentimento e o reformismo; d) uma atitude revolucionária.
(BOSI, Alfredo. História Concisa da Literatura Brasileira. São Paulo: Cultrix, 2002.)
O fragmento acima revela parte do contexto sócio-político-cultural dos movimentos estéticos literários denominados como:
Provas
Questão presente nas seguintes provas
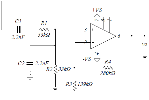
Qual o valor da frequência de !$ vo !$, !$ fvo !$, no circuito esquematizado abaixo?

Provas
Questão presente nas seguintes provas
Morais (2007, p.17) afirma que para dominar a escrita ortográfica “o sujeito necessitará ‘reproduzir as formas escritas autorizadas’, isto é, nunca estará liberado para construir o que quiser, praticar as variações que desejar.” Segundo ele, caso venha a fazê-lo de forma consciente, modificando intencionalmente os vocábulos da língua como escritores profissionais é porque desenvolveu um nível bastante consciente acerca das restrições da norma.
No trecho acima referido, especialmente nas partes destacadas, o autor trata, respectivamente, dos conceitos de
Provas
Questão presente nas seguintes provas
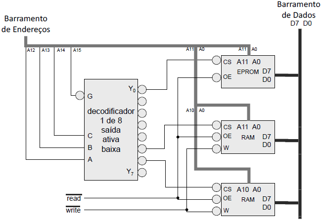
Observe o circuito abaixo.

Qual é o mapa de memória?
Provas
Questão presente nas seguintes provas
Analise o circuito abaixo.

Observa-se que ocorrerá a máxima transferência de potência para a carga quando o RL tiver o seguinte valor:
Provas
Questão presente nas seguintes provas
Leia o fragmento a seguir, retirado de uma crônica de Paulo Germano.
[...]
É triste que o velho mesmo, o velho clássico, o velho sábio que nos fazia baixar as orelhas e sentar de perna de índio em volta da cadeira, morra no momento em que mais precisamos dele – um momento em que “estamos nos afogando em informações mas famintos por sabedoria”, como disse o biólogo E. O. Wilson.
Quer dizer: temos acesso ao conhecimento como ninguém jamais teve, mas falta quem nos oriente. Falta quem nos situe nessa biblioteca de fragmentos, quem nos ajude a filtrar essa enxurrada de informações que mais atormenta do que educa. Falta quem nos ensine a lidar com essa nova vida – ou, em outras palavras, nos falta sabedoria. Que nada mais é do que saber empregar o conhecimento.
GERMANO, Paulo. Para que serve um velho. In: Zero Hora, 22 ago. 2016, p. 39.
Sobre o trecho, é INCORRETO afirmar que:
Provas
Questão presente nas seguintes provas
Observe as imagens

(Fonte imagem: Matioli & Fernandes 2012, p. 115)
Em relação às imagens, é correto concluir que
Provas
Questão presente nas seguintes provas
Cadernos
Caderno Container