Foram encontradas 400 questões.
“Consiste no aquecimento do aço a temperaturas abaixo do limite inferior da zona crítica. O objetivo é aliviar as tensões originadas durante a solidificação ou produzidas em operações de transformação mecânica a frio, como estampagem profunda, ou em operações de endireitamento, corte por chama, soldagem ou usinagem.”
Esse texto se refere ao tratamento térmico do tipo
Provas
Questão presente nas seguintes provas
Os fatos abaixo referem-se à Revolta dos Malês. Observe as afirmativas abaixo:
I. Foi um movimento que ocorreu no Rio de Janeiro durante o período regencial, em que além de razões socioeconômica e política, tinha um caráter popular.
II. Foi um movimento de escravos que conseguiram armas e munições e elaboraram um plano de luta contra os senhores para conseguir a liberdade.
III. Foi um movimento que fizeram parte principalmente escravos seguidores do islamismo e pertenciam a diferentes etnias e muitos sabiam ler e escrever.
Estão corretas as afirmativas:
Provas
Questão presente nas seguintes provas
A respeito de ensaios de dureza, marque a alternativa que corresponde ao ensaio que consiste em comprimir uma esfera de aço temperado ou de carboneto de tungstênio na superfície do material ensaiado, gerando uma calota esférica; sendo que o valor da dureza é determinado pelo quociente da carga aplicada pela área dessa calota esférica.
Provas
Questão presente nas seguintes provas
Em qual autor e respectiva obra, se encontra a seguinte afirmação sobre a Fotografia:
“A fotografia deu, desde sua origem, a impressão de ser verdadeira – “A verdade mesma (Alophe) – somente porque é semelhante, sempre relativa, ao seu modelo, mas ainda mais porque devolve a vida aquele instante originário ao observador onde se encontram reunidos, co-presentes no mesmo lugar, o sujeito, o objeto e a imagem (latente) de uma maneira quase totalmente automática”.
Provas
Questão presente nas seguintes provas
Os elementos da “Teoria dos Dois Fatores”, de Frederick Herzberg, compreendem fatores de higiene e de motivação. Dentre os fatores de motivação, destaca(m)-se
Provas
Questão presente nas seguintes provas
Um projeto de banco de dados se dá em diversas fases, sendo uma delas a fase do projeto lógico. Nesta fase podemos considerar que:
Provas
Questão presente nas seguintes provas
Considere duas esferas metálicas:
Esfera ‘A’: com raio igual a R e carregada positivamente (Qa=Q).
Esfera ‘B’: com raio igual a 15R, descarregada e isolada eletricamente (Qb=0) e com um pequeno orifício que permite a passagem da esfera ‘A’ para seu interior.
Considerando que a esfera ‘A’ está suspensa por um fio isolante, e que ambas entram e contato e mantêm-se unidas até que atinjam o equilíbrio eletrostático, pode-se afirmar que
Provas
Questão presente nas seguintes provas
Observe a figura abaixo:

Qual a leitura indicada pelo paquímetro representado acima?
Provas
Questão presente nas seguintes provas
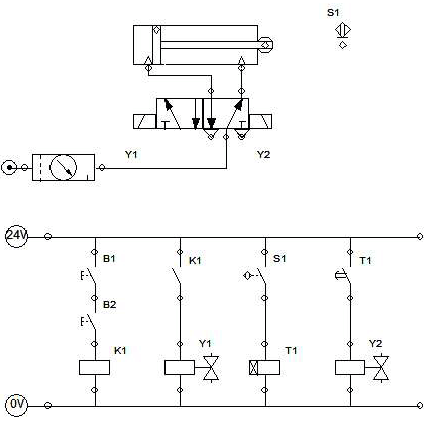
Analise o circuito eletropneumático da figura a seguir. Neste circuito o temporizador
, com retardo na ativação, possui temporização de 5 segundos.
, com retardo na ativação, possui temporização de 5 segundos.
Sobre a lógica de funcionamento do circuito, é CORRETO afirmar que
Provas
Questão presente nas seguintes provas
Em relação aos filtros hidráulicos, o que é INCORRETO afirmar?
Provas
Questão presente nas seguintes provas
Cadernos
Caderno Container