Foram encontradas 400 questões.
A temperatura é, provavelmente, o mais importante fator ambiental que afeta o crescimento microbiano. Em microbiologia de alimentos, destacam-se os micro-organismos psicrotróficos, que são capazes de evidenciar crescimento em temperaturas de refrigeração, como por exemplo, as bactérias
Provas
Questão presente nas seguintes provas
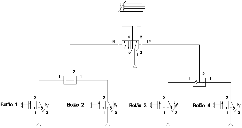
Analise o circuito pneumático mostrado na figura 04.

Figura 04 – Circuito Pneumático
Sobre o circuito pneumático, é possível fazer com que o atuador
Provas
Questão presente nas seguintes provas

Para o circuito da figura 04, considere por simplicidade que os diodos apresentam uma queda de tensão fixa de 0,6V, quando em estado de condução. Na condição em que V1 = 10 V e V2 = 5 V, qual é o valor mais aproximado da queda de tensão que surge sobre o resistor R?
Provas
Questão presente nas seguintes provas
Considere as características a seguir referente ao transporte rodoviário de dois lotes de bovinos, da mesma raça, idade e peso similares, para um matadouro frigorífico, adquiridos para o abate, mas com procedências diferentes:
• Lote (A) viagem de 300km e tempo de espera de 4h até o abate;
• Lote (B) viagem de 70km e 12 horas de tempo de espera até o abate.
• Lote (B) viagem de 70km e 12 horas de tempo de espera até o abate.
Após o abate, as carcaças dos lotes foram comparadas, sendo observadas significativas diferenças, pois
Provas
Questão presente nas seguintes provas
Nos alimentos, temos duas transformações químicas envolvendo carboidratos que merecem destaque pela sua frequência e efeitos: a reação de Maillard e a caramelização. Sobre a reação de Maillard, afirma-se que:
I. Nos alimentos congelados ou resfriados, a reação não ocorre devido à diminuição da Aw nesses produtos.
II. A velocidade da reação está relacionada com a quantidade da forma acíclica na solução, pois depende da presença do grupo carbonila para ocorrer e é afetada pela natureza química dos aminoácidos e seu ponto isoelétrico.
III. A reação de Maillard pode ser inibida pelo SO2 e pode ocasionar perda nutricional, pois parte dos aminoácidos alterados não poderão ser totalmente aproveitados pelas enzimas proteolíticas.
IV. Em meio ácido, a reação é fracamente retardada, pois os grupos -NH2 dos aminoácidos estarão protonados, não reagindo com o grupo carbonila do açúcar.
Estão corretas apenas as afirmativas
Provas
Questão presente nas seguintes provas
Sobre a pilha Mn|Mn+2||Cu+2|Cu são dadas as seguintes afirmativas:
I. O ânodo é o Mn, que é o polo negativo da pilha.
II. O agente redutor é o Cu+2, situado no polo negativo da pilha.
III. Os elétrons são transferidos do eletrodo de cobre para o de manganês.
IV. No eletrodo de cobre, ocorreu deposição do metal.
V. É um processo espontâneo, pois apresenta diferença de potencial menor que zero.
II. O agente redutor é o Cu+2, situado no polo negativo da pilha.
III. Os elétrons são transferidos do eletrodo de cobre para o de manganês.
IV. No eletrodo de cobre, ocorreu deposição do metal.
V. É um processo espontâneo, pois apresenta diferença de potencial menor que zero.
Estão corretas apenas as afirmativas
Provas
Questão presente nas seguintes provas
Considerando o código abaixo.
1. <html>
2. <head>
3. <script type="text/javascript" language="Javascript">
4. var pessoa="Antonio";
5. function f1(){
6. pessoa="Beto";
7. }
8. function f2(){
9. var pessoa="Carlos";
10. }
11. </script>
12. </head>
13. <body>
14. <script type="text/javascript" language="Javascript">
15. pessoa="Daniel";
16. f1();
17. f2();
18. document.write("<p>"+pessoa+"</p>");
19. </script>
20. </body>
21. </html>
2. <head>
3. <script type="text/javascript" language="Javascript">
4. var pessoa="Antonio";
5. function f1(){
6. pessoa="Beto";
7. }
8. function f2(){
9. var pessoa="Carlos";
10. }
11. </script>
12. </head>
13. <body>
14. <script type="text/javascript" language="Javascript">
15. pessoa="Daniel";
16. f1();
17. f2();
18. document.write("<p>"+pessoa+"</p>");
19. </script>
20. </body>
21. </html>
Qual será o código HTML gerado pelo script Javascript, especificamente na linha 18?
Provas
Questão presente nas seguintes provas
A industrialização brasileira tem como marco a década de 1930, com o processo de implantação de setores de base. Isso não quer dizer que, antes daquela década, não houvesse indústrias no país. Elas existiram, mas compuseram um setor de pouca monta além de
Provas
Questão presente nas seguintes provas
Considere o circuito da figura 02 para responder à questão.

Figura 02
A alternativa que corresponde ao equivalente de Thévenin do circuito apresentado, do ponto de vista dos terminais A e B, é
Provas
Questão presente nas seguintes provas
A indústria tem introduzido muitas alterações, nas práticas de cura, com o objetivo de obter produtos com qualidade, obter economia e reduzir e diminuir a incidência de alterações bacterianas da carne durante a cura e o processamento. Analise as afirmativas abaixo, relativas aos diferentes métodos de cura, assinalando verdadeiro (V) ou falso (F) para cada uma.
I. Na técnica conhecida como cura indireta, os ingredientes de cura são adicionados em forma seca ou na forma de solução concentrada e distribuídos uniformemente por todo o produto durante a trituração e preparo da massa.
II. O método mais antigo é a cura a seco, que se constitui na aplicação dos agentes de cura na forma seca sobre a superfície da carne. É um processo lento.
III. Outro processo é a cura por imersão em salmoura, em que as peças são submersas em uma solução formada pelos componentes de cura dissolvidos em água. Esse método de cura é rápido e necessita de pouco tempo para a salmoura se difundir por todo o produto, além da redução do risco de produzir alterações bacterianas.
IV. A cura por injeção de salmoura permite a penetração dos agentes de cura muito mais rápida e com distribuição uniforme nos tecidos. Nas peças de carne, cujo sistema vascular está relativamente intacto, como pernil e paleta, a salmoura pode ser injetada por via arterial.
A sequência correta, de cima para baixo, é
Provas
Questão presente nas seguintes provas
Cadernos
Caderno Container