Foram encontradas 400 questões.
Uma instalação elétrica industrial tem o seguinte quadro de cargas:
• 01 Motor 5 CV; η=75%; 220 V/60 Hz; fp=0,84
• 01 Motor 3 CV; η=82%; 220 V/60 Hz; fp=0,67
• 01 Solda elétrica: 7 kVA; 220 V/60 Hz; fp=0,42
• 01 Motor 3 CV; η=82%; 220 V/60 Hz; fp=0,67
• 01 Solda elétrica: 7 kVA; 220 V/60 Hz; fp=0,42
O fator de potência, resultante para operação simultânea, destes equipamentos é
Provas
Questão presente nas seguintes provas
O processo de entrevista pode proporcionar maior ou menor grau de liberdade para o entrevistador na sua condução. Neste sentido, as entrevistas podem ser classificadas, em função do formato das questões e das respostas requeridas.
Analise as afirmativas em relação ao tipo de entrevista apresentado.
I. A entrevista diretiva é aplicada para conhecer certos conceitos pessoais dos candidatos.
II. A entrevista não- diretiva é também denominada de entrevista exploratória.
III. A entrevista totalmente padronizada, devido ao tipo de perguntas, perde em profundidade e em flexibilidade e torna-se limitada.
II. A entrevista não- diretiva é também denominada de entrevista exploratória.
III. A entrevista totalmente padronizada, devido ao tipo de perguntas, perde em profundidade e em flexibilidade e torna-se limitada.
Estão corretas as afirmativas
Provas
Questão presente nas seguintes provas
A seguinte equação iônica é representada apenas pelas espécies iônicas que participam ativamente da reação redox:
H2O2 (l) + H3O+(aq) + Cr2O7-2(aq) → H2O(l) + O2(g) + Cr+3(aq)
A soma total dos coeficientes mínimos e inteiros, após essa equação ser devidamente balanceada, é igual a
Provas
Questão presente nas seguintes provas
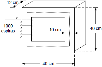
Um material ferromagnético apresenta a característica B x H dada na figura 01.

| B (Tesla) | H (Ae/m) |
| 1,40 | 1200 |
| 1,50 | 2000 |
| 1,60 | 3500 |
| 1,70 | 6000 |
| 1,80 | 10000 |
| 1,90 | 16000 |
| 2,00 | 25000 |
| 2,10 | 40000 |
Figura 01 – Característica BxH de material ferromagnético
O circuito magnético mostrado na figura 01 apresenta um núcleo feito de chapas. O fator de ferro é de 0,94. Para estabelecer um fluxo magnético de 18 mWb, a corrente elétrica na bobina deverá ser, igual a
Provas
Questão presente nas seguintes provas
Um SCR está conduzindo uma corrente de 10 Ampéres apresentando uma queda de tensão ânodo-cátodo de 1,4 volts com uma corrente de porta de 20 miliampéres. Se a tensão de junção porta-cátodo é de 0,6 volts, a perda de potência no estado ligado e a perda na porta são, respectivamente:
Provas
Questão presente nas seguintes provas
Foi disponibilizada, no laboratório de instrumentação, uma ponte com 4 extensômetros de resistência elétrica de 160,0 Ω e K=2,000. A medida é realizada apenas com um dos extensômetros que trabalha na compressão com uma deformação máxima de 2000 με separada da ponte a uma distância de 50 cm. Supondo-se que o cabo utilizado para o cabeamento tem uma relação de 0,5 Ω/cm, é correto afirmar que
Provas
Questão presente nas seguintes provas
O fluxograma abaixo (fig. 1), referentes à questão, esquematiza a sequência geral de operações em uma agroindústria que processa arroz e óleo para fins comestíveis.

Figura 1: Sequência de operações em uma agroindústria de arroz
No fluxograma apresentado na figura 1, o bloco referente à interrogação (?) tem a função de polir o arroz, ou seja, extrair deste o farelo, deixando-o com uma superfície lisa. O farelo é utilizado para se extrair óleo, que é utilizado na culinária. O equipamento que realiza tal polimento é o
Provas
Questão presente nas seguintes provas
A separação e concentração dos componentes dos alimentos são métodos fundamentais para a preparação de ingredientes, a recuperação de compostos, a classificação, etc. Relacione a 2ª coluna de acordo com a primeira, quanto às definições das principais operações de separação.
1. Centrifugação
2. Filtração
3. Extração por pressão
4. Extração por solvente
5. Osmose reversa
2. Filtração
3. Extração por pressão
4. Extração por solvente
5. Osmose reversa
( ) Remoção de sólidos insolúveis em suspensão para clarificar líquidos.
( ) Separação seletiva da água e solutos dissolvidos em solução por membranas.
( ) Remoção de componentes específicos localizados dentro da estrutura celular.
( ) Separação do componente desejado, utilizando-se um líquido dissolvente.
( )Separação de líquidos imiscíveis ou sólidos de líquidos.
( ) Separação seletiva da água e solutos dissolvidos em solução por membranas.
( ) Remoção de componentes específicos localizados dentro da estrutura celular.
( ) Separação do componente desejado, utilizando-se um líquido dissolvente.
( )Separação de líquidos imiscíveis ou sólidos de líquidos.
A sequência correta, de cima para baixo, é
Provas
Questão presente nas seguintes provas
Um motor de indução trifásico (MIT), 380/220 V, 60 Hz, 4 polos, desenvolve uma potência mecânica de 7,5 cv (considere 1 cv = 736 W), com escorregamento nominal de 4 %.
O torque, produzido pelo motor, é igual a
Provas
Questão presente nas seguintes provas
Segundo S. Silberschats, H. Korth e S. Sudarshan, o conceito de view é definido como
Provas
Questão presente nas seguintes provas
Cadernos
Caderno Container