Foram encontradas 50 questões.
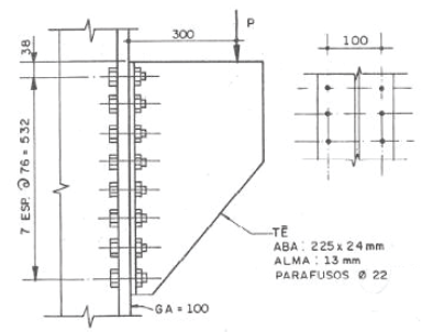
Um fixador para suportar uma carga foi construído conforme a figura a seguir, utilizando 16 parafusos.

Na condição do carregamento mostrado, o carregamento a que os parafusos estarão sujeitos é:
Provas
Na montagem de um moedor de cana-de-açúcar, um sistema de potência composto por um motor de 3 hp, a 1.200 rpm, acionará os cilindros de moagem, que operarão a 20 rpm. Considerando esse cenário, a solução de transmissão de potência cujas características melhor se adequam a este cenário é:
Provas
As afirmações a seguir referem-se a mancais de rolamentos:
I) Rolamentos de rolos cônicos precisam ser montados em eixos cônicos ou em buchas cônicas.
II) O rolamento 6203 possui 15 mm de diâmetro interno.
III) O sufixo C3 indica que o rolamento possui folgas internas ligeiramente maiores que a folga normal.
São verdadeiras a(s) afirmativa(s):
Provas
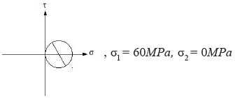
A figura abaixo representa um estado plano de tensões de um determinado carregamento.

O diagrama de Mohr que melhor representa este estado de tensão e o valor de suas tensões principais valem, aproximadamente:
Provas
Uma barra de seção circular de 5 mm de diâmetro foi fabricada a partir de aço estrutural A36, cujo limite de escoamento é de 250 MPa e o limite de resistência é de 400 MPa. Sabendo que o módulo de elasticidade é de 200 GPa, a deformação específica causada por uma carga axial de 150 kN é:
Provas
A treliça da figura abaixo, composta por 7 barras, está fixada em A e apoiada em B. As barras horizontais e verticais possuem comprimento L. Na condição de carregamento mostrada na figura, a quantidade de barras sujeitas a um carregamento nulo é:

Provas
Sobre a viga da figura abaixo estão apoiadas caixas iguais, de massa M. Se a aceleração da gravidade é g, o esforço cortante máximo e a maior reação de apoio são, respectivamente:

Provas
A figura abaixo representa um mecanismo para impedir a rotação do tambor A de 300 mm de diâmetro. A barra B se constitui de uma parte interna com uma mola para ser feito o ajuste da força de frenagem. O alojamento da mola de constante elástica linear de 20 kN/m tem 100 mm de comprimento. Sabendo que o coeficiente de atrito é de 0,50, calcule o comprimento não deformado da mola a ser colocada para impedir o movimento do tambor sujeito a um momento de 150 N.m.

Provas
A barra AB da fi gura está sujeita ao peso próprio e é fi xada por pinos nas suas extremidades, conforme a fi gura abaixo:

De acordo com a fi gura, podemos classifi car essa estrutura como:
Provas
Quatro alunos elaboraram frases, a pedido do professor, acerca da condição de equilíbrio total de um corpo rígido. Eles disseram que:
Aluno 1: Um corpo rígido está em equilíbrio se a ação resultante de todas as forças que agem sobre o corpo é nula.
Aluno 2: Um corpo rígido está em equilíbrio se a linha de ação das forças externas for a mesma.
Aluno 3: Um corpo rígido está em equilíbrio se a quantidade de seus graus de liberdade for igual ou maior que a quantidade de forças agindo sobre ele.
Aluno 4: Um corpo rígido está em equilíbrio se os apoios do corpo rígido não exercem reações sobre o corpo.
A quantidade de alunos que formulou afirmações CORRETAS foi:
Provas
Caderno Container