Foram encontradas 50 questões.
Leia as afirmativas sobre os ensaios de dureza.
I) O ensaio de dureza Mohs é um sistema qualitativo baseado na habilidade de um material riscar o outro mais mole. Sua escala varia de 1 (talco) a 10 (diamante).
II) O número de dureza obtido através do ensaio Rockwell é função tanto da magnitude da carga quanto do diâmetro da impressão, que deverá ser medido e convertido em um número HRC com o auxílio de uma tabela.
III) No ensaio Brinell, são utilizados como penetradores esferas de aço ou um cone de diamante. Neste ensaio, as cargas podem alcançar até 3000 Kg, sendo indicado para ensaios de materiais de estrutura não uniforme.
IV) Nos ensaios de microdureza Vickers e Knoop, as cargas aplicadas são muito menores que nos ensaios Rockwell e Brinell. Ambos são bem adequados para a medição da dureza em regiões pequenas e selecionadas de um corpo de prova.
Assinale a alternativa que apresenta somente as afirmativas CORRETAS.
Provas
Analise o comportamento tensão-deformação dos materiais I, II e III conforme apresentado nas figuras abaixo.

Com base no gráfico acima, assinale a alternativa CORRETA dentre as indicadas abaixo:
Provas
Provas
Provas
- ProlegômenosPrincípios da Administração PúblicaPrincípios Expressos
- ProlegômenosRegime Jurídico Administrativo
- Agentes PúblicosCargos, Empregos e Funções PúblicasFormas de Provimento
- Lei 8.112/1990: RJU
- Lei 8.429/1992: LIA
( ) A Administração Pública Direta e Indireta deve considerar na prática dos atos administrativos os princípios da legalidade, pessoalidade, moralidade, publicidade e eficiência. ( ) O servidor público estável perderá o cargo em virtude de sentença penal condenatória. ( ) Se um servidor público estável tiver seu cargo extinto, ficará em disponibilidade e terá garantida remuneração até seu adequado aproveitamento em outro cargo. ( ) Como condição para a aquisição da estabilidade, o servidor público poderá ter que se submeter a avaliação de desempenho. ( ) Sem prejuízo da ação penal cabível, os atos de improbidade administrativa acarretarão na suspensão dos direitos políticos, na perda da função pública, na indisponibilidade dos bens e no ressarcimento ao erário.
Provas
Provas
Provas
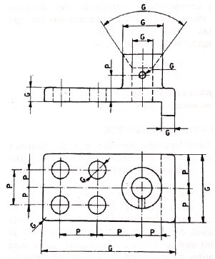
Na figura a seguir, as letras representam valores numéricos numa cota. Quantos erros de cotagem existem?

Provas
Uma viga de uma casa foi feita utilizando-se duas madeiras, conforme ilustra a fi gura abaixo. A massa específica da madeira 1 é 50% maior que a da madeira 2. Sabendo que a seção transversal é constante ao longo de toda a viga, a posição do centro de gravidade no sistema de coordenadas dado e o momento de inércia em relação a ele e paralelo ao eixo x são, respectivamente:

Provas
A escolha da forma de atuação de um setor de manutenção em seu aspecto estrutural depende do tamanho e dos produtos da planta, e é uma importante decisão no que se refere à organização da manutenção. Uma dessas formas de atuação é a centralizada. Assinale, entre as alternativas abaixo, a única que NÃO apresenta uma vantagem da forma de atuação centralizada:
Provas
Caderno Container