Foram encontradas 50 questões.
Assinale a alternativa que relaciona somente elementos do sistema de filtragem de ar de admissão para o motor de um automóvel:
Provas
O projeto de freios a disco pode levar em consideração duas contruções básicas: pinças do tipo fixa ou flutuantes, sendo INCORRETO afirmar que:
Provas
Analise as afirmativas a seguir sobre o sistema de resfriamento intermediário do ar de admissão (Intercooler):
I) Disponibiliza maior quantidade de oxigênio.
II) Se aplica somente a motores sobrealimentados.
III) Reduz o consumo de combustível e a emissão de poluentes.
IV) Deve ser montado junto ao módulo de arrefecimento.
V) Pode ser arrefecido por líquido de arrefecimento.
Estão CORRETAS as afirmativas:
Provas
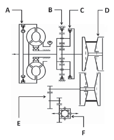
A figura a seguir representa esquematicamente uma transmissão do tipo CVT. Relacione os componentes indicados de A a F com a sua função desempenhada.

Provas
Analisando a imagem abaixo, identifique os componentes indicados:

Provas
Uma das partes integrantes do sistema de arrefecimento é o tanque de expansão. Assinale, dentre as alternativas abaixo, a que NÃO corresponde a uma de suas funções primordiais:
Provas
O catálogo de um fabricante de veículos comerciais denomina a configuração de um caminhão como “6X2/4”, isto é, o veículo possui:
Provas
São exemplos de elementos de segurança ativa em um veículo:
Provas
A resolução nº 380, de 28 de abril de 2011, tornou obrigatório o sistema ABS, responsável pelo comportamento antitravamento das rodas. Analisando seu funcionamento, julgue as afirmações a seguir como VERDADEIRAS (V) ou FALSAS (F):
( ) O sistema 4/4 permite controle individual com uso do circuito de freios dianteiro traseiro ou diagonal.
( ) O sistema 3/3 possui apenas um sensor montado no diferencial traseiro.
( ) O sistema 3/3 permite a utilização de circuito diagonal de freios.
( ) Aos sistemas 2/1, quando utilizados, são aplicados nos eixos dianteiros.
( ) Em eixos próximos, podem ser utilizados sensores em somente um deles.
Assinale a alternativa que contém a sequência CORRETA de associação:
Provas
Atualmente os veículos de passeio, de uma forma geral, utilizam a suspensão do tipo MacPherson na dianteira, por sua versatilidade. Assinale a alternativa que NÃO corresponte a um fator para o sucesso de sua aplicação.
Provas
Caderno Container