Foram encontradas 40 questões.
Em conformidade com a Lei 9.394, o Ensino Médio, etapa final da Educação Básica, com duração mínima de três anos, terá como finalidades:
( ) a consolidação e o aprofundamento dos conhecimentos adquiridos no ensino fundamental, possibilitando o prosseguimento de estudos.
( ) a preparação básica para o trabalho e a cidadania do educando, para continuar aprendendo, de modo a ser capaz de se adaptar com flexibilidade a novas condições de ocupação ou aperfeiçoamentos posteriores.
( ) o aprimoramento do educando como pessoa humana, incluindo a formação ética e o desenvolvimento da autonomia intelectual e do pensamento crítico.
( ) a compreensão dos fundamentos científico-tecnológicos dos processos produtivos, relacionando a teoria com a prática, no ensino de cada disciplina.
Provas
Um circuito equivalente de Thévenin consiste em uma fonte de tensão independente (VTh) ligada em série com um resistor (RTh) em substituição a interligação de fontes e resistores. No circuito da figura abaixo, os valores de VTh e RTh são, respectivamente:

Provas
Os valores de i1, i2 e V0 no circuito da figura abaixo são, respectivamente:

Provas
A eficiência das Máquinas de Corrente Contínua se caracteriza como um parâmetro importante no estudo destes equipamentos, sobretudo no que se refere às diversas perdas a elas associadas. Sobre estas perdas é CORRETO afirmar que:
Provas
Acerca dos aspectos construtivos de uma Máquina de Corrente Contínua é CORRETO afirmar que:
Provas
Para o circuito apresentado abaixo, assinale a alternativa que apresenta a tensão de saída Vo.

Provas
Julgue os itens a seguir, relativos aos amplificadores operacionais.
I. O amplificador operacional é um dispositivo que apresenta elevada impedância de entrada quando comparada à impedância de saída.
II. O amplificador operacional real tem ganho infinito em malha aberta, impedância de entrada infinita e impedância de saída nula.
III. Um amplificador operacional real é imune a interferências externas, variações de temperatura e à existência de ruídos intrínsecos.
IV. O circuito básico de um amplificador operacional é construído utilizando-se um amplificador de diferença com duas entradas (positiva e negativa) e pelo menos uma saída.
V. O amplificador operacional ideal por ser um dispositivo perfeito é muito caro em comparação ao amplificador operacional real.
Estão CORRETOS apenas os itens:
Provas
O circuito apresentado a seguir é alimentado por uma tensão de 12V. Sabendo que essa tensão gera uma corrente de base de 22,6μA, assinale a alternativa que apresenta a tensão base-coletor do referido circuito. Assumir a tensão entre a base e o emissor igual a 0,7V.

Provas
Assinale a alternativa que mais se aproxima da corrente do coletor no circuito abaixo, considerando a queda de tensão entre o coletor e a base igual à 0,7V e o ganho de corrente em emissor-comum do transistor igual à 50.

Provas
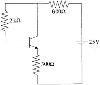
Para o circuito apresentado abaixo, assinale a alternativa que corresponde, respectivamente: i) a corrente de coletor do transistor quando o mesmo estiver operando na região de saturação; ii) a tensão entre o coletor e emissor para o transistor operando na região de corte.

Provas
Caderno Container