Foram encontradas 40 questões.
O circuito da figura 9 representa um circuito de autopolarização e o da figura 10 representa o circuito equivalente para análise DC aplicando-se o teorema de Thévenin na base do transistor. Com base nesses dois circuitos os valores da tensão de Thévenin e da resistência de Thévenin podem ser calculados é respectivamente por:

Provas
No circuito da figura 8, considerando os diodos ideais, qual alternativa é correta para o valor da tensão de saída Vo:
Provas
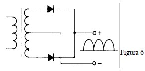
A figura 6 mostra o esquema de um circuito retificador de tensão implementado com diodos semicondutores. Com base na figura, qual das alternativas está incorreta?

Provas
Uma máquina de estado síncrona que apresenta o comportamento dado pelo diagrama de estado da figura 5, se implementada com flip-flops tipo D, precisará no mínimo de:

Provas
Qual a base B em que foi efetuada a seguinte equivalência: (125)8 = (55)B?
Provas
Um conversor D/A de 8 bits produz uma tensão de saída de 2V para um código de entrada de 0110 0100. Qual será o valor da tensão de saída para um código de 1011 0011.
Provas
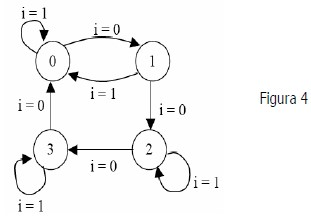
Com base no diagrama de estado apresentado na figura 4, qual a afirmativa correta?

Provas
Um conversor D/A de 8 bits tem um tamanho de degrau de 20 mV. A tensão de saída de fundo de escala e a resolução percentual são aproximadamente e respectivamente iguais a:
Provas
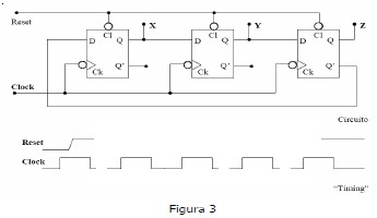
Com base no circuito digital e no “timing” mostrados na figura 3 e considerando que o sinal “RESET” é mantido em nível lógico 1, as seqüências em XYZ voltarão a se repetir após: (Cl=clear e Ck=clock)

Provas
O circuito lógico aritmético apresentado na figura 2 com entradas A e B e saídas S e E, é um:

Provas
Caderno Container