Foram encontradas 80 questões.
Duas partículas A e B, carregadas eletricamente com mesmos valores de cargas positivas, partem da origem em velocidade nula no instante t = 0, e têm suas componentes de aceleração em relação aos eixos X e Y regidas pelas seguintes equações temporais:
Partícula !$ A:\begin{cases}a_x(t)= \cos(t) \\ a_y(t)= \sin (t) \end{cases} !$
Partícula !$ B:\begin{cases}a_x(t)= -\cos(t) \\ a_y(t)= \sin (t) - \cos(t) \end{cases} !$
O instante !$ t_{min} !$, onde !$ 0 \le t_{min} < 2 \pi !$, em que a força de repulsão entre as cargas é mínima é
Provas
Questão presente nas seguintes provas

Como mostra a Figura 1, uma partícula de carga positiva se move em um trilho sem atrito e sofre a interação de forças elétricas provocadas por outras partículas carregadas fixadas nos pontos A, B, C e D. Sabendo que as cargas das partículas situadas em B e D são iguais e que uma parte do gráfico da velocidade da partícula sobre o trilho, em função do tempo, está esboçada na Figura 2, o gráfico completo que expressa a velocidade da partícula está esboçado na alternativa:
Observações:
• r<< d ;
• em t= 0, a partícula que se move no trilho está à esquerda da partícula situada no ponto A;
• considera-se positiva a velocidade da partícula quando ela se move no trilho da esquerda para a direita.
Provas
Questão presente nas seguintes provas
João e Maria nasceram no século XX, em anos distintos. A probabilidade da soma dos anos em que nasceram ser 3875 é:
Provas
Questão presente nas seguintes provas
APÓS A LEITURA ATENTA DOS TEXTOS A SEGUIR APRESENTADOS, RESPONDA A QUESTÃO.
Texto 1
A CONDIÇÃO HUMANA
A Vita Activa e a Condição Humana
Com a expressão vita activa, pretendo designar três atividades humanas fundamentais: labor, trabalho e ação!$ ^{(a)} !$. Trata-se de atividades fundamentais porque a cada uma delas corresponde uma das condições básicas mediante as quais a vida foi dada ao homem na Terra.
O labor é a atividade que corresponde ao processo biológico do corpo humano, cujos crescimento espontâneo, metabolismo e eventual declínio têm a ver com as necessidades vitais produzidas e introduzidas pelo labor no processo da vida. A condição humana do labor é a própria vida.
O trabalho é a atividade correspondente ao artificialismo da existência humana, existência esta não necessariamente contida no eterno ciclo vital da espécie!$ ^{(b)} !$, e cuja mortalidade não é compensada por este último. O trabalho produz um mundo “artificial” de coisas, nitidamente diferente de qualquer ambiente natural. Dentro de suas fronteiras habita cada vida individual embora esse mundo se destine a sobreviver e a transcender todas as vidas individuais. A condição humana do trabalho é a mundanidade.
A ação, única atividade que se exerce diretamente entre os homens sem a mediação das coisas ou da matéria, corresponde à condição humana da pluralidade, ao fato de que homens, e não o Homem, vivem na Terra e habitam o mundo. Todos os aspectos da condição humana têm alguma relação com a política; mas esta pluralidade é especificamente a condição – não apenas a conditio sine qua non, mas a conditio per quam – de toda a vida política. Assim, o idioma dos romanos – talvez o povo mais político que conhecemos – empregava como sinônimas as expressões “viver” e “estar entre os homens” (inter homines esse), ou “morrer” e “deixar de estar entre os homens” (inter homines esse desinere). Mas, em sua forma mais elementar, a condição humana da ação está implícita até mesmo em Gênesis (macho e fêmea Ele os criou), se entendermos que esta versão da criação do homem diverge, em princípio, da outra segundo a qual Deus originalmente criou o Homem (adam) – a ele, e não a eles, de sorte que a pluralidade dos seres humanos vem a ser o resultado da multiplicação!$ ^1 !$. A ação seria um luxo desnecessário, uma caprichosa interferência com as leis gerais do comportamento, se os homens não passassem de repetições interminavelmente reproduzíveis do mesmo modelo, todas dotadas da mesma natureza e essência, tão previsíveis quanto a natureza e a essência de qualquer outra coisa. A pluralidade é a condição da ação humana pelo fato de sermos todos os mesmos, isto é, humanos, sem que ninguém seja exatamente igual a qualquer pessoa que tenha existido, exista ou venha a existir.
As três atividades e suas respectivas condições têm íntima relação com as condições mais gerais da existência humana: o nascimento e a morte, a natalidade e a mortalidade. O labor assegura não apenas a sobrevivência do indivíduo, mas a vida da espécie. O trabalho e seu produto, o artefato humano, emprestam certa permanência e durabilidade à futilidade da vida mortal e ao caráter efêmero do corpo humano. A ação, na medida em que se empenha em fundar e preservar corpos políticos, cria a condição para a lembrança, ou seja, para a história. O labor e o trabalho, bem como a ação, têm também raízes na natalidade, na medida em que sua tarefa é produzir e preservar o mundopara o constante influxo de recém chegados que vêm a este mundo na qualidade de estranhos, além de prevê-los e levá-los em conta Não obstante, das três atividades, a ação é a mais intimamente relacionada com a condição humana da natalidade o novo começo inerente a cada nascimento pode fazer-se sentir no mundo somente porque o recém-chegado possui a capacidade de iniciar algo novo, isto é, de agir. Neste sentido de iniciativa, todas as atividades humanas possuem um elemento de ação e, portanto, de natalidade. Além disto, como a ação é a atividade política por excelência, a natalidade, e não a mortalidade, pode constituir a categoria central do pensamento político, em contraposição ao pensamento metafísico.
A condição humana compreende algo mais que as condições nas quais a vida foi dada ao homem. Os homens são seres condicionados: tudo aquilo com o qual eles entram em contato torna-se imediatamente uma condição de sua existência. O mundo no qual transcorre a vita activa consiste em coisas produzidas pelas atividades humanas; mas, constantemente, as coisas que devem sua existência exclusivamente aos homens também condicionam os seus autores humanos. Além das condições nas quais a vida é dada ao homem na Terra e, até certo ponto, a partir delas, os homens constantemente criam as suas próprias condições que, a despeito de sua variabilidade e sua origem humana, possuem a mesma força condicionante das coisas naturais. O que quer que toque a vida humana ou entre em duradoura relação com ela, assume imediatamente o caráter de condição da existência humana. É por isso que os homens, independentemente do que façam, são sempre seres condicionados. Tudo o que espontaneamente adentra o mundo humano, ou para ele é trazido pelo esforço humano, torna-se parte da condição humana. O impacto da realidade do mundo sobre a existência humana é sentido e recebido como força condicionante. A objetividade do mundo – o seu caráter de coisa ou objeto – e a condição humana complementam-se uma à outra; por ser uma existência condicionada, a existência humana seria impossível sem as coisas, e estas seriam um amontoado de artigos incoerentes, um não mundo, se esses artigos não fossem condicionantes da existência humana.
Quando se analisa o pensamento político pós-clássico, muito se pode aprender verificando-se qual das duas versões bíblicas da criação é citada. Assim, é típico da diferença entre os ensinamentos de Jesus de Nazareth e de Paulo o fato de que Jesus, discutindo a relação entre marido e mulher, refere-se a Gênesis 1:27 “Não tendes lido que quem criou o homem desde o princípio fê-los macho e fêmea” (Mateus 19:4), enquanto Paulo, em ocasião semelhante, insiste em que a mulher foi criada “do homem” e, portanto, “para o homem”, embora em seguida atenue um pouco a dependência: “nem o varão é sem mulher, nem a mulher sem o varão” (1 Cor.11:8-12). A diferença indica muito mais que uma atitude diferente em relação ao papel da mulher. Para Jesus, a fé era intimamente relacionada com a ação; para Paulo, a fé relacionava-se, antes de mais nada, com a salvação. Especialmente interessante a este respeito é Agostinho (De civitate Dei xii.21), que não só desconsidera inteiramente o que é dito em Gênesis 1:27, mas vê a diferença entre o homem e o animal no fato de ter sido o homem criado unum ac singulum, enquanto se ordenou aos animais que “passassem a existir vários de uma só vez” (plura simul iussit existere). Para Agostinho, a história da criação constitui boa oportunidade para salientar-se o caráter de espécie da vida animal, em oposição à singularidade da existência humana.
ARENDT, Hannah. A Condição Humana. Tradução de Roberto Raposo: Editora da Universidade de São Paulo, 1981. pp. 15-17 (texto adaptado).
Texto 2
DAS VANTAGENS DE SER BOBO
O bobo, por não se ocupar com ambições, tem tempo para ver, ouvir e tocar o mundo. O bobo é capaz de ficar sentado quase sem se mexer por duas horas. Se perguntado por que não faz alguma coisa, responde: "Estou fazendo. Estou pensando.".
Ser bobo às vezes oferece um mundo de saída porque os espertos só se lembram de sair por meio da esperteza, e o bobo tem originalidade, espontaneamente lhe vem a ideia!$ ^{(c)} !$.
O bobo tem oportunidade de ver coisas que os espertos não veem. Os espertos estão sempre tão atentos às espertezas alheias que se descontraem diante dos bobos, e estes os veem como simples pessoas humanas. O bobo ganha utilidade e sabedoria para viver. O bobo nunca parece ter tido vez. No entanto, muitas vezes, o bobo é um Dostoievski.
Há desvantagem, obviamente. Uma boba, por exemplo, confiou na palavra de um desconhecido para a compra de um ar refrigerado de segunda mão: ele disse que o aparelho era novo, praticamente sem uso porque se mudara para a Gávea onde é fresco. Vai a boba e compra o aparelho sem vê-lo sequer. Resultado: não funciona. Chamado um técnico, a opinião deste era de que o aparelho estava tão estragado que o conserto seria caríssimo: mais valia comprar outro. Mas, em contrapartida, a vantagem de ser bobo é ter boa-fé, não desconfiar, e portanto estar tranquilo, enquanto o esperto não dorme à noite com medo de ser ludibriado. O esperto vence com úlcera no estômago. O bobo não percebe que venceu.
Aviso: não confundir bobos com burros. Desvantagem: pode receber uma punhalada de quem menos espera. É uma das tristezas que o bobo não prevê. César terminou dizendo a célebre frase: "Até tu, Brutus?"!$ ^{(e)} !$.
Bobo não reclama. Em compensação, como exclama!
Os bobos, com todas as suas palhaçadas, devem estar todos no céu. Se Cristo tivesse sido esperto não teria morrido na cruz.
O bobo é sempre tão simpático que há espertos que se fazem passar por bobos. Ser bobo é uma criatividade e, como toda criação, é difícil. Por isso é que os espertos não conseguem passar por bobos. Os espertos ganham dos outros. Em compensação os bobos ganham a vida. Bem-aventurados os bobos porque sabem sem que ninguém desconfie. Aliás não se importam que saibam que eles sabem.
Há lugares que facilitam mais as pessoas serem bobas (não confundir bobo com burro, com tolo, com fútil). Minas Gerais, por exemplo, facilita ser bobo. Ah, quantos perdem por não nascer em Minas!
Bobo é Chagall, que põe vaca no espaço, voando por cima das casas!$ ^{(d)} !$. É quase impossível evitar o excesso de amor que o bobo provoca. É que só o bobo é capaz de excesso de amor. E só o amor faz o bobo.
LISPECTOR, Clarice. Das vantagens de ser bobo. Disponível em: http://www.revistapazes.com/das-vantagens-de-ser-bobo/. Acesso em 10 de maio de 2017. Originalmente publicado no Jornal do Brasil em 12 de setembro de 1970.
Texto 3
EXAUSTO
Eu quero uma licença de dormir,
perdão pra descansar horas a fio,
sem ao menos sonhar
a leve palha de um pequeno sonho.
Quero o que antes da vida
foi o sono profundo das espécies,
a graça de um estado.
Semente.
Muito mais que raízes.
PRADO, Adelia. Exausto. Disponível em <http://byluleoa-tecendopalavras.blogspot.com.br/>. Acesso em 31/07/17.
Marque a opção em que a regra usada para a colocação das vírgulas é a mesma encontrada no trecho abaixo destacado:
(…) cujos crescimento espontâneo, metabolismo e eventual declínio têm a ver com as necessidades vitais produzidas e introduzidas pelo labor no processo da vida .
Provas
Questão presente nas seguintes provas

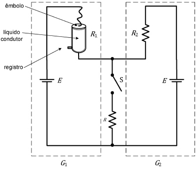
A figura acima mostra dois geradores de corrente contínua, denominados !$ G_1 !$ e !$ G_2 !$, que possuem resistências internas !$ R_1 !$ e !$ R_2 !$ e a mesma tensão induzida E. Os geradores estão conectados a uma resistência R por meio de uma chave S. A resistência !$ R_1 !$ é um cilindro não condutor que possui um êmbolo condutor em sua parte superior e que se encontra, inicialmente, totalmente preenchido por um liquido condutor. O êmbolo desce junto com o nível do líquido condutor no interior do cilindro, mantendo a continuidade do circuito. No instante em que a chave S é fechada, o líquido começa a escoar pelo registro cuja vazão volumétrica é Q. Diante do exposto, o instante de tempo t, no qual o gerador !$ G_1 !$ fornece 40% da corrente demandada pela carga é:
Dados:
• antes do fechamento da chave !$ S: R_1 = 4R_2 !$;
• resistividade do líquido condutor: !$ ρ !$; e
• área da base do cilindro: A.
Provas
Questão presente nas seguintes provas
APÓS A LEITURA ATENTA DOS TEXTOS A SEGUIR APRESENTADOS, RESPONDA A QUESTÃO.
Texto 1
A CONDIÇÃO HUMANA
A Vita Activa e a Condição Humana
Com a expressão vita activa, pretendo designar três atividades humanas fundamentais: labor, trabalho e ação. Trata-se de atividades fundamentais porque a cada uma delas corresponde uma das condições básicas mediante as quais a vida foi dada ao homem na Terra.
O labor é a atividade que corresponde ao processo biológico do corpo humano, cujos crescimento espontâneo, metabolismo e eventual declínio têm a ver com as necessidades vitais produzidas e introduzidas pelo labor no processo da vida A condição humana do labor é a própria vida.
O trabalho é a atividade correspondente ao artificialismo da existência humana, existência esta não necessariamente contida no eterno ciclo vital da espécie, e cuja mortalidade não é compensada por este último. O trabalho produz um mundo “artificial” de coisas, nitidamente diferente de qualquer ambiente natural. Dentro de suas fronteiras habita cada vida individual embora esse mundo se destine a sobreviver e a transcender todas as vidas individuais. A condição humana do trabalho é a mundanidade.
A ação, única atividade que se exerce diretamente entre os homens sem a mediação das coisas ou da matéria, corresponde à condição humana da pluralidade, ao fato de que homens, e não o Homem, vivem na Terra e habitam o mundo. Todos os aspectos da condição humana têm alguma relação com a política; mas esta pluralidade é especificamente a condição – não apenas a conditio sine qua non, mas a conditio per quam – de toda a vida política. Assim, o idioma dos romanos – talvez o povo mais político que conhecemos – empregava como sinônimas as expressões “viver” e “estar entre os homens” (inter homines esse), ou “morrer” e “deixar de estar entre os homens” (inter homines esse desinere). Mas, em sua forma mais elementar, a condição humana da ação está implícita até mesmo em Gênesis (macho e fêmea Ele os criou), se entendermos que esta versão da criação do homem diverge, em princípio, da outra segundo a qual Deus originalmente criou o Homem (adam) – a ele, e não a eles, de sorte que a pluralidade dos seres humanos vem a ser o resultado da multiplicação!$ ^1 !$. A ação seria um luxo desnecessário, uma caprichosa interferência com as leis gerais do comportamento, se os homens não passassem de repetições interminavelmente reproduzíveis do mesmo modelo, todas dotadas da mesma natureza e essência, tão previsíveis quanto a natureza e a essência de qualquer outra coisa. A pluralidade é a condição da ação humana pelo fato de sermos todos os mesmos, isto é, humanos, sem que ninguém seja exatamente igual a qualquer pessoa que tenha existido, exista ou venha a existir.
As três atividades e suas respectivas condições têm íntima relação com as condições mais gerais da existência humana: o nascimento e a morte, a natalidade e a mortalidade. O labor assegura não apenas a sobrevivência do indivíduo, mas a vida da espécie. O trabalho e seu produto, o artefato humano, emprestam certa permanência e durabilidade à futilidade da vida mortal e ao caráter efêmero do corpo humano. A ação, na medida em que se empenha em fundar e preservar corpos políticos, cria a condição para a lembrança, ou seja, para a história. O labor e o trabalho, bem como a ação, têm também raízes na natalidade, na medida em que sua tarefa é produzir e preservar o mundopara o constante influxo de recém chegados que vêm a este mundo na qualidade de estranhos, além de prevê-los e levá-los em conta Não obstante, das três atividades, a ação é a mais intimamente relacionada com a condição humana da natalidade o novo começo inerente a cada nascimento pode fazer-se sentir no mundo somente porque o recém-chegado possui a capacidade de iniciar algo novo, isto é, de agir. Neste sentido de iniciativa, todas as atividades humanas possuem um elemento de ação e, portanto, de natalidade. Além disto, como a ação é a atividade política por excelência, a natalidade, e não a mortalidade, pode constituir a categoria central do pensamento político, em contraposição ao pensamento metafísico.
A condição humana compreende algo mais que as condições nas quais a vida foi dada ao homem. Os homens são seres condicionados: tudo aquilo com o qual eles entram em contato torna-se imediatamente uma condição de sua existência. O mundo no qual transcorre a vita activa consiste em coisas produzidas pelas atividades humanas; mas, constantemente, as coisas que devem sua existência exclusivamente aos homens também condicionam os seus autores humanos. Além das condições nas quais a vida é dada ao homem na Terra e, até certo ponto, a partir delas, os homens constantemente criam as suas próprias condições que, a despeito de sua variabilidade e sua origem humana, possuem a mesma força condicionante das coisas naturais. O que quer que toque a vida humana ou entre em duradoura relação com ela, assume imediatamente o caráter de condição da existência humana. É por isso que os homens, independentemente do que façam, são sempre seres condicionados. Tudo o que espontaneamente adentra o mundo humano, ou para ele é trazido pelo esforço humano, torna-se parte da condição humana. O impacto da realidade do mundo sobre a existência humana é sentido e recebido como força condicionante. A objetividade do mundo – o seu caráter de coisa ou objeto – e a condição humana complementam-se uma à outra; por ser uma existência condicionada, a existência humana seria impossível sem as coisas, e estas seriam um amontoado de artigos incoerentes, um não mundo, se esses artigos não fossem condicionantes da existência humana.
Quando se analisa o pensamento político pós-clássico, muito se pode aprender verificando-se qual das duas versões bíblicas da criação é citada. Assim, é típico da diferença entre os ensinamentos de Jesus de Nazareth e de Paulo o fato de que Jesus, discutindo a relação entre marido e mulher, refere-se a Gênesis 1:27 “Não tendes lido que quem criou o homem desde o princípio fê-los macho e fêmea” (Mateus 19:4), enquanto Paulo, em ocasião semelhante, insiste em que a mulher foi criada “do homem” e, portanto, “para o homem”, embora em seguida atenue um pouco a dependência: “nem o varão é sem mulher, nem a mulher sem o varão” (1 Cor.11:8-12). A diferença indica muito mais que uma atitude diferente em relação ao papel da mulher. Para Jesus, a fé era intimamente relacionada com a ação; para Paulo, a fé relacionava-se, antes de mais nada, com a salvação. Especialmente interessante a este respeito é Agostinho (De civitate Dei xii.21), que não só desconsidera inteiramente o que é dito em Gênesis 1:27, mas vê a diferença entre o homem e o animal no fato de ter sido o homem criado unum ac singulum, enquanto se ordenou aos animais que “passassem a existir vários de uma só vez” (plura simul iussit existere). Para Agostinho, a história da criação constitui boa oportunidade para salientar-se o caráter de espécie da vida animal, em oposição à singularidade da existência humana.
ARENDT, Hannah. A Condição Humana. Tradução de Roberto Raposo: Editora da Universidade de São Paulo, 1981. pp. 15-17 (texto adaptado).
Texto 2
DAS VANTAGENS DE SER BOBO
O bobo, por não se ocupar com ambições, tem tempo para ver, ouvir e tocar o mundo. O bobo é capaz de ficar sentado quase sem se mexer por duas horas. Se perguntado por que não faz alguma coisa, responde: "Estou fazendo. Estou pensando.".
Ser bobo às vezes oferece um mundo de saída porque os espertos só se lembram de sair por meio da esperteza, e o bobo tem originalidade, espontaneamente lhe vem a ideia.
O bobo tem oportunidade de ver coisas que os espertos não veem. Os espertos estão sempre tão atentos às espertezas alheias que se descontraem diante dos bobos, e estes os veem como simples pessoas humanas. O bobo ganha utilidade e sabedoria para viver. O bobo nunca parece ter tido vez. No entanto, muitas vezes, o bobo é um Dostoievski.
Há desvantagem, obviamente. Uma boba, por exemplo, confiou na palavra de um desconhecido para a compra de um ar refrigerado de segunda mão: ele disse que o aparelho era novo, praticamente sem uso porque se mudara para a Gávea onde é fresco. Vai a boba e compra o aparelho sem vê-lo sequer. Resultado: não funciona. Chamado um técnico, a opinião deste era de que o aparelho estava tão estragado que o conserto seria caríssimo: mais valia comprar outro. Mas, em contrapartida, a vantagem de ser bobo é ter boa-fé, não desconfiar, e portanto estar tranquilo, enquanto o esperto não dorme à noite com medo de ser ludibriado. O esperto vence com úlcera no estômago. O bobo não percebe que venceu.
Aviso: não confundir bobos com burros. Desvantagem: pode receber uma punhalada de quem menos espera. É uma das tristezas que o bobo não prevê. César terminou dizendo a célebre frase: "Até tu, Brutus?".
Bobo não reclama. Em compensação, como exclama!
Os bobos, com todas as suas palhaçadas, devem estar todos no céu. Se Cristo tivesse sido esperto não teria morrido na cruz.
O bobo é sempre tão simpático que há espertos que se fazem passar por bobos. Ser bobo é uma criatividade e, como toda criação, é difícil. Por isso é que os espertos não conseguem passar por bobos. Os espertos ganham dos outros. Em compensação os bobos ganham a vida. Bem-aventurados os bobos porque sabem sem que ninguém desconfie. Aliás não se importam que saibam que eles sabem.
Há lugares que facilitam mais as pessoas serem bobas (não confundir bobo com burro, com tolo, com fútil). Minas Gerais, por exemplo, facilita ser bobo. Ah, quantos perdem por não nascer em Minas!
Bobo é Chagall, que põe vaca no espaço, voando por cima das casas. É quase impossível evitar o excesso de amor que o bobo provoca. É que só o bobo é capaz de excesso de amor. E só o amor faz o bobo.
LISPECTOR, Clarice. Das vantagens de ser bobo. Disponível em: http://www.revistapazes.com/das-vantagens-de-ser-bobo/. Acesso em 10 de maio de 2017. Originalmente publicado no Jornal do Brasil em 12 de setembro de 1970.
Texto 3
EXAUSTO
Eu quero uma licença de dormir,
perdão pra descansar horas a fio,
sem ao menos sonhar
a leve palha de um pequeno sonho.
Quero o que antes da vida
foi o sono profundo das espécies,
a graça de um estado.
Semente.
Muito mais que raízes.
PRADO, Adelia. Exausto. Disponível em <http://byluleoa-tecendopalavras.blogspot.com.br/>. Acesso em 31/07/17.
Observe o trecho do texto 1 abaixo destacado:
Não obstante, das três atividades, a ação é a mais intimamente relacionada com a condição humana da natalidade; o novo começo inerente a cada nascimento pode fazer-se sentir no mundo somente porque o recém-chegado possui a capacidade de iniciar algo novo, isto é, de agir. Neste sentido de iniciativa, todas as atividades humanas possuem um elemento de ação e, portanto, de natalidade .
A ênfase na “condição humana da natalidade” justifica-se
Provas
Questão presente nas seguintes provas
APÓS A LEITURA ATENTA DOS TEXTOS A SEGUIR APRESENTADOS, RESPONDA A QUESTÃO.
Texto 1
A CONDIÇÃO HUMANA
A Vita Activa e a Condição Humana
Com a expressão vita activa, pretendo designar três atividades humanas fundamentais: labor, trabalho e ação. Trata-se de atividades fundamentais porque a cada uma delas corresponde uma das condições básicas mediante as quais a vida foi dada ao homem na Terra.
O labor é a atividade que corresponde ao processo biológico do corpo humano, cujos crescimento espontâneo, metabolismo e eventual declínio têm a ver com as necessidades vitais produzidas e introduzidas pelo labor no processo da vida A condição humana do labor é a própria vida.
O trabalho é a atividade correspondente ao artificialismo da existência humana, existência esta não necessariamente contida no eterno ciclo vital da espécie, e cuja mortalidade não é compensada por este último. O trabalho produz um mundo “artificial” de coisas, nitidamente diferente de qualquer ambiente natural. Dentro de suas fronteiras habita cada vida individual embora esse mundo se destine a sobreviver e a transcender todas as vidas individuais. A condição humana do trabalho é a mundanidade.
A ação, única atividade que se exerce diretamente entre os homens sem a mediação das coisas ou da matéria, corresponde à condição humana da pluralidade, ao fato de que homens, e não o Homem, vivem na Terra e habitam o mundo. Todos os aspectos da condição humana têm alguma relação com a política; mas esta pluralidade é especificamente a condição – não apenas a conditio sine qua non, mas a conditio per quam – de toda a vida política. Assim, o idioma dos romanos – talvez o povo mais político que conhecemos – empregava como sinônimas as expressões “viver” e “estar entre os homens” (inter homines esse), ou “morrer” e “deixar de estar entre os homens” (inter homines esse desinere). Mas, em sua forma mais elementar, a condição humana da ação está implícita até mesmo em Gênesis (macho e fêmea Ele os criou), se entendermos que esta versão da criação do homem diverge, em princípio, da outra segundo a qual Deus originalmente criou o Homem (adam) – a ele, e não a eles, de sorte que a pluralidade dos seres humanos vem a ser o resultado da multiplicação!$ ^1 !$. A ação seria um luxo desnecessário, uma caprichosa interferência com as leis gerais do comportamento, se os homens não passassem de repetições interminavelmente reproduzíveis do mesmo modelo, todas dotadas da mesma natureza e essência, tão previsíveis quanto a natureza e a essência de qualquer outra coisa. A pluralidade é a condição da ação humana pelo fato de sermos todos os mesmos, isto é, humanos, sem que ninguém seja exatamente igual a qualquer pessoa que tenha existido, exista ou venha a existir.
As três atividades e suas respectivas condições têm íntima relação com as condições mais gerais da existência humana: o nascimento e a morte, a natalidade e a mortalidade. O labor assegura não apenas a sobrevivência do indivíduo, mas a vida da espécie. O trabalho e seu produto, o artefato humano, emprestam certa permanência e durabilidade à futilidade da vida mortal e ao caráter efêmero do corpo humano. A ação, na medida em que se empenha em fundar e preservar corpos políticos, cria a condição para a lembrança, ou seja, para a história. O labor e o trabalho, bem como a ação, têm também raízes na natalidade, na medida em que sua tarefa é produzir e preservar o mundopara o constante influxo de recém chegados que vêm a este mundo na qualidade de estranhos, além de prevê-los e levá-los em conta Não obstante, das três atividades, a ação é a mais intimamente relacionada com a condição humana da natalidade o novo começo inerente a cada nascimento pode fazer-se sentir no mundo somente porque o recém-chegado possui a capacidade de iniciar algo novo, isto é, de agir. Neste sentido de iniciativa, todas as atividades humanas possuem um elemento de ação e, portanto, de natalidade. Além disto, como a ação é a atividade política por excelência, a natalidade, e não a mortalidade, pode constituir a categoria central do pensamento político, em contraposição ao pensamento metafísico.
A condição humana compreende algo mais que as condições nas quais a vida foi dada ao homem. Os homens são seres condicionados: tudo aquilo com o qual eles entram em contato torna-se imediatamente uma condição de sua existência. O mundo no qual transcorre a vita activa consiste em coisas produzidas pelas atividades humanas; mas, constantemente, as coisas que devem sua existência exclusivamente aos homens também condicionam os seus autores humanos. Além das condições nas quais a vida é dada ao homem na Terra e, até certo ponto, a partir delas, os homens constantemente criam as suas próprias condições que, a despeito de sua variabilidade e sua origem humana, possuem a mesma força condicionante das coisas naturais. O que quer que toque a vida humana ou entre em duradoura relação com ela, assume imediatamente o caráter de condição da existência humana. É por isso que os homens, independentemente do que façam, são sempre seres condicionados. Tudo o que espontaneamente adentra o mundo humano, ou para ele é trazido pelo esforço humano, torna-se parte da condição humana. O impacto da realidade do mundo sobre a existência humana é sentido e recebido como força condicionante. A objetividade do mundo – o seu caráter de coisa ou objeto – e a condição humana complementam-se uma à outra; por ser uma existência condicionada, a existência humana seria impossível sem as coisas, e estas seriam um amontoado de artigos incoerentes, um não mundo, se esses artigos não fossem condicionantes da existência humana.
Quando se analisa o pensamento político pós-clássico, muito se pode aprender verificando-se qual das duas versões bíblicas da criação é citada. Assim, é típico da diferença entre os ensinamentos de Jesus de Nazareth e de Paulo o fato de que Jesus, discutindo a relação entre marido e mulher, refere-se a Gênesis 1:27 “Não tendes lido que quem criou o homem desde o princípio fê-los macho e fêmea” (Mateus 19:4), enquanto Paulo, em ocasião semelhante, insiste em que a mulher foi criada “do homem” e, portanto, “para o homem”, embora em seguida atenue um pouco a dependência: “nem o varão é sem mulher, nem a mulher sem o varão” (1 Cor.11:8-12). A diferença indica muito mais que uma atitude diferente em relação ao papel da mulher. Para Jesus, a fé era intimamente relacionada com a ação; para Paulo, a fé relacionava-se, antes de mais nada, com a salvação. Especialmente interessante a este respeito é Agostinho (De civitate Dei xii.21), que não só desconsidera inteiramente o que é dito em Gênesis 1:27, mas vê a diferença entre o homem e o animal no fato de ter sido o homem criado unum ac singulum, enquanto se ordenou aos animais que “passassem a existir vários de uma só vez” (plura simul iussit existere). Para Agostinho, a história da criação constitui boa oportunidade para salientar-se o caráter de espécie da vida animal, em oposição à singularidade da existência humana.
ARENDT, Hannah. A Condição Humana. Tradução de Roberto Raposo: Editora da Universidade de São Paulo, 1981. pp. 15-17 (texto adaptado).
Texto 2
DAS VANTAGENS DE SER BOBO
O bobo, por não se ocupar com ambições, tem tempo para ver, ouvir e tocar o mundo. O bobo é capaz de ficar sentado quase sem se mexer por duas horas. Se perguntado por que não faz alguma coisa, responde: "Estou fazendo. Estou pensando.".
Ser bobo às vezes oferece um mundo de saída porque os espertos só se lembram de sair por meio da esperteza, e o bobo tem originalidade, espontaneamente lhe vem a ideia.
O bobo tem oportunidade de ver coisas que os espertos não veem. Os espertos estão sempre tão atentos às espertezas alheias que se descontraem diante dos bobos, e estes os veem como simples pessoas humanas. O bobo ganha utilidade e sabedoria para viver. O bobo nunca parece ter tido vez. No entanto, muitas vezes, o bobo é um Dostoievski.
Há desvantagem, obviamente. Uma boba, por exemplo, confiou na palavra de um desconhecido para a compra de um ar refrigerado de segunda mão: ele disse que o aparelho era novo, praticamente sem uso porque se mudara para a Gávea onde é fresco. Vai a boba e compra o aparelho sem vê-lo sequer. Resultado: não funciona. Chamado um técnico, a opinião deste era de que o aparelho estava tão estragado que o conserto seria caríssimo: mais valia comprar outro. Mas, em contrapartida, a vantagem de ser bobo é ter boa-fé, não desconfiar, e portanto estar tranquilo, enquanto o esperto não dorme à noite com medo de ser ludibriado. O esperto vence com úlcera no estômago. O bobo não percebe que venceu.
Aviso: não confundir bobos com burros. Desvantagem: pode receber uma punhalada de quem menos espera. É uma das tristezas que o bobo não prevê. César terminou dizendo a célebre frase: "Até tu, Brutus?".
Bobo não reclama. Em compensação, como exclama!
Os bobos, com todas as suas palhaçadas, devem estar todos no céu. Se Cristo tivesse sido esperto não teria morrido na cruz.
O bobo é sempre tão simpático que há espertos que se fazem passar por bobos. Ser bobo é uma criatividade e, como toda criação, é difícil. Por isso é que os espertos não conseguem passar por bobos. Os espertos ganham dos outros. Em compensação os bobos ganham a vida. Bem-aventurados os bobos porque sabem sem que ninguém desconfie. Aliás não se importam que saibam que eles sabem.
Há lugares que facilitam mais as pessoas serem bobas (não confundir bobo com burro, com tolo, com fútil). Minas Gerais, por exemplo, facilita ser bobo. Ah, quantos perdem por não nascer em Minas!
Bobo é Chagall, que põe vaca no espaço, voando por cima das casas. É quase impossível evitar o excesso de amor que o bobo provoca. É que só o bobo é capaz de excesso de amor. E só o amor faz o bobo.
LISPECTOR, Clarice. Das vantagens de ser bobo. Disponível em: http://www.revistapazes.com/das-vantagens-de-ser-bobo/. Acesso em 10 de maio de 2017. Originalmente publicado no Jornal do Brasil em 12 de setembro de 1970.
Texto 3
EXAUSTO
Eu quero uma licença de dormir,
perdão pra descansar horas a fio,
sem ao menos sonhar
a leve palha de um pequeno sonho.
Quero o que antes da vida
foi o sono profundo das espécies,
a graça de um estado.
Semente.
Muito mais que raízes.
PRADO, Adelia. Exausto. Disponível em <http://byluleoa-tecendopalavras.blogspot.com.br/>. Acesso em 31/07/17.
Na frase “só o bobo é capaz de excesso de amor”, a semântica da palavra só, nesse contexto,
Provas
Questão presente nas seguintes provas
APÓS A LEITURA ATENTA DOS TEXTOS A SEGUIR APRESENTADOS, RESPONDA A QUESTÃO.
Texto 1
A CONDIÇÃO HUMANA
A Vita Activa e a Condição Humana
Com a expressão vita activa, pretendo designar três atividades humanas fundamentais: labor, trabalho e ação. Trata-se de atividades fundamentais porque a cada uma delas corresponde uma das condições básicas mediante as quais a vida foi dada ao homem na Terra.
O labor é a atividade que corresponde ao processo biológico do corpo humano, cujos crescimento espontâneo, metabolismo e eventual declínio têm a ver com as necessidades vitais produzidas e introduzidas pelo labor no processo da vida A condição humana do labor é a própria vida.
O trabalho é a atividade correspondente ao artificialismo da existência humana, existência esta não necessariamente contida no eterno ciclo vital da espécie, e cuja mortalidade não é compensada por este último. O trabalho produz um mundo “artificial” de coisas, nitidamente diferente de qualquer ambiente natural. Dentro de suas fronteiras habita cada vida individual embora esse mundo se destine a sobreviver e a transcender todas as vidas individuais. A condição humana do trabalho é a mundanidade.
A ação, única atividade que se exerce diretamente entre os homens sem a mediação das coisas ou da matéria, corresponde à condição humana da pluralidade, ao fato de que homens, e não o Homem, vivem na Terra e habitam o mundo. Todos os aspectos da condição humana têm alguma relação com a política; mas esta pluralidade é especificamente a condição – não apenas a conditio sine qua non, mas a conditio per quam – de toda a vida política. Assim, o idioma dos romanos – talvez o povo mais político que conhecemos – empregava como sinônimas as expressões “viver” e “estar entre os homens” (inter homines esse), ou “morrer” e “deixar de estar entre os homens” (inter homines esse desinere). Mas, em sua forma mais elementar, a condição humana da ação está implícita até mesmo em Gênesis (macho e fêmea Ele os criou), se entendermos que esta versão da criação do homem diverge, em princípio, da outra segundo a qual Deus originalmente criou o Homem (adam) – a ele, e não a eles, de sorte que a pluralidade dos seres humanos vem a ser o resultado da multiplicação!$ ^1 !$. A ação seria um luxo desnecessário, uma caprichosa interferência com as leis gerais do comportamento, se os homens não passassem de repetições interminavelmente reproduzíveis do mesmo modelo, todas dotadas da mesma natureza e essência, tão previsíveis quanto a natureza e a essência de qualquer outra coisa. A pluralidade é a condição da ação humana pelo fato de sermos todos os mesmos, isto é, humanos, sem que ninguém seja exatamente igual a qualquer pessoa que tenha existido, exista ou venha a existir.
As três atividades e suas respectivas condições têm íntima relação com as condições mais gerais da existência humana: o nascimento e a morte, a natalidade e a mortalidade. O labor assegura não apenas a sobrevivência do indivíduo, mas a vida da espécie. O trabalho e seu produto, o artefato humano, emprestam certa permanência e durabilidade à futilidade da vida mortal e ao caráter efêmero do corpo humano. A ação, na medida em que se empenha em fundar e preservar corpos políticos, cria a condição para a lembrança, ou seja, para a história. O labor e o trabalho, bem como a ação, têm também raízes na natalidade, na medida em que sua tarefa é produzir e preservar o mundopara o constante influxo de recém chegados que vêm a este mundo na qualidade de estranhos, além de prevê-los e levá-los em conta Não obstante, das três atividades, a ação é a mais intimamente relacionada com a condição humana da natalidade o novo começo inerente a cada nascimento pode fazer-se sentir no mundo somente porque o recém-chegado possui a capacidade de iniciar algo novo, isto é, de agir. Neste sentido de iniciativa, todas as atividades humanas possuem um elemento de ação e, portanto, de natalidade. Além disto, como a ação é a atividade política por excelência, a natalidade, e não a mortalidade, pode constituir a categoria central do pensamento político, em contraposição ao pensamento metafísico.
A condição humana compreende algo mais que as condições nas quais a vida foi dada ao homem. Os homens são seres condicionados: tudo aquilo com o qual eles entram em contato torna-se imediatamente uma condição de sua existência. O mundo no qual transcorre a vita activa consiste em coisas produzidas pelas atividades humanas; mas, constantemente, as coisas que devem sua existência exclusivamente aos homens também condicionam os seus autores humanos. Além das condições nas quais a vida é dada ao homem na Terra e, até certo ponto, a partir delas, os homens constantemente criam as suas próprias condições que, a despeito de sua variabilidade e sua origem humana, possuem a mesma força condicionante das coisas naturais. O que quer que toque a vida humana ou entre em duradoura relação com ela, assume imediatamente o caráter de condição da existência humana. É por isso que os homens, independentemente do que façam, são sempre seres condicionados. Tudo o que espontaneamente adentra o mundo humano, ou para ele é trazido pelo esforço humano, torna-se parte da condição humana. O impacto da realidade do mundo sobre a existência humana é sentido e recebido como força condicionante. A objetividade do mundo – o seu caráter de coisa ou objeto – e a condição humana complementam-se uma à outra; por ser uma existência condicionada, a existência humana seria impossível sem as coisas, e estas seriam um amontoado de artigos incoerentes, um não mundo, se esses artigos não fossem condicionantes da existência humana.
Quando se analisa o pensamento político pós-clássico, muito se pode aprender verificando-se qual das duas versões bíblicas da criação é citada. Assim, é típico da diferença entre os ensinamentos de Jesus de Nazareth e de Paulo o fato de que Jesus, discutindo a relação entre marido e mulher, refere-se a Gênesis 1:27 “Não tendes lido que quem criou o homem desde o princípio fê-los macho e fêmea” (Mateus 19:4), enquanto Paulo, em ocasião semelhante, insiste em que a mulher foi criada “do homem” e, portanto, “para o homem”, embora em seguida atenue um pouco a dependência: “nem o varão é sem mulher, nem a mulher sem o varão” (1 Cor.11:8-12). A diferença indica muito mais que uma atitude diferente em relação ao papel da mulher. Para Jesus, a fé era intimamente relacionada com a ação; para Paulo, a fé relacionava-se, antes de mais nada, com a salvação. Especialmente interessante a este respeito é Agostinho (De civitate Dei xii.21), que não só desconsidera inteiramente o que é dito em Gênesis 1:27, mas vê a diferença entre o homem e o animal no fato de ter sido o homem criado unum ac singulum, enquanto se ordenou aos animais que “passassem a existir vários de uma só vez” (plura simul iussit existere). Para Agostinho, a história da criação constitui boa oportunidade para salientar-se o caráter de espécie da vida animal, em oposição à singularidade da existência humana.
ARENDT, Hannah. A Condição Humana. Tradução de Roberto Raposo: Editora da Universidade de São Paulo, 1981. pp. 15-17 (texto adaptado).
Texto 2
DAS VANTAGENS DE SER BOBO
O bobo, por não se ocupar com ambições, tem tempo para ver, ouvir e tocar o mundo. O bobo é capaz de ficar sentado quase sem se mexer por duas horas. Se perguntado por que não faz alguma coisa, responde: "Estou fazendo. Estou pensando.".
Ser bobo às vezes oferece um mundo de saída porque os espertos só se lembram de sair por meio da esperteza, e o bobo tem originalidade, espontaneamente lhe vem a ideia.
O bobo tem oportunidade de ver coisas que os espertos não veem. Os espertos estão sempre tão atentos às espertezas alheias que se descontraem diante dos bobos, e estes os veem como simples pessoas humanas. O bobo ganha utilidade e sabedoria para viver. O bobo nunca parece ter tido vez. No entanto, muitas vezes, o bobo é um Dostoievski.
Há desvantagem, obviamente. Uma boba, por exemplo, confiou na palavra de um desconhecido para a compra de um ar refrigerado de segunda mão: ele disse que o aparelho era novo, praticamente sem uso porque se mudara para a Gávea onde é fresco. Vai a boba e compra o aparelho sem vê-lo sequer. Resultado: não funciona. Chamado um técnico, a opinião deste era de que o aparelho estava tão estragado que o conserto seria caríssimo: mais valia comprar outro. Mas, em contrapartida, a vantagem de ser bobo é ter boa-fé, não desconfiar, e portanto estar tranquilo, enquanto o esperto não dorme à noite com medo de ser ludibriado. O esperto vence com úlcera no estômago. O bobo não percebe que venceu.
Aviso: não confundir bobos com burros. Desvantagem: pode receber uma punhalada de quem menos espera. É uma das tristezas que o bobo não prevê. César terminou dizendo a célebre frase: "Até tu, Brutus?".
Bobo não reclama. Em compensação, como exclama!
Os bobos, com todas as suas palhaçadas, devem estar todos no céu. Se Cristo tivesse sido esperto não teria morrido na cruz.
O bobo é sempre tão simpático que há espertos que se fazem passar por bobos. Ser bobo é uma criatividade e, como toda criação, é difícil. Por isso é que os espertos não conseguem passar por bobos. Os espertos ganham dos outros. Em compensação os bobos ganham a vida. Bem-aventurados os bobos porque sabem sem que ninguém desconfie. Aliás não se importam que saibam que eles sabem.
Há lugares que facilitam mais as pessoas serem bobas (não confundir bobo com burro, com tolo, com fútil). Minas Gerais, por exemplo, facilita ser bobo. Ah, quantos perdem por não nascer em Minas!
Bobo é Chagall, que põe vaca no espaço, voando por cima das casas. É quase impossível evitar o excesso de amor que o bobo provoca. É que só o bobo é capaz de excesso de amor. E só o amor faz o bobo.
LISPECTOR, Clarice. Das vantagens de ser bobo. Disponível em: http://www.revistapazes.com/das-vantagens-de-ser-bobo/. Acesso em 10 de maio de 2017. Originalmente publicado no Jornal do Brasil em 12 de setembro de 1970.
Texto 3
EXAUSTO
Eu quero uma licença de dormir,
perdão pra descansar horas a fio,
sem ao menos sonhar
a leve palha de um pequeno sonho.
Quero o que antes da vida
foi o sono profundo das espécies,
a graça de um estado.
Semente.
Muito mais que raízes.
PRADO, Adelia. Exausto. Disponível em <http://byluleoa-tecendopalavras.blogspot.com.br/>. Acesso em 31/07/17.
A respeito da forma verbal quero (texto 3, versos 1 e 5), podemos afirmar que
Provas
Questão presente nas seguintes provas
Considere as alternativas:
I. O inverso de um irracional é sempre irracional.
II. Seja a função f: A !$ \rightarrow !$ B e X e y dois subconjuntos quaisquer de A, então f (X !$ \cap !$ Y) = f( X) !$ \cap !$ f(Y).
III. Seja a função f: A !$ \rightarrow !$ B e X e Y dois subconjuntos quaisquer de A, então F(X !$ \cup !$ Y) = f(X) !$ \cup !$ f(Y).
IV. Dados dois conjuntos A e B não vazios, então A !$ \cap !$ B = A se, e somente se, B !$ \subset !$ A.
São corretas:
Provas
Questão presente nas seguintes provas
PARA A QUESTÃO, ESCOLHA A ALTERNATIVA QUE COMPLETA O TEXTO CORRETAMENTE.
Texto 1
A DAY IN THE LIFE OF A NUCLEAR MATERIALS ENGINEER
My career has not been a planned one in any way. At school I was athletic; I ran and played badminton to a high standard when I was young and always thought my career would be a sporting one until I suffered an injury during my teens. The rest of my family was academic; my father was an aerodynamic engineer and my mother a mathematician, _________ my sister studied geology.
At the age of 16, I attended a Women in Science and Engineering careers week with school, just to have a look at what was available. This helped me decide that what I really wanted to do was an engineering degree, so I chose to do a BEng in materials science and engineering at Liverpool University, and then went on to do a PhD.
My PhD looked at auxetic polymeric materials. No one had ever heard of them: they get fatter as you stretch them, which is very novel, and at the time there were only a handful of researchers in the world working on these. The PhD started my interest in polymeric materials. Towards the end of my PhD I applied for two research roles, and ended up taking a job with British Nuclear Fuels Limited at the Company Research Laboratory (CRL).
During my time at CRL I was sent on secondment to the Sellafield site in Cumbria, which then turned into a permanent position in the research and technology materials and inspection group. During this time I became a chartered engineer and a full professional member of the Institute of Materials Minerals and Mining. I now head up one of Sellafield’s Centres of Expertise (CoE): I am the CoE lead and subject matter expert for polymeric materials. Recently I have been recognised as a fellow of the Institute of Materials.
I definitely don’t have a “typical day”. I sometimes have a plan, but rarely stick to it as much of my work is responsive to situations which are transient. The range of things I can get involved in is huge and includes specifying materials for use in challenging environments, new
plant designs and decommissioning activates.
RATHBONE, Penny. Adapted from: The Guardian. A day in the life of a nuclear materials engineer. Disponível em: <https://www.theguardian.com/women-in-leadership/2016/jan/22/aday- in-the-life-of-a-nuclear-materials-engineer>. Acesso em: 22/06/2017.
Provas
Questão presente nas seguintes provas
Cadernos
Caderno Container