Foram encontradas 1.130 questões.
Observe o circuito a seguir.

A impedância nos terminais A-B é igual a:
Provas
Questão presente nas seguintes provas
- Proteção de Sistemas ElétricosProteção em Média Tensão
- Sistemas Elétricos de PotênciaDistribuição de Energia Elétrica
Analise o quadro a seguir, no qual foram listadas as
características da utilização de um dos dispositivos de
segurança nas instalações elétricas. • Locais com grande concentração de umidade.
• Partes metálicas conectadas à terra que se
tornem vivas.
• Perigo de incêndio devido a faltas à terra.
• Pessoas ou animais contra contatos acidentais
com partes vivas.
• Presença de falhas à terra em instalações em
más condições de conservação.
• Presença de faltas à terra provocadas por
aparelhos eletrodomésticos. Nesse caso, o dispositivo utilizado é um:
Provas
Questão presente nas seguintes provas
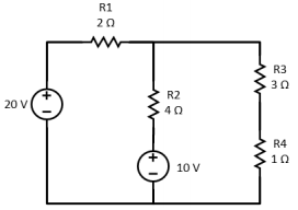
O circuito a seguir é formado por duas fontes de corrente contínua e 4 resistores.

Assinale a alternativa que contém o módulo do valor aproximado das tensões em volts nos resistores 3 e 4, respectivamente.
Provas
Questão presente nas seguintes provas
Analise, a seguir, os circuitos de carga e comando de um motor trifásico.

Nesse caso, o dispositivo de partida utilizado é uma chave:
Provas
Questão presente nas seguintes provas
Análise as seguintes afirmativas sobre máquinas
elétricas rotativas e assinale com V as verdadeiras e
com F as falsas.
( )É possível controlar a velocidade de um motor de indução com rotor bobinado por meio do controle da alimentação do estator. ( )O princípio de funcionamento para motores CC é a indução eletromagnética e o enrolamento de armadura encontra-se no rotor. ( )O rotor é a parte de um motor ou gerador elétrico que se mantém fixa à carcaça e tem por função conduzir o fluxo magnético. ( )Geradores são máquinas elétricas que transformam energia mecânica em elétrica.
Assinale a sequência CORRETA.
( )É possível controlar a velocidade de um motor de indução com rotor bobinado por meio do controle da alimentação do estator. ( )O princípio de funcionamento para motores CC é a indução eletromagnética e o enrolamento de armadura encontra-se no rotor. ( )O rotor é a parte de um motor ou gerador elétrico que se mantém fixa à carcaça e tem por função conduzir o fluxo magnético. ( )Geradores são máquinas elétricas que transformam energia mecânica em elétrica.
Assinale a sequência CORRETA.
Provas
Questão presente nas seguintes provas
A ponte de Wheatstone básica fornece um meio de medir
resistência com pequenas incertezas. A figura a seguir
mostra uma fonte de corrente contínua (E) aplicada
como entrada do nó A para o nó D.
Sob a condição de que o fluxo de corrente sob o galvanômetro (G) seja igual a zero, tem-se que:
Sob a condição de que o fluxo de corrente sob o galvanômetro (G) seja igual a zero, tem-se que:
Provas
Questão presente nas seguintes provas
Desde seu surgimento, a linguagem de programação
Ladder se configurou com uma das linguagens de
programação para controladores lógicos programáveis
mais utilizadas na indústria.
Em relação a essa linguagem, assinale a alternativa
CORRETA.
Provas
Questão presente nas seguintes provas
Considere o circuito a seguir.

Assinale a alternativa que apresenta o valor para a resistência equivalente entre os terminais A e B do circuito.
Provas
Questão presente nas seguintes provas
O sistema decimal binário é o sistema de codificação
numérica mais importante em sistemas digitais.
Assinale a alternativa que apresenta o resultado da
conversão decimal-binário para o número decimal 25.
Provas
Questão presente nas seguintes provas
Em ambientes industriais, a integração e comunicação
entre diversos dispositivos eletrônicos de fabricantes
distintos é um processo comum e necessário; para
garantir a segurança e confiabilidade na transmissão das
informações são utilizadas redes de automação.
Considerando a rede que utiliza o protocolo Fieldbus,
assinale a alternativa CORRETA.
Provas
Questão presente nas seguintes provas
Cadernos
Caderno Container