Foram encontradas 1.174 questões.
Segundo o Código Penal, aquele que expuser a vida ou a saúde do trabalhador a perigo direto e iminente pratica crime, cuja pena varia de
Provas
Nos aeroportos, a canalização empregada para a condução de gases liquefeitos, inflamáveis e combustíveis de baixa viscosidade necessita de sinalização de segurança a fim de prevenir acidentes. De acordo com a norma específica, deverão ser adotadas determinadas cores para a segurança nos locais de trabalho, para advertir sobre os riscos existentes. A cor a ser utilizada nesse tipo de canalização é a
Provas
De acordo com a Portaria nº 3.311/1989, que estabelece os princípios norteadores do Programa de Desenvolvimento do Sistema Federal de Inspeção do Trabalho, NÃO é considerada uma das diretrizes desse programa
Provas
Uma determinada empresa teve sua linha de produção descontinuada e acabou vendendo sua caldeira para outra empresa concorrente. Com base na NR-13 (Caldeiras e Vasos de Pressão), os documentos exigidos para o prosseguimento dessa transação são:
Provas
Nos dias 02, 19 e 25 de março de 2009 ocorreram acidentes com perda de tempo envolvendo funcionários da Empresa A, com retorno ao serviço, respectivamente, nos dias 12, 29 e 30 do mesmo mês. Com o primeiro acidentado resultou uma incapacidade parcial e permanente que corresponde a 600 dias debitados. Sendo o total de horas/homens trabalhadas 220.000, a taxa de gravidade (TG) será igual a
Provas
Durante o levantamento das condições ambientais da área destinada à ampliação da pista de um aeroporto, o corpo técnico de segurança do trabalho realizou um estudo sobre a exposição ao calor a que se submeteriam os trabalhadores. Foram quantificadas as temperaturas de Bulbo Natural (26,1 °C), de Globo (22,8 °C) e de Bulbo Seco (27,2 °C). Em seguida, avaliou-se a exposição ao calor por meio do Índice de Bulbo Úmido Termômetro de Globo (IBUTG) para ambiente externo com carga solar, cuja temperatura encontrada foi de
Provas
O texto e o diagrama em blocos apresentados abaixo se refere a questão.
Em um aeroporto há um departamento de manutenção e documentação técnica de diversos sistemas e equipamentos operacionais do setor de cargas.
Foi solicitado o desenvolvimento de um sistema de alarmes apenas para esse departamento, conforme o diagrama em blocos abaixo.

A tecla # faz a função de reinicialização do sistema. Para habilitar os sensores, após a reinicialização, deve-se digitar o número de cada um deles seguido da tecla *.
O microcontrolador faz a varredura nos sensores habilitados e envia ao LCD o status desse conjunto.
Os sensores podem ser habilitados ou desabilitados por uma operação simples: digita-se "0" seguido de uma senha de quatro algarismos. Caso a senha seja válida, o LCD apresenta os números dos sensores habilitados.
Se um desses números for digitado, o LCD pergunta "Deseja desabilitar esse sensor?", se o número de um sensor desabilitado é digitado, o LCD pergunta "Deseja habilitar esse sensor?".
Após uma dessas operações, o LCD pergunta "Deseja realizar outra operação?", para disponibilizar o sistema para habilitação ou desabilitação de outros sensores.
Em caso de resposta negativa à última pergunta, o LCD volta ao modo visual normal, que mostra apenas os sensores habilitados.
Para essas três operações, a tecla * significa SIM e a #, NÃO.
Após a montagem de um protótipo, o sistema foi submetido a algumas análises e testes.
Para medir o ripple no capacitor de filtro da fonte de alimentação deve-se usar um
Provas
O texto e o diagrama em blocos apresentados abaixo se refere a questão.
Em um aeroporto há um departamento de manutenção e documentação técnica de diversos sistemas e equipamentos operacionais do setor de cargas.
Foi solicitado o desenvolvimento de um sistema de alarmes apenas para esse departamento, conforme o diagrama em blocos abaixo.

A tecla # faz a função de reinicialização do sistema. Para habilitar os sensores, após a reinicialização, deve-se digitar o número de cada um deles seguido da tecla *.
O microcontrolador faz a varredura nos sensores habilitados e envia ao LCD o status desse conjunto.
Os sensores podem ser habilitados ou desabilitados por uma operação simples: digita-se "0" seguido de uma senha de quatro algarismos. Caso a senha seja válida, o LCD apresenta os números dos sensores habilitados.
Se um desses números for digitado, o LCD pergunta "Deseja desabilitar esse sensor?", se o número de um sensor desabilitado é digitado, o LCD pergunta "Deseja habilitar esse sensor?".
Após uma dessas operações, o LCD pergunta "Deseja realizar outra operação?", para disponibilizar o sistema para habilitação ou desabilitação de outros sensores.
Em caso de resposta negativa à última pergunta, o LCD volta ao modo visual normal, que mostra apenas os sensores habilitados.
Para essas três operações, a tecla * significa SIM e a #, NÃO.
Após a montagem de um protótipo, o sistema foi submetido a algumas análises e testes.
A interface de potência é ativa em nível alto e tem a função de acionar o alarme luminoso, sendo formada basicamente por um transistor operando como chave que tem como carga em seu coletor um relé com as especificações seguintes:
Bobina: I = 50 mA
V = 12 Vdc
Contato: reversível, 10A/250 Vac
Considerando que a interface de potência será ativada por um port com IOH = 1,6 mA, o transistor que pode ser usado tem as especificações
| Tipo |
hFEsat | ICMAX [mA] |
BVCEO |
Provas
O texto e o diagrama em blocos apresentados abaixo se refere a questão.
Em um aeroporto há um departamento de manutenção e documentação técnica de diversos sistemas e equipamentos operacionais do setor de cargas.
Foi solicitado o desenvolvimento de um sistema de alarmes apenas para esse departamento, conforme o diagrama em blocos abaixo.

A tecla # faz a função de reinicialização do sistema. Para habilitar os sensores, após a reinicialização, deve-se digitar o número de cada um deles seguido da tecla *.
O microcontrolador faz a varredura nos sensores habilitados e envia ao LCD o status desse conjunto.
Os sensores podem ser habilitados ou desabilitados por uma operação simples: digita-se "0" seguido de uma senha de quatro algarismos. Caso a senha seja válida, o LCD apresenta os números dos sensores habilitados.
Se um desses números for digitado, o LCD pergunta "Deseja desabilitar esse sensor?", se o número de um sensor desabilitado é digitado, o LCD pergunta "Deseja habilitar esse sensor?".
Após uma dessas operações, o LCD pergunta "Deseja realizar outra operação?", para disponibilizar o sistema para habilitação ou desabilitação de outros sensores.
Em caso de resposta negativa à última pergunta, o LCD volta ao modo visual normal, que mostra apenas os sensores habilitados.
Para essas três operações, a tecla * significa SIM e a #, NÃO.
Após a montagem de um protótipo, o sistema foi submetido a algumas análises e testes.
O alarme sonoro possui potência de saída de 50 dBm. Portanto, essa potência, em watt RMS, vale
Provas
O texto e o diagrama em blocos apresentados abaixo se refere a questão.
Em um aeroporto há um departamento de manutenção e documentação técnica de diversos sistemas e equipamentos operacionais do setor de cargas.
Foi solicitado o desenvolvimento de um sistema de alarmes apenas para esse departamento, conforme o diagrama em blocos abaixo.

A tecla # faz a função de reinicialização do sistema. Para habilitar os sensores, após a reinicialização, deve-se digitar o número de cada um deles seguido da tecla *.
O microcontrolador faz a varredura nos sensores habilitados e envia ao LCD o status desse conjunto.
Os sensores podem ser habilitados ou desabilitados por uma operação simples: digita-se "0" seguido de uma senha de quatro algarismos. Caso a senha seja válida, o LCD apresenta os números dos sensores habilitados.
Se um desses números for digitado, o LCD pergunta "Deseja desabilitar esse sensor?", se o número de um sensor desabilitado é digitado, o LCD pergunta "Deseja habilitar esse sensor?".
Após uma dessas operações, o LCD pergunta "Deseja realizar outra operação?", para disponibilizar o sistema para habilitação ou desabilitação de outros sensores.
Em caso de resposta negativa à última pergunta, o LCD volta ao modo visual normal, que mostra apenas os sensores habilitados.
Para essas três operações, a tecla * significa SIM e a #, NÃO.
Após a montagem de um protótipo, o sistema foi submetido a algumas análises e testes.
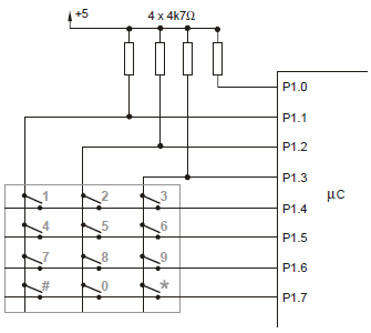
No sistema, o teclado está conectado ao port P1 conforme o esquema abaixo.

Para a leitura do teclado, o microcontrolador envia 0FH para o port P1 e identifica se há alguma tecla acionada.
Caso a tecla 5 seja acionada, os níveis lógicos do port P1 serão:
| P1.7 |
P1.6 | P1.5 | P1.4 | P1.3 | P1.2 | P1.1 | P1.0 |
Provas
Caderno Container