Foram encontradas 1.410 questões.
Com relação aos instrumentos de medidas elétricas convencionais (analógicos), é correto afirmar que para ligar um
Provas
Considere o circuito abaixo.

Corresponde ao valor da corrente I, em ampères:
Provas
A relação entre uma relação combustível-ar qualquer e a relação estequiométrica de um determinado combustível é denominada Fração relativa − Fr.
Nos motores de combustão interna, para Fr<1, temos uma mistura pobre. A ocorrência da mistura muito pobre pode
Provas
Em grandes sistemas de resfriamento de ar são utilizadas torres de arrefecimento cuja finalidade é
Provas
O ciclo de refrigeração a compressão de vapor, mostrado abaixo, compõe um sistema.

Na condição de ciclo ideal, o calor retirado do sistema é a diferença entre as entalpias dos pontos
Provas
Em um conjunto, os elementos de apoio de eixo são denominados mancais. Mancais de deslizamento, em relação aos mancais de rolamento, apresentam
Provas
Na designação da mais utilizada rosca métrica para fins de acionamento, os dados referentes ao diâmetro e ao passo são antecedidos por
Provas
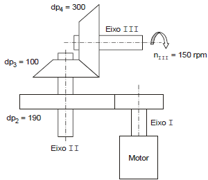
Para o acionamento de uma máquina por meio de um pinhão cônico, montado no eixo III, do sistema de transmissão esquematizado abaixo, dispõe-se de um motor de 10 CV e 1800 rpm.

Conhecido o módulo de 2,5 mm do par de engrenagens cilíndricas e os diâmetros primitivos das engrenagens 2, 3 e 4, indicados no esquema, conclui-se que
Provas
As notações das tensões de tração ou de compressão dos trechos I e II são, respectivamente, \( \sigma_I \) e \( \sigma_{II}. \) Portanto, em valor absoluto, \( \sigma_I \) é igual a
Provas
A barra escalonada da figura tem diâmetros d e 2d nos trechos I e II, respectivamente, e a força F1 é uniformemente distribuída ao redor da coroa circular.

A barra torneada em aço apresenta no trecho
Provas
Caderno Container