Foram encontradas 730 questões.
O protocolo de comunicação Foundation Fieldbus, empregado em redes industriais, define uma rede H1 específica para a interconexão de dispositivos, como controladores, sensores e atuadores. Sobre essa rede, considere as afirmativas a seguir.
I - A transferência de dados emprega codifi cação Manchester, com uma taxa de transmissão de 31,25 kbps.
II - Os dispositivos pertencentes à rede são conectados a dois cabos: um para a transmissão de dados e outro para a alimentação.
III - O protocolo permite que um dispositivo seja conectado ou desconectado de uma rede H1 sem interromper o funcionamento da rede inteira.
Está correto APENAS o que se afirma em
Provas
A tabela abaixo apresenta os valores das tensões produzidas por um termopar tipo T para diferentes temperaturas, dadas em graus Celsius, onde a temperatura da junção de referência é de 0ºC.
| Tensões em mV | ||||||||||
| ºC | 0 | 1 | 2 | 3 | 4 | 5 | 6 | 7 | 8 | 9 |
| 0 | 0,000 | 0,039 | 0,078 | 0,117 | 0,156 | 0,195 | 0,234 | 0,273 | 0,312 | 0,352 |
| 10 | 0,391 | 0,431 | 0,470 | 0,150 | 0,549 | 0,589 | 0,629 | 0,669 | 0,709 | 0,749 |
| 20 | 0,790 | 0,830 | 0,870 | 0,911 | 0,951 | 0,992 | 1,033 | 1,074 | 1,114 | 1,155 |
| 30 | 1,190 | 1,238 | 1,279 | 1,320 | 1,362 | 1,403 | 1,445 | 1,486 | 1,528 | 1,570 |
| 40 | 1,612 | 1,654 | 1,696 | 1,738 | 1,780 | 1,823 | 1,865 | 1,908 | 1,950 | 1,993 |
| 50 | 2,036 | 2,079 | 2,122 | 2,165 | 2,208 | 2,251 | 2,294 | 2,338 | 2,381 | 2,425 |
| 60 | 2,468 | 2,512 | 2,556 | 2,600 | 2,643 | 2,687 | 2,732 | 2,776 | 2,820 | 2,864 |
| 70 | 2,909 | 2,953 | 2,998 | 3,043 | 3,087 | 3,132 | 3,177 | 3,222 | 3,267 | 3,312 |
| 80 | 3,358 | 3,403 | 3,448 | 3,494 | 3,539 | 3,585 | 3,631 | 3,677 | 3,722 | 3,768 |
| 90 | 3,814 | 3,860 | 3,907 | 3,953 | 3,999 | 4,046 | 4,092 | 4,138 | 4,185 | 4,232 |
Esse termopar será empregado como sensor de temperatura em um sistema de controle, cujo objetivo é regular a temperatura de um tanque. Na montagem do sensor, a junção fria do termopar estará submetida a uma temperatura controlada de 20ºC.
Assim, quando a temperatura do tanque, medida pela junção quente do termopar, alcançar 86ºC, a tensão total, em milivolts, entregue pelo termopar será
Provas
Entre os diversos transdutores empregados para medir temperatura estão os transdutores resistivos, que se baseiam no fato de que a resistência elétrica dos condutores varia com a temperatura. Os principais transdutores de temperatura baseados nesse princípio são os RTD (Resistance Temperature Detectors) e os termistores. Sobre esses transdutores, verifica-se que
Provas
O pseudocódigo de uma função encarregada de calcular a média das N medidas de temperatura de uma caldeira industrial, registradas no vetor temp, é apresentado a seguir.
| 1: FUNÇÃO média ( temp, N ) |
Entretanto, verificou-se que a função acima não funcionou corretamente.
Dessa forma, o pseudocódigo que soluciona o problema, substituindo as linhas de 3 a 7 na função acima é
Provas
Placas de orifício são elementos deprimogênios empregados na medição de vazão de líquidos ou gases em tubulações. Nas placas de orifício,
Provas
Sistemas operacionais multitarefa possuem mecanismos que permitem a troca de dados entre diferentes processos em execução. Genericamente, esses mecanismos são conhecidos por comunicação entre processos. O sistema operacional Windows, por exemplo, suporta uma variedade desses mecanismos. Qual mecanismo NÃO é um dos métodos de comunicação entre processos oferecidos pelo sistema Windows?
Provas

A saída Z do circuito digital combinacional acima é igual a
Provas
Em algumas arquiteturas de redes industriais emprega-se uma topologia onde todos os dispositivos estão conectados ao mesmo meio de comunicação. Nesse meio, o tráfego de informações é bidirecional e cada dispositivo pode interceptar todas as informações sendo transmitidas. Essa topologia de rede é denominada
Provas
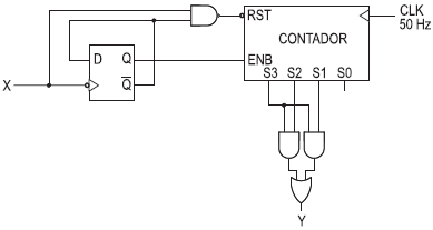
Na figura abaixo, é apresentado um circuito digital empregado na monitoração de velocidade de bicicletas em um velódromo. Nesse circuito, o flip-flop inicia a sua operação com Q = 0. O contador de quatro bits apresenta um reset (RST) assíncrono e uma entrada para habilitar a contagem (ENB), a qual inicia em 0000 e vai até 1111, permanecendo nesse último estado até que um sinal de reset lhe seja aplicado.

O sinal digital X é produzido por um sensor posicionado na pista do velódromo. Quando uma bicicleta passa pelo sensor, o sinal X apresenta dois pulsos de nível lógico alto nos instantes em que cada roda toca o sensor, conforme mostra o gráfico a seguir.

Ao passar pelo sensor, uma bicicleta com 1,2 m de distância entre as rodas produziu Y = 1 no circuito acima. Com base nos dados e nos gráficos apresentados, e considerando que o valor máximo possível da velocidade da bicicleta é representado por Vb, o valor de Vb, em m/s, é
Provas
Na figura abaixo é apresentado o circuito de um amplificador em emissor comum, onde é mostrada a forma de onda do sinal de entrada vs e o capacitor de acoplamento C é grande o suficiente para apresentar uma impedância desprezível na frequência do sinal de entrada.

Considerando que o transistor Q1 apresenta uma tensão VBE = 0,7 V, um parâmetro \( \beta \) muito elevado e uma tensão VCE de saturação desprezível, a forma de onda que melhor representa a tensão na saída vo do amplificador é
Provas
Caderno Container