Foram encontradas 1.126 questões.
Qual o tipo de polarização de uma antena bicônica?
Provas
Abaixo, estão relacionadas algumas misturas e a forma de separação das mesmas. Assinale a alternativa em que o processo de separação NÃO é adequado:
Provas
Orvalho, névoa seca, escarcha branca, relâmpago, e halo podem ser classificados como sendo, respectivamente:
Provas
Um veículo espacial tem simetria em torno do eixo z do sistema do corpo. Seus momentos principais de inércia com respeito ao centro de massa são: Ixx = Iyy = 300 kg.m2 e Izz = 500 kg.m2. O eixo z descreve um cone com ângulo de vértice 10° quando precessiona em torno do vetor momentum angular. Se a taxa de spin é igual a 6 rad/s, pode-se afirmar que:
I. O movimento de precessão é retrógrado.
II. O movimento de precessão é direto.
III. A velocidade de precessão é aproximadamente 15 rad/s.
Assinale a alternativa correta quanto às afirmações acima.
Provas
Disciplina: TI - Desenvolvimento de Sistemas
Banca: CESPE / CEBRASPE
Orgão: INPE
Em uma aplicação Java, se o carregador de classes não conseguir localizar a classe do driver de banco de dados para uma conexão JDBC (Java Database Connectivity), é lançada a exceção:
Provas
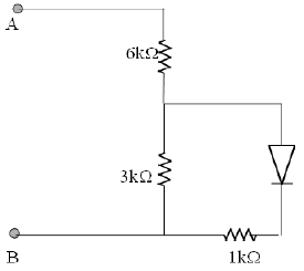
O valor da corrente através do resistor de 1kΩ da figura é: Considerar o diodo de silício e a tensão VAB = 12V.

Provas
Disciplina: Engenharia de Telecomunicações
Banca: CESPE / CEBRASPE
Orgão: INPE
Seja um sistema no qual um amplificador de baixo ruído é conectado à entrada de um receptor como mostra a figura abaixo. O amplificador de baixo ruído possui ganho igual a 100 e temperatura equivalente do ruído de entrada igual a 200 K. A temperatura equivalente do ruído de entrada do receptor é de 2700 K. A temperatura efetiva de ruído de entrada deste sistema é:

Provas
Disciplina: Engenharia de Telecomunicações
Banca: CESPE / CEBRASPE
Orgão: INPE
No caso de um transponder de satélites em modo coerente, a relação entre a portadora ascendente e descendente na faixa S de frequência é:
Provas
Benchmarking apresenta diversas definições. Dentre as opções abaixo, destaque aquela que não está associada ao conceito de Benchmarking:
Provas
Considere um sistema de modulação digital 16-QAM (modulação por amplitude em quadratura com 16 níveis). Se a taxa de bits na entrada do modulador for igual a R bits/s qual é a taxa de símbolos na saída do modulador em símbolos/s?
Provas
Caderno Container