Foram encontradas 35 questões.
Um satélite é injetado em órbita pelo veículo lançador com uma velocidade angular residual menor que 0,01 rad/s em cada eixo. Considerando que:
• Os momentos de inércia do satélite em seus eixos principais de inércia X, Y e Z são dados respectivamente por JXX = 1000 Kg.m2; JYY = 2000 Kg.m2 e JZZ = 2500 Kg.m2;
• O satélite possui quatro rodas de reação idênticas, das quais três atuam respectivamente nos eixos X, Y e Z e a quarta na direção W angularmente equidistante das demais;
• A capacidade de cada roda de reação é de 40 N.m.s;
• O satélite não dispõe de outro meio para eliminar a velocidade angular residual que não as rodas de reação.
É correto afirmar que é condição necessária para garantir que o satélite tenha capacidade de eliminar sua velocidade angular residual a afirmativa apresentada em uma das opções abaixo. Assinale-a.
Provas
Dentre as alternativas abaixo, assinale aquela que apresenta um sensor que permite calcular a atitude do satélite em três eixos sem auxílio de outros sensores embarcados?
Provas
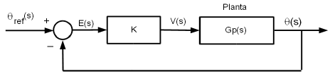
A função de transferência em malha aberta Gp(s) que modela a dinâmica de rotação de um veículo espacial em torno do seu eixo de rotação principal é dada por:
Gp(s) = !$ \dfrac{a}{s^2} = \dfrac{0(s)}{V(s)} !$
onde: q(t) = ângulo do veículo [radianos], V(t) = tensão aplicada ao mecanismo de posicionamento do veículo [Volts], a > 0. Seja o sistema de controle mostrado a seguir onde K > 0 :

Assinale, dentre as opções abaixo, aquela que apresenta a frequência de oscilação da resposta ao degrau unitário da planta em malha fechada em radianos/s:
Provas
Dois quaternions, a saber, qA e qB, possuem módulo unitário. Assinale a alternativa que apresenta uma afirmação correta quanto ao módulo do produto de qA pelo conjugado de qB:
Provas
A primeira fase de certo concurso público consiste de uma prova tipo múltipla escolha com apenas duas questões. Classificam-se para a etapa seguinte apenas os candidatos que acertam as duas questões. As duas questões são de igual nível de dificuldade e sobre temas não correlatos, de tal modo que a probabilidade de um candidato acertar as duas é igual ao quadrado da probabilidade dele acertar cada uma delas em separado. Dado que 20% dos candidatos são bem preparados, 50% são moderadamente preparados e os demais são despreparados, e que a probabilidade de cada candidato acertar cada questão seja 100% para os bem preparados, 60% para os moderadamente preparados e 20% para os despreparados. Indique a alternativa que apresenta a probabilidade de que um candidato classificado para a etapa seguinte seja do tipo bem preparado:
Provas
Em relação ao sistema de eixos do corpo, o vetor velocidade angular de um corpo rígido é expresso por Ω = t29!$ \vec i !$ + 4!$ \vec j !$+ 2t!$ \vec k !$ (rad/s), onde !$ \vec i !$,!$ \vec j !$ e !$ \vec k !$ denotam os vetores da base ortonormal do sistema de eixos do corpo. A matriz de inércia em torno do centro de massa é dada por:
!$ [I]= \begin{bmatrix} 10 & -0 & 0 \\ 0 & 20 & 0 \\ 0 & 0 & 10 \end{bmatrix}kg.m^2. !$
Assinale a alternativa abaixo que apresenta a magnitude correta, em N.m, do momento aplicado em torno do centro de massa, no instante t = 1s:
Provas
Disciplina: TI - Desenvolvimento de Sistemas
Banca: CESPE / CEBRASPE
Orgão: INPE
Considere o programa abaixo, em linguagem C:
#include <stdio.h>
main ()
{
int ks;
ks = 3;
switch(ks)
{
case 2: printf("ks=2 ");
case 3: printf("ks=3 ");
case 4: printf("ks=4 "); break;
default: printf("ks=? ");
}
}
Assinale a afirmativa que apresenta o que seria
impresso pela execução desse programa:
Provas
Indique, dentre as opções abaixo, a opção que apresenta a inversa da matriz !$ \begin{bmatrix} 5 & 4 \\ 1 & 2 \end{bmatrix}: !$
Provas
Seja a planta em malha fechada com controlador PI mostrada a seguir onde KP = 1 e K1 > 0.

Para entrada constante 0ref(t)= 10°, a saída q(t) em regime permanente será dada por qual das alternativas abaixo?
Provas
Em relação aos autovalores e autovetores da matriz A = !$ \begin{bmatrix} 2 & 1 & 2 \\ 0 & -1 & 3 \\ 0 & 0 & 3 \end{bmatrix} !$
seguintes afirmações:
I. Os autovalores não são reais e distintos.
II. Os autovetores constituem um conjunto linearmente independente.
III. A multiplicidade algébrica de cada autovalor é igual à sua multiplicidade geométrica.
Assinale a alternativa correta quanto às afirmações acima.
Provas
Caderno Container