Foram encontradas 1.192 questões.
O número mínimo de bits necessários para selecionar as portas do multiplexador e a taxa de amostragem máxima de cada sensor, respectivamente, são:
Provas
• R1: 50 mΩ, tolerância de 0,5% e potência de 500mW;
• R2: 100 mΩ, tolerância de 0,5% e potência de 500mW; e
• R3: 100 mΩ, tolerância de 1% e potência de 1W.
A respeito do desempenho de cada um destes três resistores caso aplicado no sensor de corrente elétrica, analise os itens a seguir:
I. O resistor R1 permite medir uma faixa maior de valores de corrente elétrica em comparação com o R2.
II. Em relação à precisão, não há diferença no emprego de R2 e R3, uma vez que ambos têm o mesmo valor de resistência.
III. Em termos de faixa de valores de corrente elétrica, os resistores R1 e R3 possuem capacidades de medição idênticas.
Está correto o que se afirma em
Provas
Sabendo que o resistor permanecia em 25 ºC antes do início teste, durante a execução do teste este resistor atingirá a temperatura, em ºC, de:
Provas
Texto IV
As atividades relacionadas à Montagem, Integração e Teste de Satélites (AIT) desempenham um papel de suma importância na preparação de uma espaçonave para suas operações no espaço. Este processo, caracterizado pela meticulosidade e diversidade de aspectos, engloba uma série de etapas cruciais voltadas para assegurar a funcionalidade, confiabilidade e segurança do satélite antes de seu lançamento.
Este processo pode ser segmentado em três fases distintas: montagem dos componentes individuais do satélite, integração dos diversos subsistemas para compor o satélite completo e, posteriormente, a execução de testes.
A tabela a seguir apresenta um resumo das atividades realizadas durante a sequência de ensaios, juntamente com suas respectivas durações. Cada resultado é registrado em horas e minutos (hh:mm).

O gráfico a seguir representa os dados relativos aos tempos de montagem da tabela anterior, apresentados de forma gráfica.

A tabela subsequente indica a equipe encarregada da realização das montagens em cada ensaio.

A utilização de parâmetros estatísticos, como média e desvio padrão, desempenha um papel fundamental na condução das atividades de Montagem, Integração e Teste de Satélites (AIT). Esses parâmetros fornecem uma avaliação precisa dos processos envolvidos, permitindo uma análise criteriosa e a identificação de eventuais desvios ou irregularidades ao longo das etapas de AIT.
Com base nos dados fornecidos no Texto III, assinale a opção que indica o teste que apresenta o maior desvio padrão.
Provas
( ) Para K = 75, este sistema apresenta um erro de regime permanente de 5% em relação a entrada em degrau.
( ) Para K = 300 o erro de seguimento a uma entrada em rampa é de 2%.
( ) A constante de erro de velocidade é infinita, KV = ∞.
( ) Para esse sistema não há valor positivo de K que resulte em instabilidade.
As afirmativas são, respectivamente,
Provas
Considere log 5 = 0,699 e √0,96 = 0,98.

I. Caso este sistema seja submetido a uma entrada periódica com frequência de 15 rad/s ocorrerá uma ressonância e a amplitude da saída tenderá linearmente ao infinito.
II. Este sistema é subamortecido e apresenta resposta ao degrau com comportamento oscilatório amortecido com frequência de aproximadamente 2,34 Hz.
III. O ganho DC desse sistema é aproximadamente -14 dB.
Está correto o que se apresenta em:
Provas
Uma das tecnologias utilizadas pela indústria 4.0 é a manufatura aditiva, que é definida como o
Provas
A medição de nível de líquidos e sólidos armazenados tem papel fundamental na indústria atual, com base nisso relacione as tecnologias de medição de nível com suas principais características.
1. Tipo Ultrassônico
2. Tipo Deslocador
3. Tipo Capacitivo
4. Tipo Radar
( ) Usado para fluídos limpos e não recomendado para líquidos viscosos, com sólidos em suspensão ou pastas. Não sofre influência de espumas ou vapores.
( ) Usa sinais de corrente de radiofrequência e depende das características elétricas do material sob medição e da geometria do tanque.
( ) Medição é afetada pela presença de bolhas ou espuma na superfície. Acúmulo de condensação e poeira no transdutor reduz a precisão. Não funciona em ambientes com vácuo ou alta pressão.
( ) Sem partes móveis e opera sem contato com o objeto a ser medido. Alcance limitado na medição de líquidos não condutivos.
Assinale a opção que indica a relação correta na ordem apresentada.
Provas

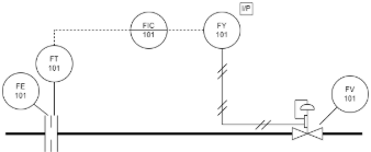
( ) O elemento final de controle de fluxo é acionado de forma pneumática e possui um posicionador.
( ) O controlador de fluxo está montado em um painel local, acessível ao operador.
( ) Toda comunicação entre transmissor, controlador e conversor é por meio de rede ethernet em protocolo Fieldbus.
( ) A principal função do conversor FY-101 é permitir controlar a porcentagem de abertura da válvula, invés de apenas se a válvula está aberta ou fechada.
As afirmativas são, respectivamente,
Provas
Ao se comparar com o Wi-Fi e o Bluetooth, que são outras duas tecnologias bastante usadas em redes sem fio, pode-se citar como uma das poucas desvantagens da tecnologia LoRa o seguinte aspecto:
Provas
Caderno Container