Foram encontradas 884 questões.
Acerca da operação de usinas hidrelétricas, assinale a opção
correta.
Provas
Questão presente nas seguintes provas
Nos transformadores de potência,
Provas
Questão presente nas seguintes provas
- Circuitos Elétricos
- Sistemas Elétricos de PotênciaAnálise de SEPFluxo de Potência, Estabilidade e Regulação
Figura 29A01

Provas
Questão presente nas seguintes provas
Figura 29A01

Provas
Questão presente nas seguintes provas
O comportamento do capacitor em corrente contínua e em
corrente alternada de elevada frequência pode ser descrito,
respectivamente, como
Provas
Questão presente nas seguintes provas

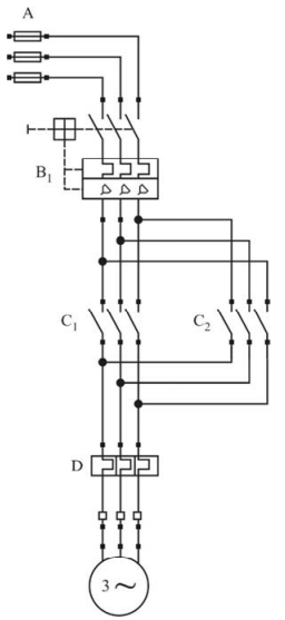
O esquema de ligação dos terminais e enrolamentos do motor representado na figura precedente é do tipo
Provas
Questão presente nas seguintes provas
Um enfeite de natal é composto por 50 lâmpadas de LED
idênticas, conectadas em série, conforme mostra a figura a
seguir.

Nessa situação, se o circuito for alimentado por uma fonte de tensão de 110 V, para que a queda de tensão e a potência consumida por cada lâmpada sejam respectivamente iguais a 1,5 V e 3 mW, a resistência RS deverá ter valor igual a

Nessa situação, se o circuito for alimentado por uma fonte de tensão de 110 V, para que a queda de tensão e a potência consumida por cada lâmpada sejam respectivamente iguais a 1,5 V e 3 mW, a resistência RS deverá ter valor igual a
Provas
Questão presente nas seguintes provas

Considerando-se a placa mostrada na figura precedente, que presta informações de uma máquina elétrica, é correto afirmar que ela pode funcionar continuamente com uma tolerância de sobrecarga de
Provas
Questão presente nas seguintes provas
Um motor possui corrente nominal de 10 A, com relação IP/IN de
5. Assim, o valor da corrente de partida desse motor é igual a
Provas
Questão presente nas seguintes provas

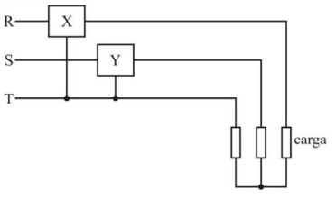
Com base no sistema elétrico trifásico representado na figura precedente, para se medir a potência trifásica desse sistema, os equipamentos X e Y devem ser, respectivamente, um
Provas
Questão presente nas seguintes provas
Cadernos
Caderno Container