Foram encontradas 817 questões.

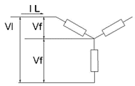
Sobre o diagrama do circuito trifásico acima, considere as seguintes afirmativas:
1. Vl é chamado tensão de linha, e seu valor é igual Vf, que é chamado de tensão de fase.
2. Vf é a tensão de fase, e seu valor é definido quando o sistema é equilibrado.
3. IL é a corrente de linha, e seu valor é igual ao valor da corrente de fase.
Assinale a alternativa correta.
Provas

Sobre o diagrama do circuito trifásico acima, considere as afirmativas abaixo:
1. Vl é chamado tensão de linha, e seu valor é 3 Vf, em que Vf é a tensão de fase.
2. Vf é a tensão de fase, e seu valor é definido quando o sistema é equilibrado.
3. IL é a corrente de linha, e seu valor é igual ao valor da corrente de fase.
Assinale a alternativa correta.
Provas
O circuito da figura abaixo é referência para a questão.

Um comando elétrico muito usual é o destinado a controlar luzes de sinalização de emergência. Considerando a situação em que o circuito cumpre exatamente essa função, numere a coluna da direita, relacionando cada elemento mencionado na coluna da esquerda com a respectiva nomenclatura.
| 1. C | ( ) Botão de pulso NF. |
| 2. D | ( ) Contator. |
| 3. A | ( ) Contatos NA do contator. |
| 4. E | ( ) Lâmpada de emergência. |
Assinale a alternativa que apresenta a numeração correta da coluna da direita, de cima para baixo.
Provas
Sobre os prefixos utilizados no Sistema Internacional de Unidades (SI) para designar múltiplos da escala natural, numere a coluna da direita, relacionando o fator multiplicador com o respectivo prefixo.
| 1. Tera. | ( ) 1012 |
| 2. Nano. | ( ) 109 |
| 3. Giga. | ( ) 10-12 |
| 4. Pico. | ( ) 10-9 |
Assinale a alternativa que apresenta a numeração correta da coluna da direita, de cima para baixo.
Provas

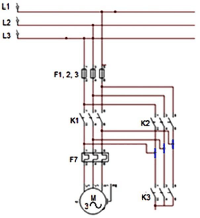
Analisando o diagrama de potência acima, assinale a alternativa que apresenta o sistema de partida do motor adotado.
Provas
Com relação às unidades das grandezas, numere a coluna da direita de acordo com sua correspondência com a coluna da esquerda.
| 1. Capacitância. | ( ) Farad. |
| 2. Fluxo magnético. | ( ) Coulomb. |
| 3. Carga elétrica. | ( ) Siemens. |
| 4. Condutância. | ( ) Weber. |
Assinale a alternativa que apresenta a numeração correta da coluna da direita, de cima para baixo.
Provas

A leitura do amperímetro A mostrado na figura acima é de 0,80 A. Nesse caso, identifique como verdadeiras (V) ou falsas (F) as seguintes afirmativas:
( ) A corrente em R1 é de 1,6 A.
( ) A corrente em R3 é de 1,2 A.
( ) A potência gerada por efeito Joule é de 12 W.
( ) A ddp Vab é de 12 V.
Assinale a alternativa que apresenta a sequência correta, de cima para baixo.
Provas
Em aços-carbono, é usual fazer tratamentos térmicos com o objetivo de alterar suas características mecânicas. Sobre o tipo de tratamento e seu resultado, considere as seguintes afirmativas:
1. A têmpera é realizada para aumentar a dureza do material.
2. O revenimento é feito em aços que já passaram pelo processo da têmpera e os torna menos quebradiços.
3. O recozimento é feito em aços que já passaram pela têmpera, devolvendo-lhes suas condições iniciais, desfazendo, assim, os efeitos da têmpera.
Assinale a alternativa correta.
Provas
Um transformador com relação de espiras de 10:1, com valores nominais 50 kVA, 2400/240 V e 60 Hz, é usado para baixar a tensão de um sistema de distribuição. A tensão do lado de baixa deve ser mantida constante e igual a 240 V. Assinale a alternativa que apresenta corretamente o valor aproximado da corrente máxima permitida no lado de baixa.
Provas
Em projeto de tubulações industriais, geralmente são feitos alguns tipos principais de desenhos de tubulações. Com relação aos tipos de desenho utilizados em desenho de tubulações, considere os seguintes itens:
1. Fluxogramas, plantas de tubulação e desenhos isométricos.
2. Desenhos de detalhes típicos, desenhos em perspectiva cavaleira e desenhos em perspectiva exata.
3. Desenho de detalhes, desenho de tubulações subterrâneas e desenho de suportes.
Em desenhos de tubulação, é/são utilizado(s):
Provas
Caderno Container