Foram encontradas 540 questões.
Com relação ao projeto das instalações elétricas, é correto afirmar:
Provas
A NBR 5410 define que a queda de tensão percentual máxima entre o quadro geral de distribuição (QGD.) e a iluminação é de 4%, quando a alimentação vem diretamente de um ramal de baixa tensão. Assinale a alternativa que atende à norma quanto à queda de tensão percentual máxima admissível.
Provas
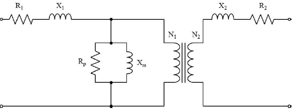
Considere a figura a seguir, que representa o circuito equivalente de um transformador:

Com base na figura e levando em conta as não idealidades presentes nos transformadores de potência, é correto afirmar:
Provas

Assinale a alternativa que apresenta a tensão no secundário de um transformador de 300 kVA, 13,8 kV - 380 V, cujo ensaio de regulação de tensão percentual resultou em um valor de 2,1%.
Provas
Sobre transformadores de potência, assinale a alternativa correta.
Provas

Dado um sistema trifásico de cargas com suas respectivas impedâncias conforme ilustrado na figura ao lado, assinale a alternativa que apresenta as correntes I1, I2 e I3, respectivamente.
Provas

Considerando o transformador da figura acima sem perdas, qual é o valor da corrente Ip?
Provas

No circuito trifásico equilibrado representado acima, sabe-se que as correntes Ia e Ib têm mesmo valor em módulo, igual a 10 A. Qual será o módulo do valor de Ic?
Provas
Sobre transformadores, assinale a alternativa INCORRETA.
Provas

Assinale a alternativa que apresenta a potência total entregue às cargas resistivas de um circuito trifásico !$ \triangle !$-Y de corrente alternada, conforme mostrado acima.
Provas
Caderno Container