Foram encontradas 540 questões.
Sobre os circuitos trifásicos, assinale a alternativa correta.
Provas
Considere as seguintes afirmativas sobre as principais grandezas elétricas:
1. A resistência elétrica de um condutor varia diretamente com o valor da corrente elétrica que o percorre.
2. A potência elétrica consumida por qualquer equipamento depende da corrente elétrica que passa através dele e da diferença de potencial ao qual está submetido.
3. A resistência elétrica de um condutor, dependendo se em CC ou CA, pode ser medida em ohm ou faraday.
Assinale a alternativa correta.
Provas
Com relação à intensidade do campo magnético no centro de uma espira circular formada por um fio condutor percorrido por uma corrente elétrica constante, assinale a alternativa correta.
Provas
Uma usina hidrelétrica com turbinas tipo Francis pode ter estrutura civil, mecânica, elétrica, eletrônica e de automatismo que permita que seus geradores operem como se fossem compensadores síncronos. Essa modalidade de operação é muitas vezes chamada de “operação motorizada do gerador”, e apresenta vantagens para a usina e para o sistema elétrico ao qual a usina está conectada. Uma das vantagens dessa modalidade é que se pode:
Provas
Com relação a atividades a serem desenvolvidas em áreas classificadas, considere as seguintes afirmativas:
1. Os trabalhos em áreas classificadas devem ser precedidos de treinamento específico, de acordo com o risco envolvido.
2. Nas instalações elétricas de áreas classificadas ou sujeitas a risco acentuado de incêndio ou explosões, devem ser adotados dispositivos de proteção, como alarme e seccionamento automático, para prevenir sobretensões, sobrecorrentes ou outras condições anormais de operação.
3. Os serviços em instalações elétricas nas áreas classificadas somente poderão ser realizados mediante permissão para o trabalho com liberação formalizada, realizando-se a desenergização elétrica ou supressão do agente de risco que determina a classificação da área.
4. Os trabalhos em áreas classificadas só poderão ser realizados sem permissão para o trabalho se forem realizados por profissional qualificado.
Assinale a alternativa correta.
Provas
Se em uma instalação tivermos o condutor neutro e o condutor terra independentes, porém juntando-se antes do eletrodo de terra, é correto afirmar que estamos diante de um sistema:
Provas
Conforme estabelece a NR-10, a desenergização elétrica deve ser realizada de acordo com a seguinte sequência:
Provas

A figura ao lado ilustra um wattímetro de corrente alternada existente em um painel elétrico. Esse tipo de instrumento de medição destina-se à medição da potência e possui internamente duas bobinas fixas, chamadas bobinas de corrente, e uma bobina móvel, chamada bobina de tensão.
Quanto à forma de conexão de um wattímetro, assinale a alternativa correta.
Provas

Considerando o circuito ao lado, assinale a alternativa que apresenta o módulo correto da tensão V0.
Provas
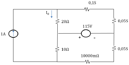
Considerando o circuito ao lado, assinale a alternativa que apresenta o módulo correto da corrente I0.

Provas
Caderno Container