Foram encontradas 967 questões.
No croqui de um detalhamento estrutural foram encontradas as seguintes seções transversais de pilares, representadas na Figura abaixo.

Sabendo-se que, em todos os casos, esses aços são inferiores a 12,5% da menor dimensão transversal, estão de acordo com o especificado na NBR 6118:2008 (Projeto de estruturas de concreto – Procedimentos) apenas os pilares
Provas
Em estruturas de concreto armado, quando não se conhece o valor do módulo de elasticidade do aço, a NBR 6118:2008 (Projeto de estruturas de concreto – Procedimentos) recomenda, para os aços das armaduras passivas e para os fios e cordoalhas das armaduras ativas, os valores, em GPa, respectivamente, de
Provas
Uma obra utiliza fôrmas em tábuas de madeira para a estrutura. Será executado um total de 200 m2, dos quais, em 10% das fôrmas, serão utilizadas tábuas de 10 cm de largura; em 30%, tábuas de 20 cm. No restante, serão utilizadas tábuas de 30 cm de largura.
A quantidade de tábuas de 5 m de comprimento, sem perdas, para cada largura é:
| Larg. de 10 cm |
Larg. de 20 cm | Larg. de 30 cm |
Provas
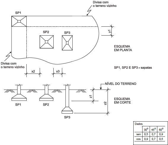
Considere os dados e croquis a seguir, que representam parte das fundações de uma obra, cujo solo é pouco resistente.

Considerando-se que z1 atende às condições da norma e sabendo-se que x3 = 2,70 m, o maior valor de z2, em m, vale
Provas
Considere os dados e croquis a seguir, que representam parte das fundações de uma obra, cujo solo é pouco resistente.

Considerando-se que a cota z1 se refere à medida da profundidade do fundo das sapatas SP1 e SP2, as escavações para a execução dessas sapatas deverão ter profundidade de z1 + e1, onde e1 é denominada espessura de lastro e vale, em cm, no mínimo,
Provas
Considere os dados e croquis a seguir, que representam parte das fundações de uma obra, cujo solo é pouco resistente.

Considerando-se que a sapata SP1 tem base com dimensões maiores que 1,0 m, a cota z1 vale, em m, no mínimo,
Provas
Observe os croquis e os dados a seguir, que representam as escavações a serem realizadas na terraplanagem de uma obra.

A área total de escavação (em planta), em m2, vale
Provas
Disciplina: Segurança e Saúde no Trabalho (SST)
Banca: CESGRANRIO
Orgão: Liquigás
No projeto de uma nova sede para a empresa, o projetista está analisando os elementos arquitetônicos relacionados à acessibilidade, conforme estabelecido na NBR 9050:2004 (Acessibilidade a edificações, mobiliário, espaços e equipamentos urbanos). No acesso, há um conjunto de três degraus, cada um com 16 cm de altura. Nos estudos iniciais, haviam sido feitos três estudos de rampas para vencer esse desnível, conforme esquematizado a seguir.

Conferindo com o estabelecido na norma, o projetista verificou que está(ão) de acordo com a norma a(s) rampa(s)
Provas
Um determinado pátio de estacionamento para caminhões será construído e pavimentado, considerando-se o uso por caminhões de 1 eixo dianteiro de 2 rodas (1 roda de cada lado) e 2 eixos traseiros de 4 rodas por eixo (2 rodas para cada lado, por eixo). O peso total de cada caminhão carregado é de 314 kN distribuídos, para efeito de cálculo, igualmente em todas as rodas. Os pneus desses caminhões formam nas superfícies de contato, para simplificação dos cálculos, círculos com base conforme indicado no croqui a seguir.

A pavimentação será em peças de concreto. Foram consultados cinco fornecedores, dos quais foi solicitada, dentre outras características, a espessura nominal dos pisos, cujos valores estão na Tabela a seguir.
|
Fornecedor |
Espessura nominal (mm) |
| F1 | 40 !$ \pm !$ 5 |
| F2 | 50 !$ \pm !$ 2 |
| F3 | 60 !$ \pm !$ 2 |
| F4 | 80 !$ \pm !$ 2 |
| F5 | 80 !$ \pm !$ 5 |
Consultando-se a NBR 9781:2013 (Peças de concreto para pavimentação – Especificação e métodos de ensaio), verifica-se que, com relação à espessura das peças, estão em conformidade com a norma, apenas os fornecedores
Provas
Um determinado pátio de estacionamento para caminhões será construído e pavimentado, considerando-se o uso por caminhões de 1 eixo dianteiro de 2 rodas (1 roda de cada lado) e 2 eixos traseiros de 4 rodas por eixo (2 rodas para cada lado, por eixo). O peso total de cada caminhão carregado é de 314 kN distribuídos, para efeito de cálculo, igualmente em todas as rodas. Os pneus desses caminhões formam nas superfícies de contato, para simplificação dos cálculos, círculos com base conforme indicado no croqui a seguir.

A pressão transmitida para o piso, por superfície de contato, em MPa, é
Provas
Caderno Container