Foram encontradas 300 questões.

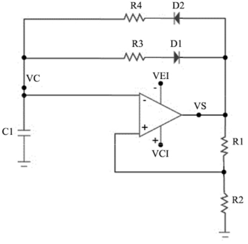
Considerando-se a figura precedente, que representa um amplificador operacional no qual as resistências R1, R2, R3 e R4 são iguais, é correto afirmar que
Provas
Questão presente nas seguintes provas
Acerca da operação dos amplificadores operacionais, julgue os itens
subsequentes.
I Na prática, quando a tensão entre as entradas é zero, a tensão de saída é zero.
II Existe uma máxima taxa de variação no tempo da saída do amplificador que limita tanto a tensão de saída quanto a frequência.
III Se a entrada for um sinal senoidal, a saturação se manifestará como um afundamento no sinal de saída.
Assinale a opção correta.
I Na prática, quando a tensão entre as entradas é zero, a tensão de saída é zero.
II Existe uma máxima taxa de variação no tempo da saída do amplificador que limita tanto a tensão de saída quanto a frequência.
III Se a entrada for um sinal senoidal, a saturação se manifestará como um afundamento no sinal de saída.
Assinale a opção correta.
Provas
Questão presente nas seguintes provas

O circuito eletrônico ilustrado anteriormente corresponde ao circuito genérico de um
Provas
Questão presente nas seguintes provas

Com base no circuito precedente, que usa um amplificador operacional, julgue os próximos itens.
I Se R3 e R4 tiverem valores de resistividade diferentes, a amplitude no semiperíodo positivo será diferente da amplitude no ciclo negativo.
II Quando V+ é maior que V-, o capacitor entra no modo de carregamento.
III O circuito é um tipo de oscilador de realimentação positiva.
Assinale a opção correta.
Provas
Questão presente nas seguintes provas
Acerca dos conversores CC-CC, assinale a opção correta.
Provas
Questão presente nas seguintes provas
Em relação à eletrônica digital, assinale a opção correta.
Provas
Questão presente nas seguintes provas
Tendo em vista que existem diversas aplicações dos diodos para
o processamento de sinais alternados e contínuos, assinale a
opção correta, a respeito dos dispositivos baseados em elementos
passivos e diodos.
Provas
Questão presente nas seguintes provas
Assinale a opção correta, acerca da configuração dos transistores.
Provas
Questão presente nas seguintes provas

Considerando a figura precedente, que ilustra as curvas características e a reta de carga do transistor bipolar de junção (TBJ), julgue os seguintes itens.
I Quanto maior for a resistência de coletor RC, menor será a tensão VCE de operação.
II As curvas saturadas correspondem à corrente de base.
III No caso de aumento da tensão VCC, a reta de carga manterá a mesma inclinação, mas ficará, de forma paralela, mais próxima da origem.
Assinale a opção correta.
Provas
Questão presente nas seguintes provas
No que diz respeito ao funcionamento e à polarização de
transistores bipolares, julgue os itens a seguir.
I O transistor estará conduzindo corrente na sua capacidade plena quando estiver na região de saturação, onde grandes variações na corrente de coletor acontecem com pequenas variações de tensão de coletor-emissor.
II A região de corte está associada a uma corrente de coletor muito baixa.
III A realimentação da tensão de coletor para a base pode ser utilizada para obter uma polarização mais estável em relação ao ganho, também denominada de autopolarização.
Assinale a opção correta.
I O transistor estará conduzindo corrente na sua capacidade plena quando estiver na região de saturação, onde grandes variações na corrente de coletor acontecem com pequenas variações de tensão de coletor-emissor.
II A região de corte está associada a uma corrente de coletor muito baixa.
III A realimentação da tensão de coletor para a base pode ser utilizada para obter uma polarização mais estável em relação ao ganho, também denominada de autopolarização.
Assinale a opção correta.
Provas
Questão presente nas seguintes provas
Cadernos
Caderno Container