Foram encontradas 300 questões.

Tendo como referência o circuito anterior, no qual todos os diodos são ideais e a excitação é senoidal, com amplitude de 50 V e valor médio nulo, assinale a opção correta.
Provas
Questão presente nas seguintes provas
Um transformador real com dois enrolamentos e núcleo de
material ferromagnético
Provas
Questão presente nas seguintes provas

Considerando o circuito precedente, que utiliza o circuito integrado regulador de tensão LM317, assinale a opção correta, relativa a uma aproximação para a tensão de saída.
Provas
Questão presente nas seguintes provas

Considerando-se que o circuito precedente esteja em repouso (desenergizado) para t < 0, é correto afirmar que, se va(t) for uma tensão do tipo degrau, com 10 V de amplitude e aplicada no instante t = 0, então vc(t)
Provas
Questão presente nas seguintes provas
No projeto de dispositivos magnéticos, como indutores e
transformadores, utiliza-se o conceito de circuito magnético. Em
relação a circuitos magnéticos, a relutância magnética
Provas
Questão presente nas seguintes provas

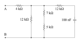
No circuito precedente, se houver um curto-circuito entre os nós A e B, o valor da corrente nesse curto será igual a
Provas
Questão presente nas seguintes provas

No circuito precedente, o valor da resistência equivalente entre os nós A e B, em condição de regime permanente, é igual a
Provas
Questão presente nas seguintes provas

No circuito precedente, o valor da tensão VAB é
Provas
Questão presente nas seguintes provas

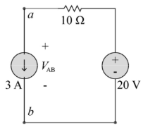
No circuito precedente, o valor da tensão Vab de circuito aberto entre os nós A e B é igual a
Provas
Questão presente nas seguintes provas

No circuito ilustrado anteriormente, conforme a polaridade indicada, o valor da tensão VAB é
Provas
Questão presente nas seguintes provas
Cadernos
Caderno Container