Foram encontradas 50 questões.
Examine o diagrama esquemático elétrico.

Considerando o filtro ativo, representado no diagrama, onde todos os componentes se comportam de forma ideal, é correto afirmar que o "terra virtual" do circuito é o nó
Provas
Para o cálculo da queda de tensão em um resistor de 18,11 \( \Omega \) é registrada uma corrente de 2,85 A. Calcule a queda de tensão no resistor e assinale a resposta correta com o número adequado de algarismos significativos.
Provas
Examine o diagrama esquemático elétrico abaixo.

Assinale a opção que apresenta o valor da indutância equivalente do circuito, supondo não haver acoplamento mútuo.
Provas
Determine a corrente necessária para carregar o dielétrico de um capacitor, para que ele acumule uma carga de 30 Coulombs após 4 segundos, e assinale a opção correta
Provas
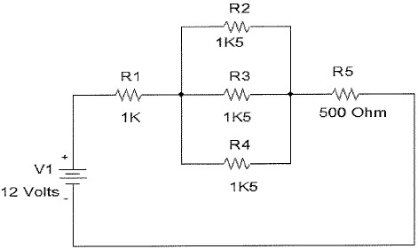
Analise o diagrama esquemático elétrico abaixo.

Assinale a opção que apresenta em WATTS (W) a potência dissipada no resistor R3.
Provas
Analise o diagrama esquemático elétrico apresentado abaixo.

Com base na análise do circuito, calcule a corrente fornecida por V1, em valor eficaz, dado que os capacitores e os indutores são ideais e V1=10 sen 40t (Volts), L1=L2=125 mH, C1=C2=5000µF, R1=10 \( \Omega \). Use \( \sqrt{2} \)=1,4.
Provas
Observe o diagrama esquemático elétrico abaixo.

Assinale a opção que indica o valor da corrente que circula no resistor R2 no circuito
Provas
Analise o diagrama esquemático elétrico abaixo.

A melhor aproximação para a frequência de corte do circuito elétrico apresentado, para uma tensão lida sobre o capacitor, é
Provas
Em um motor de CC, a armadura é a parte que
Provas
Na transmissão de um sinal, a técnica usada para reforçar o ganho da amplificação do sinal modulante na região de mais altas frequências, denomina-se
Provas
Caderno Container