Foram encontradas 50 questões.
O acúmulo de cargas estáticas, descargas atmosféricas, defeitos em linhas de transmissão, etc, são capazes de provocar interferências e danos nos circuitos elétricos, motivando quedas de tensão, picos e outros transientes indesejáveis sobre a rede elétrica de 127 volts. Os picos de tensão, apesar de terem curta duração, podem atingir valores de 500 volts ou mais. Assinale a opção que indica o nome do dispositivo semicondutor, que funciona como dois diodos ZENER ligados em anti-série, com tensão de ruptura alta nos dois sentidos (e.g. acima de 150 volts), usado para absorver os picos de tensão.
Provas
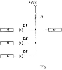
Analise o diagrama esquemático elétrico abaixo.

Em determinadas ocasiões, pode-se utilizar diodos como chaves e, quando devidamente conectados, utilizá-los para a construção de circuitos elétricos capazes de implementar as funções Boleanas E (“AND"), e OU ("OR"). Considerando o circuito elétrico representado pelo diagrama, é correto afirmar, em relação ao funcionamento ideal, que o referido circuito é capaz de implementar um
Provas
Um técnico necessita monitorar uma corrente contínua da ordem de 1500 A. Para tal, é correto afirmar que ele necessita de um transdutor
Provas
Observe o diagrama esquemático elétrico.

A bobina, de núcleo de ar, tem 4 cm de comprimento e possui 8 espiras. Ao se fechar a chave S1, passa pela bobina uma corrente de 2 A. Calcule a intensidade do campo em Ampere.espira/metro (Ae/m) na bobina e assinale a opção correta.
Provas
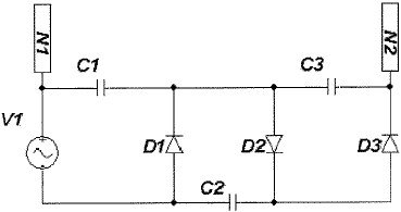
Examine o diagrama esquemático elétrico abaixo.

Considerando o circuito do diagrama esquemático elétrico, a entrada de tensão é dada pela fonte AC V1 e a saída de tensão entre os nós N1 e N2. É correto afirmar que o circuito elétrico pode ser usado como
Provas
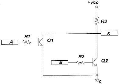
Analise o diagrama esquemático elétrico abaixo.

Considerando que o circuito elétrico representado no diagrama esquemático elétrico está dimensionado para que os transistores trabalhem nas regiões de corte e saturação, assinale a opção correta.
Provas
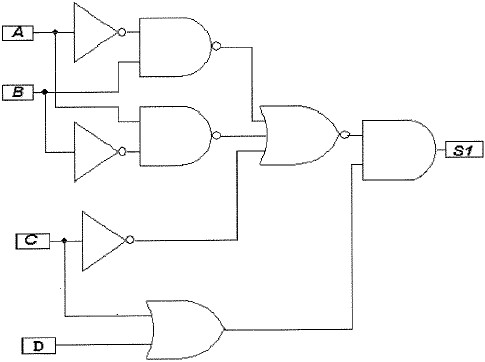
Observe o diagrama esquemático elétrico abaixo.

Com base no diagrama apresentado, assinale a opção que apresenta a função Boleana executada.
Provas
Assinale a opção que apresenta a correta utilização dos Teoremas de De Morgan.
Provas
O TIRISTOR é um dispositivo eletrônico
Provas
O DIODO ZENER às vezes é chamado de "diodo regulador de tensão", uma vez que, dependendo da topologia do circuito elétrico em que se encontra, pode ser capaz de manter uma tensão entre seus terminais constante, embora a corrente varie. Para que o diodo ZENER atue como regulador de tensão, é necessário polarizá-lo
Provas
Caderno Container