Foram encontradas 1.250 questões.
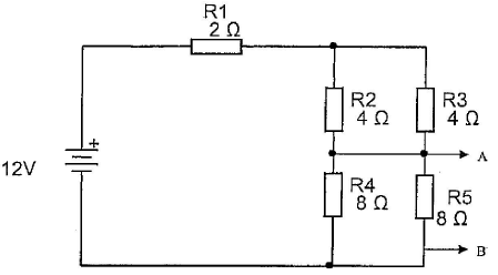
Analise o circuito a seguir.

Determine os valores da corrente (Ieg) e da resistência (Req) do equivalente "Norton", entre os pontos "A" e "B" do circuito acima e, a seguir, assinale a opção correta.
Provas
Em relação aos acopladores óticos, é correto afirmar que
Provas
O número decimal 31 corresponde, em hexadecimal, ao número
Provas
A expressão booleana \( f=\overline{AB}+\overline{\bar{A}+B} \) pode ser substituída por
Provas
Analise o circuito a seguir.

Determine os valores da tensão (Veq) e da resistência (Req), do equivalente "Thèvenin'", entre os pontos "A" e "B" do circuito acima e, a seguir, assinale a opção correta.
Provas
Uma fonte de alimentação de 30 VDC possui resistência interna de 5 \( Ω \).
O valor da resistência de carga que produz a máxima transferência de potência do gerador e o valor dessa potência máxima transferida são, respectivamente:
Provas
Analise o diagrama a seguir.

Quais serão os níveis lógicos nos pontos A, B, C e S, respectivamente, do diagrama acima, após um sinal de CLOCK?
Provas
Considerando-se a velocidade de propagação das ondas eletromagnéticas como 3 x 108 m/s, qual é o comprimento de onda para uma transmissão de 150 MHz?
Provas
A expressão lógica: \( \overline{A.B}.C + \overline{A}.B.C+ \overline{B}.C+A.C+C \) pode ser simplificada por
Provas
Na extremidade de uma linha de transmissão, é injetado um sinal de 100 mW, enquanto, na outra, são medidos 25 mW. Qual é a atenuação desta linha?
Provas
Caderno Container