Foram encontradas 1.250 questões.
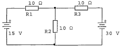
Analise o circuito a seguir.

Qual é a potência dissipada em R2, no circuito acima?
Provas
A figura de LISSAJOUS é uma técnica de medição com osciloscópio utilizada para
Provas
Um técnico deseja medir a tensão de linha de uma tomada trifásica, a corrente de um controle remoto e a tensão de uma bateria alcalina. Quais as escalas mais adequadas para o multímetro digital em cada medição?
Provas
Um circuito LC é composto por um indutor de 100 mH em paralelo com um capacitor de 10 uF. A frequência de ressonância desse circuito é de, aproximadamente
Provas
Quanto ao detetor de envoltória, assinale a opção INCORRETA.
Provas
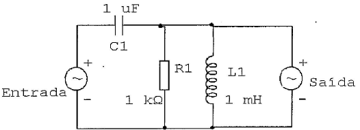
Analise o circuito a seguir.

O circuito acima corresponde a um:
Provas
Correlacione os circuitos às suas respectivas funções e assinale, a seguir, a opção que apresenta a sequência correta.
| CIRCUITOS |
FUNÇÕES |
| I- Oscilador | ( ) Amplifica o sinal de entrada. |
| II- Circuito em ponte | ( ) Gerador de Sinais. |
| III- Filtro | ( ) Permite a retificação de onda completa. |
| IV- Emissor comum | ( ) Realiza temporização. |
| ( ) Reduz a ondulação de saída do Retificador. |
Provas
Para medir a tensão e a corrente em determinado componente eletrônico, deve-se usar, respectivamente:
Provas
Observe o esquema a seguir.

O esquema acima corresponde a qual expressão "booleana"?
Provas
O equipamento utilizado para medição de resistência de isolação, podendo operar com tensões até 1000V, é denominado
Provas
Caderno Container