Foram encontradas 50 questões.
Observe o diagrama em blocos a seguir.

Diagrama em blocos de um PLL básico
Sabendo-se que o PLL é representado basicamente pela estrutura acima, os blocos A, B e C são, respectivamente:
Provas
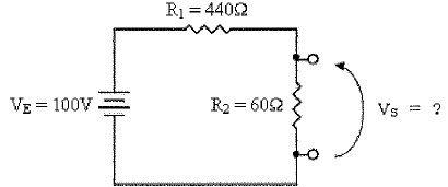
Observe o circuito a seguir.

Qual é a tensão VS do circuito acima?
Provas
A que faixa de frequências pertencem as ondas de rádio que são refletidas pelas camadas ionizadas da atmosfera?
Provas
Observe o circuito a seguir.

Voltímetro DC básico
Qual deverá ser o valor de R1 para que o valor máximo de tensão medido pelo voltímetro da figura acima seja de 100 V?
Provas
Um circuito cc (corrente contínua) de fonte de alimentação V tem uma resistência de10M!$ Ω !$ em série com um capacitor de 1μF. Qual a constante de tempo desse circuito?
Provas
Observe a figura a seguir.

Que tipo de antena é representado pela figura acima?
Provas
Observe a forma de onda a seguir apresentada na tela de um osciloscópio.

Sabendo-se que o osciloscópio acima foi ajustado para 5 V por divisão na vertical e 5 ms por divisão na horizontal, a amplitude de tensão pico a pico (Vpp) e a frequência da forma de onda apresentada, considerando a utilização de uma ponta de prova 1:1, serão, respectivamente:
Provas
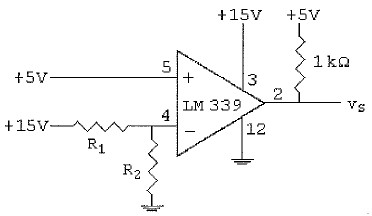
Observe o circuito a seguir.

Considerando que o amplificador operacional acima, possui em seu estágio de saída um único transistor com coletor aberto, assinale a relação entre R1 e R2 que contenha somente valores para a condição da tensão de saída, VS , igual a +5V.
Provas
Os dois sinais dados a seguir são utilizados numa modulação AM-DSB.
Sinal da portadora ➔ eo (t) = l00cos (5 .105 !$ π !$t)
Sinal modulante ➔ em(t) = 20cos(2507!$ π !$t)
De acordo com os dois sinais apresentados acima, qual será a expressão do sinal modulado?
Provas
Um amplificador de micro-ondas,que opera na faixa de 2 a 4 GHz, para uma potência de entrada de 3dBm produz uma potência de saída de 3dBW. Qual o ganho desse amplificador?
Dado: log 2 = 0,3
Provas
Caderno Container