Foram encontradas 50 questões.
Observe o circuito a seguir.

As correntes nos resistores RL e RS , e no Dz (Diodo Zener) são, em miliamperes, respectivamente:
Provas
Observe o circuito a seguir.

Qual é a corrente em Rc, a potência em Rc e a potência no diodo de silício acima, respectivamente?
Dado: VD=0, 7V
Provas
Observe o circuito a seguir.

No circuito acima, considere o amplificador operacional como sendo ideal. Nessas condições, qual a amplitude do sinal de saída,Vs , para V1 = V2 e com amplitude de 10 mV?
Provas
Um determinado amplificador de tensão possui a sua resposta de frequência total definida pelas frequências de corte f 1 = 500 Hz e f 2 = 400 kHz. Considerando que a amplitude do sinal de saída nas frequências de corte é de 70,7 mV, qual será a amplitude aproximada do sinal de saída desse amplificador na frequência de 2 kHz?
Provas
Sobre os parâmetros híbridos (h) do transistor, é correto afirmar que
Provas
Observe o circuito a seguir.

Considerando A e B como entradas e VS como saída, qual a porta lógica correspondente ao circuito acima?
Provas
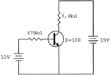
Observe o circuito a seguir.

Sendo um transistor ideal, a tensão entre a base e o emissor, e entre o coletor e o emissor são, respectivamente:
Provas
Em uma transmissão de FM estéreo, o sinal modulante a ser injetado em um modulador FM é um sinal codificado em um espectro de frequências. Nesse espectro, a porção de 23 a 53 kHz é ocupada
Provas
Analise as figuras a seguir.

Que figura acima mostra a autopolarização de um transistor de efeito de campo de junção (JFET)?
Provas
Em um transformador de potência, o seu primário está ligado a uma fonte de alimentação de 110V e possui 500 espiras. Qual é a tensão do secundário, sabendo-se que este possui 100 espiras?
Provas
Caderno Container