Foram encontradas 50 questões.
Observe a figura a seguir.

Sendo A,B,C e D as entradas do circuito lógico acima e S sua saída, qual é a expressão booleana equivalente a esse circuito?
Provas
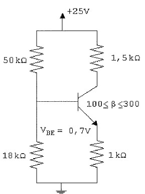
Observe o circuito a seguir.

No circuito de polarização acima, qual o valor mínimo da corrente de emissor em função da variação do !$ β !$?
Provas
Observe o circuito a seguir.

Qual é a tensão v da saída do circuito acima?
Provas
Observe o instrumento a seguir.

Sabendo-se que o amperímetro da figura acima tem uma escala de O a 1 mA e resistência interna de 50 !$ Ω !$, para que se possa medir uma corrente até 1 A, deve-se adicionar ao amperímetro um resistor de
Provas
o número hexadecimal 1FC9 no sistema de numeração decimal é igual a:
Provas
Quais são os três métodos básicos para a obtenção da modulação AM-SSB?
Provas
Coloque V (Verdadeiro) ou F (Falso) nas afirmativas abaixo, em relação aos conceitos fundamentais do eletromagnetismo, assinalando a seguir a opção correta.
( ) A intensidade do campo magnético em torno do condutor que conduz uma corrente é diretamente proporcional à intensidade desta corrente, ou seja, para uma corrente alta, o campo será grande e para uma corrente baixa, o campo será pequeno.
( ) A regra da mão direita é uma forma conveniente de se determinar a relação entre o fluxo de corrente num condutor (fio) e o sentido das linhas de força do campo magnético em volta do condutor.
( ) Os eletroímãs são amplamente usados em dispositivos elétricos como os relês.
( ) Num circuito magnético, a oposição que um material oferece à produção do fluxo magnético é chamada de relutância, que corresponde à resistência num circuito elétrico.
( ) Quanto mais espiras houver na bobina, mais alta é a tensão induzida num condutor.
Provas
Analise a Tabela da Verdade a seguir.

Qual a função que a Tabela da Verdade acima executa?
Provas
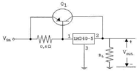
Observe o circuito a seguir.

Na fonte de alimentação representada pela figura acima, o LM340-5 é o circuito integrado (CI) regulador de tensão. Logo, é INCORRETO afirmar que:
Provas
Correlacione as memórias às suas definições e assinale a opção que apresenta a sequência correta.
MEMÓRIAS
I - EPROM
II - RAM
III- ROM
IV - PROM
DEFINIÇÕES
( ) Memória programável e apagável.
( ) Memória programável e não apagável.
( )Memória que permite a escrita e a leitura dos dados, e possui acesso aleatório.
( )Memória que permite somente a leitura dos dados.
( )Memória programável que possui acesso aleatório.
Provas
Caderno Container