Foram encontradas 1.200 questões.
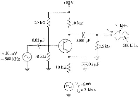
Observe a figura a seguir.

No circuito acima, o pico da portadora de entrada é de 10mV e o pico do sinal de modulação de entrada é de 8mV. Calcule o ganho de tensão quiescente (A) deste circuito, e assinale a opção correta.
Provas
Analise o circuito RC a seguir.

Assinale a opção que apresenta, respectivamente, o valor da corrente, em Ampères, e das tensões no capacitor e no resistor, em Volts, para o instante de tempo de 1 segundo após a chave S ser fechada.
Dado: e-0,5 = 0,6
Provas
Efetue a soma entre as parcelas de diferentes bases indicadas abaixo e assinale a opção correta.
(471)10 + (471)8 + (110100101)2
Provas
Assinale a opção que apresenta uma finalidade básica de um circuito PLL para sinais de entrada de frequência variável.
Provas
Analise a figura a seguir .

Qual o índice de modulação AM para a forma de onda do sinal modulado acima?
Provas
Assinale a opção que apresenta quatro linguagens características de CLP's.
Provas
Um amplificador de tensão apresenta 20dB de ganho. Se um segundo amplificador com ganho de tensão de 40dB for adicionado à saída deste amplificador, qual será o ganho de tensão total da série dos dois amplificadores?
Provas
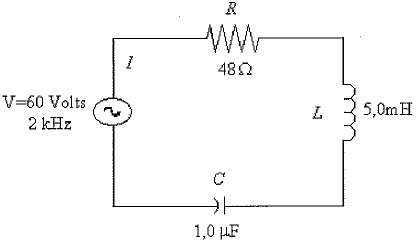
Analise o circuito RLC série a seguir.

Assinale a opção que apresenta, respectivamente, o valor da reatância capacitiva, da reatância indutiva e da reatância total, em Ohms.
Provas
Analise o circuito elétrico a seguir.

A tensão alternada de 240 Volts é aplicada através de uma carga resistiva de 40 Ohms. Determine, respectivamente, o valor da tensão de pico, em Volts; o valor da tensão eficaz, em Volts; o valor da corrente de pico, em Ampères; e o valor da corrente eficaz na carga, em Ampères, assinalando em seguida a opção correta.
Provas
Analise as tabelas abaixo e o circuito da Figura 1, integrante de um microcomputador.
Tabela Verdade de U5A
| B | A | G | Y0 | Y1 | Y2 | Y3 |
| 0 | 0 | 1 | Z | Z | Z | Z |
| 0 | 0 | 0 | 0 | 1 | 1 | 1 |
| 0 | 1 | 0 | 1 | 0 | 1 | 1 |
| 1 | 0 | 0 | 1 | 1 | 0 | 1 |
| 1 | 1 | 0 | 1 | 1 | 1 | 0 |
Tabela de Conteúdo das Memórias
| Endereço nas memórias | Conteúdo de U1 (hexa) | Conteúdo de U2 (hexa) | Conteúdo de U3 (hexa) | Conteúdo de U4 (hexa) |
| 1124 | D0 | C1 | 56 | 33 |
| 1125 | C4 | AA | D0 | FA |
| 1126 | F8 | A7 | 1E | 56 |
| 1127 | F7 | BC | 1C | 21 |
| 1128 | F6 | F0 | 10 | 20 |

A partir da Tabela Verdade de U5A e dos conteúdos do trecho das memórias U1 a U4 apresentados na Tabela Conteúdo das Memórias, assinale a opção correta correspondente ao valor lido pelo microprocessador, considerando que, durante uma operação de leitura, o barramento de endereços do microprocessador contém o seguinte valor em binário: 0101000100100110.
Provas
Caderno Container