Foram encontradas 1.200 questões.
Analise o circuito a seguir.

Considerando que a saída S do circuito combinacional acima implementa a seguinte função: S =A !$ \oplus !$ B !$ \oplus !$ Te, assinale a opção que representa a saída Ts para que o bloco seja considerado um subtrator completo.
Provas
Sabendo que para um diodo de silício a corrente de saturação dobra a cada 10º C e que em 25º C a corrente de saturação é de 5 nA, qual será o valor de sua corrente de saturação para uma temperatura de 105º C?
Provas
Analise o circuito elétrico a seguir.

Sabendo que Ri é a resistência interna da fonte de tensão contínua "V", para se produzir uma potência máxima na carga resistiva RL, determine, respectivamente, o valor de RL em Ohms, e a potência máxima, em Watts, e assinale a opção correta.
Provas
Analise a figura a seguir.

O diagrama de espectro de sinais acima representa qual tipo de sinal modulado em amplitude?
Provas
Analise a figura a seguir.

De acordo com a figura acima, assinale a opção que apresenta o comportamento da tensão coletor-emissor (aumenta, diminui ou permanece a mesma) para cada um dos seguintes defeitos abaixo.
1 - O resistor de 330 k!$ \Omega !$ está em curto-circuito.
2 - O resistor de 330 k!$ \Omega !$ está aberto.
3 - O resistor de 820 !$ \Omega !$ está em curto-circuito.
4 - O resistor de 820 !$ \Omega !$ está aberto.
5 - Sem tensão de alimentação na base.
6 - Sem tensão de alimentação no coletor.
Provas
A tensão num diodo 1N4001 é de 0,97 Volts quando a sua corrente é de 1 Ampère. Qual é a potência (W) dissipada no componente com esses valores?
Provas
Cada fase equilibrada de um gerador trifásico ligado em Y libera uma corrente de 60 Ampères para uma tensão de fase de 440 Volts e um FP de 80% indutivo. Determine, respectivamente, os valores da tensão de linha nos terminais do gerador, em Volts; o valor da potência desenvolvida em cada fase, em kilowatts; e o valor da potência trifásica desenvolvida, em kilowatts, assinalando em seguida a opção correta.
Provas
Observe a figura a seguir.

Considerando que VBE de Q1 (transistor limitador de corrente) é igual a 0,7 V, determine a corrente de carga (A) em curto-circuito e assinale a opção correta.
Provas
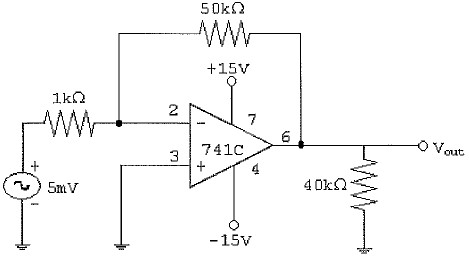
Observe a figura a seguir.

Assinale a opção que apresenta, respectivamente, a tensão de saída (Vout); a impedância de entrada de malha fechada (Zin(CL)) ; e a largura de banda de malha fechada (f2(CL)) para o circuito acima, considerando que o 741C tem uma funity igual a 1 MHz.
Provas
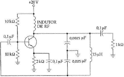
Analise a figura a seguir.

Em relação à figura acima, assinale a opção que apresenta, respectivamente, a frequência de oscilação; a fração de realimentação; e o ganho que o circuito precisa ter para oscilar.
Provas
Caderno Container