Foram encontradas 50 questões.
Segundo Gussow (1997), no livro "Eletricidade Básica", "quando um voltímetro é conectado a um circuito ele absorve uma corrente. Esta corrente produz uma queda de tensão na resistência de sua bobina que é subtraída da tensão que está sendo medida. Esta redução na tensão medida é chamada efeito de carga."
Neste contexto, procura-se calcular o valor de Kv, que é definido como a razão entre a tensão medida (quando o voltímetro está conectado ao circuito) e a tensão verdadeira (ou seja, a tensão sem o uso do voltímetro). No final das contas, o resultado obtido apresentará uma característica importante do voltímetro, de modo que o usuário possa ter o real dimensionamento da defasagem entre a leitura do voltímetro e o valor verdadeiro da tensão sobre os terminais do circuito analisado. A este valor de Kv dá-se o nome de
Provas
Assinale a opção que descreve corretamente um contato selo.
Provas
Analise a tabela verdade a seguir.
| A | B | C | S |
| 0 | 0 | 0 | 0 |
| 0 | 0 | 1 | 1 |
| 0 | 1 | 0 | 1 |
| 0 | 1 | 1 | 0 |
| 1 | 0 | 0 | 1 |
| 1 | 0 | 1 | X |
| 1 | 1 | 0 | 1 |
| 1 | 1 | 1 | 0 |
Qual é a equação simplificada da saída S de acordo com os valores das entradas A, B e C constantes na tabela verdade acima?
Obs: X = don't care
Provas
"Em frequências elevadas, a resistência de um condutor é maior do que em baixas frequências. Num condutor cilíndrico, as correntes de alta frequência circulam apenas pela superfície do mesmo, como se o condutor fosse tubular" (Nascimento, 1992). A descrição acima, refere-se a um fenômeno que causa a redução do fator de qualidade dos indutores de radiofrequência (verifica-se, ainda, que a forma de se reduzir o efeito deste fenômeno é o espaçamento entre as espiras). Tal descrição refere-se ao efeito
Provas
Assinale a opção abaixo que apresenta o resultado da soma entre os números 11001(2) e 1011(2) .
Provas
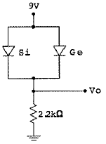
Analise o circuito a seguir.

Considerando os valores de queda de tensão nos diodos de silício e de germânio, qual é o valor da saída Vo para o circuito acima?
Provas
Os sinais que chegam até a antena receptora não possuem intensidade constante. Isso ocorre por que a potência de transmissão nem sempre é a mesma para todos os sinais emitidos; a distância que separa o transmissor do receptor varia conforme a localização dos mesmos, principalmente nos equipamentos móveis ou portáteis, alterando a atenuação final e, além disso 1 o meio de propagação oferece uma atenuação variável para o sinal transmitido devido a mudanças das condições atmosféricas ou à interposição de obstáculos no percurso entre as antenas. A fim de contornar esses inconvenientes, os receptores de rádio possuem recursos para manter constante o nível do sinal demodulado. Que recurso é utilizado nos receptores de FM para manter constante o nível do sinal demodulado?
Provas
Existe um circuito essencial para um receptor super-heteródino responsável pela recuperação do sinal modulante original presente no estágio de FI. No caso de receptores AM, com portadora, este mesmo tipo de circuito é composto, geralmente, por um diodo retificador de alta frequência, seguido por um filtro passa-baixa e, no caso de receptores para SSB, DSB/SC ou CW, utiliza-se um detetor de produto, ou seja, um circuito multiplicador composto por diodos dispostos em anel ou ponte. De acordo com as informações apresentadas, que circuito é esse?
Provas
Analise o circuito combinacional a seguir.

De acordo com o circuito acima, assinale a opção que apresenta corretamente a expressão da saída S.
Provas
Considerando a natureza da eletricidade, analise as afirmativas abaixo.
I - A quantidade de carga elétrica de um corpo é expressa em Coulomb.
II - O movimento de cargas produz uma corrente.
III - Certos cristais geram uma tensão quando vibram mecanicamente. Este fenômeno é conhecido como efeito Joule.
IV - Uma carga +Q significa que o corpo contém uma carga de 6,25 x 1018 mais prótons do que elétrons.
V - O nível de energia de um elétron é proporcional ao número de prótons existentes no núcleo.
Assinale a opção correta.
Provas
Caderno Container