Foram encontradas 170 questões.
Observe o circuito abaixo:

A corrente no circuito em série de malha simples depois que a chave é fechada é denotada por i(t) e a carga em um capacitor no instante t é denotada q(t). Sendo assim, assinale a opção que apresenta a equação diferencial obtida aplicando a 2º lei de kirchoff.
Provas
Sabendo que um fio horizontal retilíneo, feito de cobre, é percorrido por uma corrente i = 44 A e que a densidade linear do fio é 48 g/m, determine o menor campo magnético B capaz de manter o fio suspenso, ou seja, em equilíbrio com a força gravitacional e assinale a opção correta.
Dado: g=9,8 m/s2
Provas
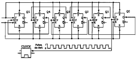
Observe a figura abaixo:

Inicialmente todos os PRE e CLR estão em nível alto e os estados Q5,Q4,Q3,Q2,Q1,Q0 = 1.
Assinale a alternativa que corresponde, respectivamente, à frequência de saída no último FF (Q5) para uma frequência de clock de entrada igual a 2Mhz e ao estado (Q5,Q4,Q3,Q2,Q1,Q0) após 130 pulsos.
Provas
Observe a figura abaixo:

Na figura representada acima, o ponto P está a uma distância R = 12 m do ponto médio de um fio retilíneo de comprimento L = 20 m, que conduz uma corrente i = 60 mA. Qual é o módulo do campo magnético no ponto P?
Dado: \( \mu_0 = 4 \pi \times 10^{-7}T.m/A \)
Provas
Considere o problema de valor inicial \( y" + 4y = \begin{cases} 1, 0 \le t < \pi \\ 0, t \ge \pi \end{cases} \), \( y(0) = 1 \) e \( y'(0) = 0 \). Determine a Transformada de Laplace \( Y(s) = L\{y(t)\} \) e assinale a opção correta.
Provas
Uma linha infinita, carregada com densidade linear \( \rho_L = 25nC/m \), está situada, no vácuo, sobre a reta x=-3, z=4, Calcule o campo E em componentes cartesianas no ponto \( P_1 (\rho = 4, φ=60º \ e \ z=2) \) e assinale a opção correta.
Provas
Observe a tabela abaixo:
| V | 0 | 1 |
| P(V) | q | 1 - q |
Considere a tabela representada acima uma variável aleatória V. Calcule o valor de E(V2) e Var (V) e assinale a opção correta.
Provas
Um capacitor de placas paralelas tem placas circulares de raio 0,85 cm e separação 1,5mm. Calcule o valor de sua capacitância e a carga que aparecerá sobre as placas ao aplicarmos uma ddp de 150 volts, e assinale a opção correta.
Dados: \( ε_0 = 8,85 . 10^{-12} F/m \) e \( \pi = 3,14 \).
Provas
A resposta ao impulso unitário no sistema LCIT é \( h(t) = (1 - 2t)e^{-2t} u(t) \). Determine a resposta do sistema \( y(t) \) se a entrada é \( x(t) = u(t) \) e assinale a opção correta.
Dado: \( u(t - a) =\begin{cases} 0, \ se \ 0 \le t < a \\ 1, \ se \ t \ge a \end{cases} \)
Provas
Sendo \( D = { \large 100xy \over z^2+1} a_x + { \large 50x^2 \over z^2+1} ay - { \large 100x^2yz \over (z^2+1)^2}az { \large c \over m^3} \), a carga total centrada em uma minúscula esfera de raio igual a 1µm, que é centrada no ponto A(5, 8, 1), tem valor igual a:
Dado: \( 4^\pi = 12,56 \)
Provas
Caderno Container