Foram encontradas 50 questões.
Em relação aos sfmbolos de tolerância, é INCORRETO afirmar que a indicação da tolerância:
Provas
Em relação aos tipos de vínculos estruturais e estruturas planas! pode-se afirmar que:
Provas
- Mecânica dos SólidosModelagem Estática e Dinâmica
- Mecânica dos SólidosElasticidade Linear, Plasticidade, Fratura, Fadiga e Flambagem
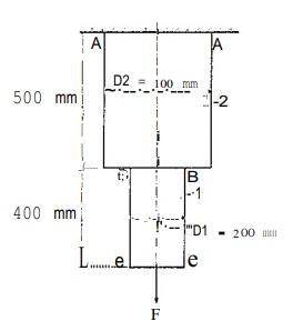
Observe a figura a seguir.

A figura acima representa uma barra de duas secções (1 e 2). As peças AB e BC são feitas de alumínio e possuem diâmetro 02 igual a 400 mm e diâmetro 01 igual a 200 mm. Sabendo que o alongamento total da peça é igual a 0,00700 mm. determine a carga F na peça e assinale a opção correta.
Dados:
Ea1 = 70 Gpa
'rt= 3100
Provas
Em um sistema operando com uma polia motora de 60cm de diâmetro e velocidade angular de 1800 rpm, qual é a velocidade angular da polia movida, sabendo-se que seu raio é de 10 cm?
Provas
Considere as afirmativas abaixo, com relação a desenho técnico.
I- O corte total atinge a peça em toda sua extensão.
li- Quando o observador imagina o corte visualizando-o de frente, a vista representada em corte é a vista frontal.
lii- Os cortes não podem ser representados em qualquer das vistas do desenho técnico.
Assinale a opção correta.
Provas
No torneamento de um eixo de aço carbono, com diâmetro "D" igual a 0,05m e comprimento "L" igual a 372mm,o tempo necessário para o operador efetuar um passe completo no eixo é de 4 min. De acordo com esses dados, calcule a velocidade de corte "!$ v !$ ", sabendo que o avanço "f" é igual a 0,5mm/rotação, e assinale a opção correta.
Dados: !$ n = {V * 1000 \over TC*º} !$
em que:
rt= 3
v = velocidade de corte, em m/min.
D = diâmetro da peça, em mm.
n = rotação, em rpm.
Provas
Observe a figura a seguir.

A figura acima mostra uma viga AB rígida com 8 m de comprimento, carregada pela força de 500N no ponto C, e a viga é apoiada por duas hastes de aço. Sabendo que as áreas das seções transversais das hastes AD e BE são iguais, medindo 250 mm2, determine as tensões nas hastes de aço AD e BE, respectivamente, e assinale a opção correta.
Provas
Em relação à tubulação e válvulas é correto afirmar que:
Provas
Analise as seguintes afirmativas a respeito de ensaios não destrutivas.
I- A inspeção por intermédio do líquido penetrante constitui uma técnica de inspeção visual. O tipo mais comum de líquido penetrante é o querosene e a substância absorvente geralmente utilizada consiste em calcário friável, na forma de pó seco ou misturada com álcool.
li- Aço, alumínio, chumbo e nfquel são materiais que podem ser ensaiados por partículas magnéticas.
lii- Os métodos radiográficos incluem os ensaios que utilizam a radiação de ondas eletromagnéticas curtas, tais como raios-X, raios-beta e raios-gama.
Assinale a opção correta.
Provas
Com relação ao processo de torneamento, assinale a opção correta.
Provas
Caderno Container