Foram encontradas 800 questões.
A respeito dos padrões elétricos e convenções, observe os símbolos padrões relacionados abaixo:

Assinale a opção que apresenta a identificação correta dos símbolos padrões acima.
Provas
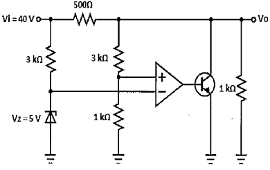
Observe a fonte regulada abaixo:

Calcule o valor da tensão de salda Vo, dado que a tensão de Zener do diodo é 5 V e a tensão de entrada Vi é 40 V, e assinale a opção correta.
Provas
O sistema de segurança de um banco é dotado de um sensor de presença no compartimento de acesso ao cofre e um sensor de abertura da porta do cofre. O gerente desse banco contratou um técnico para montar um circuito eletrônico capaz de acionar um alarme sempre que o sensor de presença detectasse o movimento de algum objeto e a porta do cofre estivesse aberta. Assim, assinale a opção que apresenta a solução realizada pelo técnico.
Dados: A = sinal do sensor de presença;
B = sinal do sensor de abertura da porta; e
S = sinal de alarme.
Provas
Uma aeronave possui uma turbina que gira a 60.000 rotações por minuto (rpm). Um gerador de corrente alternada trifásico é acoplado à turbina através de uma caixa de redução que reduz a velocidade angular para 6.000 rpm no rotor do gerador. Considerando que o gerador possui 8 polos, calcule o valor da frequência da tensão de salda do gerador nessa configuração e assinale a opção correta.
Provas
Observe a figura abaixo:

Dentre as configurações de polarização CC - TBJ mais comuns de um único estágio é correto afirmar que a figura acima corresponde a:
Provas
Analise o circuito a seguir, onde o sinal de entrada, Vi, é uma onda triangular de tensão de pico a pico de 10 V e período de 10 ms, somada a uma tensão DC de 2 V:

Considerando a região positiva do sinal de saída como região "ativa", assinale a opção que apresenta o ciclo, de trabalho (Duty Cycle) e a largura do pulso, respectivamente.
Provas
Com relação aos transistores de efeito de campo, assinale a opção INCORRETA.
Provas
Assinale a opção que apresenta o nome do documento emitido pela fiscalização da prefeitura local, o qual atesta que uma edificação foi executada exatamente conforme os projetos por ela aprovados antes do início dos serviços de construção.
Provas
Em um projeto de instalações prediais de esgoto em uma Organização Militar (OM) localizada na cidade do Rio de Janeiro foi adotado o sumidouro como solução em função das condições do local. O cálculo de dimensionamento do sumidouro será realizado em função:
Provas
Para a construção de um hangar em uma Base Aérea Naval da Marinha, será realizado um serviço de terraplenagem com escavação e movimento de terra. Será utilizado um caminhão de 10 m3 de capacidade para transportar o volume de corte de 100 m3 de argila no estado natural (antes da escavação). Sabe-se que o empolamento da argila é de 40% e, para evitar que caia material da caçamba do caminhão durante o transporte, o caminhão será carregado, em cada viagem, até o volume de 70% de sua capacidade. Assim, considerando o empolamento do solo, qual é o número mínimo de viagens que o caminhão terá que realizar?
Provas
Caderno Container