Foram encontradas 800 questões.
Analise o circuito a seguir, onde os diodos Zener apresentam tensão de ruptura de Zener Vz e tensão de polarização direta Vd:

Calcule os valores máximo, mínimo e médio, respectivamente, da tensão de saída Vo do circuito acima e assinale a opção correta.
Provas
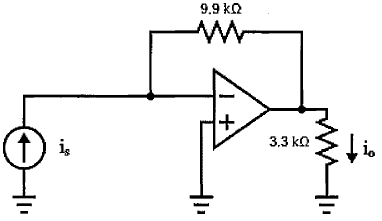
Observe o circuito abaixo:

Considerando o amplificador operacional ideal, calcule a corrente io , dado is = 3 mA, e assinale a opção correta.
Provas
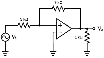
Observe o circuito abaixo:

Considere que o amplificador operacional possui ganho A = 15 V/V e resistências de entrada ri = 6 k!$ Ω !$ e de saída r0 = 1 k!$ Ω !$, não podendo ser aproximado por um amplificador operacional ideal. Determine o ganho Vo/Vi, aproximadamente, e assinale a opção correta.
Provas
Redes trifásicas podem ser representadas por equivalentes em rede "delta" ou rede "Y", conforme as figuras abaixo.

Dado que uma rede apresenta um equivalente em rede delta com valores de !$ R_1 !$, !$ R_2 !$ e !$ R_3 !$ de 20 !$ Ω !$, 40 !$ Ω !$ e 60 !$ Ω !$, respectivamente, calcule os valores de !$ R_a !$, !$ R_b !$ e !$ R_c !$ da rede Y equivalente, aproximadamente, e assinale a opção correta.
Provas
Observe o circuito abaixo:

Para o circuito acima, quantos pulsos de clock são necessários para que toda a informação do registrador X seja passada para o registrador Y?
Provas
Simplifique a expressão !$ S=(B+\bar{C})(\bar{B}+C)+\overline{A+B+C}+\bar{B}C !$ e assinale a opção correta.
Provas
Quantos flip-flops são necessários para construir um contador binário que conte de 0 a 511?
Provas
Um anel de resistência elétrica !$ R=200 \,Ω !$ está submetido a um campo magnético variável senoidal que resulta em uma variação de fluxo magnético !$ \Delta φ/ \Delta t=2.\sin(120 \pi .t) !$ Wb/s no anel. Assim, calcule o valor máximo da potência dissipada no anel e assinale a opção correta.
Provas
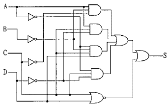
Observe o circuito abaixo:

Assinale a opção que apresenta a expressão lógica S do circuito acima.
Provas
Durante uma viagem, um console do Sistema de Combate do submarino S-00 parou de funcionar. Um Cabo técnico em eletrônica foi acionado e, após realizar uma pesquisa de avaria, identificou o problema em um flip-flop D. Ao consultar os itens disponíveis no paiol de sobressalentes, encontrou apenas portas lógicas (AND, OR, NAND, NOR, INVERSORA) e flip-flops do tipo J-K. Assim, assinale a opção que apresenta a solução implementada para consertar o console.
Provas
Caderno Container