Foram encontradas 100 questões.
Um sinal de tensão com offset zero varia de forma senoidal com período 0,01 s e tensão pico a pico de 24V.
Calcule, respectivamente, a frequência e a tensão de pico desse sinal e assinale a opção correta.
Provas
Em relação ao uso e programação de Controladores Lógicos Programáveis, marque a opção INCORRETA.
Provas
Observe a figura abaixo:

Considerando que os diodos representados na figura acima são idênticos, determine o valor da corrente !$ I !$ Dt, que circula pelo diodo D1 e assinale a opção correta.
(Dados: V0 = 0,7 V e as resistências internas dos diodos são nulas)
Provas
Observe o circuito abaixo:

A expressão booleana executada pelo circuito apresentado acima é igual a:
Provas
Em um amplificador operacional ideal, quais são, respectivamente, a ddp entre seus terminais de entrada e seu ganho em malha aberta?
Provas
Considere o diagrama LADDER do sistema de automação abaixo.

No diagrama acima, os dispositivos rotulados com prefixo "A" representam atuadores, "F" ferramentas acionadas, "S" sensores e "B" botões. Os sinais provenientes dos botões são momentâneos (ocorrem em pulso). Assim, assinale a opção correta.
Provas
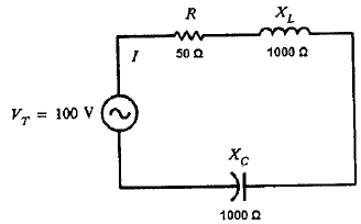
A figura abaixo apresenta um circuito ressonante em série, calcule a potência real consumida na ressonância e assinale a opção correta.

Provas
Observe o circuito com transformadores apresentado abaixo:

Considerando que os transformadores são ideais, calcule as perdas por efeito joule do sistema e assinale a opção correta.
Provas
Um diodo de germânio em série com um resistor de 100!$ Ω !$ está alimentado por uma fonte de tensão DC de 8V. Calcule, respectivamente, a queda de tensão no diodo quando ele está polarizado diretamente e quando reversamente e assinale a opção correta.
Provas
Um Amperímetro de 300A de fim de escala com classe de exatidão de 1,5 apresentou em uma medição o valor de 140A. Calcule o erro absoluto na medição e assinale a opção correta.
Provas
Caderno Container