Foram encontradas 50 questões.
Em um capacitar com 200μF, aplica-se uma tensão v = 125sen(80t). Assim, a expressão da corrente nesse capacitar é igual a:
Provas
Em relação aos diodos zener, analise as afirmativas a seguir e assinale a opção correta.
I- O diodo zener é o elemento principal dos reguladores de tensão, mantendo a tensão na carga quase constante, independente da variação na tensão de linha e na resistência de carga.
II- O diodo zener polarizado diretamente mantém a tensão na saída constante, embora a corrente nele varie.
III- Um resistor de limitação é sempre usado em paralelo com o diodo zener, para limitar a corrente do diodo zener a um valor abaixo da sua corrente máxima nominal.
Provas
Com relação aos diodos semicondutores, analise as afirmativas abaixo e assinale a opção correta.
I- Quando o diodo está polarizado diretamente, a tensão na qual a corrente começa a aumentar é chamada de tensão de ruptura, sendo aproximadamente igual a 0, 7 V para diodos de Germânio.
II- O diodo ideal age como uma chave que fecha quando polarizado diretamente e abre quando polarizado reversamente.
III- O diodo é formado por uma junção pn, onde o lado p é chamado de catodo e o lado n é chamado de anodo.
Provas
A expressão
!$ X = \overline{ABCD} + \overline{AB}CD + \bar{A}B \overline{CD} + AB \bar{C}D + A \bar{B}CD + ABCD !$
corresponde a uma expressão booleana de quatro variáveis A,B,C e O. Marque a opção que apresenta uma minimização da função X.
Provas
Em relação à modulação QAM (Quadratura Amplitude Modu/ation), um sistema que emprega o 16-QAM, transmitindo a uma taxa de 32 Mbps, terá uma taxa de slmbolos de:
Provas
Observe o circuito abaixo.

O circuito acima exemplifica um tipo de:
Provas
Os estágios utilizados por um transmissor digital para digitalizar um sinal utilizando uma modulação do tipo PCM (Pulse Code Modulation) são:
Provas
Observe a figura abaixo.

A figura acima representa um circuito lógico de variáveis de entrada A e B e salda Y. Marque a opção que representa esse circuito na forma de uma expressão booleana equivalente.
Provas
Observe o circuito abaixo.

Calcule o valor de ID e V0 mostrados no circuito acima e assinale a opção correta.
Dados: !$ R1 = 2 K \Omega;\,e !$
!$ R2 = 4 K \Omega !$
Provas
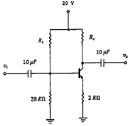
Considere o circuito abaixo.

Sabendo que a corrente no coletor Ic) é igual a 2,15 mA e a tensão entre coletor e emissor (Vce) é igual a 9,25 V, calcule os valores de R1 e Rc e assinale a opção correta.
Dados: !$ I_c \cong I_E !$
Provas
Caderno Container