Foram encontradas 1.200 questões.
Um dos objetivos da Sociedade Classificadora é:
Provas
Com relação aos gases combustíveis utilizados no processo de oxicorte, assinale a opção correta.
Provas
Segundo a NR-33, o que NÃO é previsto no plano de resgate?
Provas
Qual é a classe dos aços, de acordo com sua estrutura, que apresentam dureza muito elevada e baixa usinabilidade?
Provas
As espessuras das chapas dos navios são normalmente expressas em polegadas. Converta as seguintes medidas fracionárias de polegadas para milímetros: \( \large{3" \over 8} \), \( \large{5" \over 16} \) e \( \large{1" \over 4} \), assinale a opção correta.
Provas
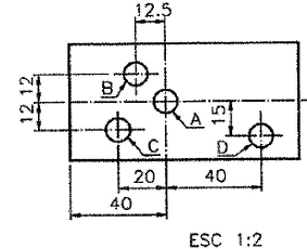
Analise o desenho técnico abaixo.

Q sistema empregado foi de cotagem:
Provas
Uma peça de seção transversal circular constante, com comprimento inicial L, está sendo submetida a uma força de tração F em sua extremidade. Considere que o material da peça obedece à Lei de Hooke (comportamento elástico linear). Calcule o alongamento da peça (\( \Delta L \)) e assinale a opção correta.
Dados:
* F: Carga axial aplicada (N);
* d: Diâmetro da peça (m);
* \( σ \): Tensão admissível do material (Pa);
* \( \pi \): Constante trigonométrica;
* L: Comprimento original da peça (m); e
* E: Módulo de Elasticidade do material (Pa).
Provas
A rugosidade desempenha um papel importante no comportamento dos componentes mecânicos. No entanto, eia NÃO influi na:
Provas
Observe a figura abaixo.

Quais são os tipos de descontinuidades em juntas soldadas apresentadas na figura acima?
Provas
Os desenhos de Construção Naval são classificados de acordo com suas respectivas destinações. Correlacione os conceitos a suas corretas definições e assinale a opção correta.
Conceitos
I - Diagrama de esforços.
II - Desenho de detalhamento.
III - Desenho de arranjo.
IV - Desenho de diagramas.
V - Desenho de arranjo geral.
Definições
( ) Destinado à fabricação e montagem das peças representadas.
( ) Onde estão representados o perfil dos conveses cobertos e as caracteristicas principais da embarcação.
( ) Mostra graficamente a composição de forças e os esforços individuais em cada peça
( ) Usado para compartimento ou grupos de compartimentos, indicam a posição exata de todas as peças de mobiliário, instrumentos, máquinas etc.
( ) Usado para representar tubulações, dutos, cabos elétricos e outros sistemas.
Provas
Caderno Container