Foram encontradas 60 questões.
Considere o esquema elétrico e as seguintes proposições:

I. A corrente de curto-circuito na extremidade do circuito terminal depende da seção dos condutores usados nos circuitos alimentador (S1) e terminal (S2).
II. Quanto maior as distâncias L1 e L2, maior é a corrente de curto-circuito na extremidade do circuito terminal.
III. A relação entre as corrente de curto-circuitos indicadas no esquema é ICC2> ICC1>ICCi.
Está correto o que consta em
Provas
Um gerador de tensão com capacidade de 200 A alimenta três motores, conforme a tabela abaixo.
| Motor | Potência (kW) | Corrente (p.u.) |
| M1 | 20 | 0,150 |
| M2 | 10 | 0,075 |
| M3 | 40 | 0,300 |
Sendo a base adotada para a corrente por-unidade igual à capacidade de corrente do gerador, a corrente total fornecida aos motores, em ampères, vale
Provas
A relutância representa
Provas
No ensaio de um motor CC do tipo shunt de 120 V, mediu-se a corrente de 2,4 A para uma determinada rotação, em RPM, e carga, em kgf.m. A potência desenvolvida no eixo do motor está de acordo com a relação:
Provas
Sobre lâmpadas e suas características, é correto afirmar:
Provas
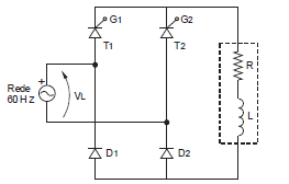
Considere o circuito abaixo.

Em relação ao funcionamento deste circuito, com carga altamente indutiva:
I. Durante todo o semiciclo positivo da tensão de alimentação, o SCR (T1), encontra-se diretamente polarizado.
II. Para o circuito entregar o máximo de potência à carga, os tiristores devem ser acionados simultaneamente a cada início de ciclo da tensão CA que alimenta o circuito.
III. Para variar a potência fornecida à carga, basta variar o ângulo de disparo dos SCRs.
IV. No instante em que o semiciclo positivo da tensão de alimentação cair para zero, a corrente na carga também cai para zero.
Está correto o que consta APENAS em
Provas
Um transistor na configuração EC tem as seguintes curvas características de entrada e saída:

Na situação onde VBE = 0,8 e VCE = 6V, o ganho de corrente β é, aproximadamente, igual a
Provas
Considere o circuito RLC abaixo.

Na frequência de ressonância, é correto afirmar que o circuito
Provas
Provas
Provas
Caderno Container