Foram encontradas 365 questões.
Uma caixa de peso P encontra-se apoiada em uma superfície.
Sendo N a força de reação normal da superfície sobre a caixa, \( \mu_e \) e \( fat_e \) o coeficiente de atrito estático e a força de atrito estático e \( \mu_d \) e \( fat_d \) o coeficiente de atrito dinâmico e a força de atrito dinâmico, respectivamente, é correto afirmar sempre que
Provas
Considere a estrutura abaixo representada.

O diagrama de momento fletor da estrutura é:
Provas
Um inversor de frequência, simplificado, é constituído por três blocos de componentes interligados em ordem certa e bem definida, a fim de converter AC/60Hz em AC/ frequência variável.

Os componentes internos básico dos Blocos I, II e III encontram-se, respectivamente, corretos, em
| Bloco I | Bloco II | Bloco III |
Provas
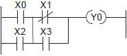
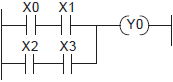
Considere as instruções abaixo.
| X0 | AND (E) | X1 |
| X2 | AND (E) | X3 |
| 0R (OU) | = | Y0 |
O programa ladder relativo às instruções encontra-se em
Provas
Considere o circuito RC abaixo.

A curva que representa a tensão elétrica presente no capacitor é
Provas
Das associações abaixo, onde todos os capacitores são exatamente iguais, a associação que apresenta o menor valor total em Farad é:
Provas
Caracteriza uma lâmpada de vapor de sódio:
|
Eficiência luminosa [lm/W] |
Índice de reprodução de cor |
Temperatura da cor |
Vida média |
Provas
Identifica corretamente a faixa de valores de tensão de barreira de potencial de diodos quando eles estão em estado de condução:
| Diodo de germânio | Diodo de silício |
Provas
Em circuitos de comando de motor trifásico é comum a utilização do fusível NH, principalmente por dois motivos:
Provas
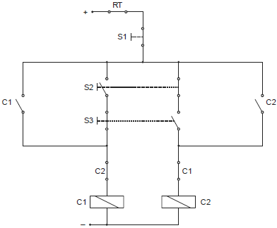
O esquema elétrico abaixo corresponde ao circuito de comando de um sistema de potência que controla a operação de um motor trifásico.

Analisando apenas o circuito de comando e tendo como referência os dispositivos D1 a D4:
D1 = chave de impulso (sem retenção) com dois contatos, sendo um NA e outro NF.
D2 = chave de impulso (sem retenção) com um contato NF.
D3 = contator com dois contatos, sendo um NA e outro NF.
D4 = contato NF do relé térmico.
Identifique os dispositivos que dele fazem parte:
| D1 | D2 | D3 | D4 |
Provas
Caderno Container