Foram encontradas 165 questões.
Provas
Os fatos contábeis (ou administrativos), classificados como permutativos, modificativos ou mistos, geram os registros realizados pela contabilidade, os quais, por sua vez, servem de base para a elaboração das demonstrações contábeis.
Considerando essa classificação, a compra de uma mercadoria e sua posterior revenda (com lucro) são fatos, respectivamente,
Provas
A partir do que estabelece a norma NBR 13752, de dezembro de 1996, relativa a perícias de engenharia na construção civil, analise os conceitos apresentados nos itens a seguir.
I Avaria é a atividade que envolve a tomada de decisão ou posição entre as alternativas tecnicamente controversas ou que decorrem de aspectos subjetivos.
II Avaliação é a atividade que envolve a determinação técnica do valor qualitativo ou monetário de um bem, de um direito ou de um empreendimento.
III Benfeitorias são obras ou serviços que se realizam em um móvel ou imóvel com o intuito de conservá-lo, melhorá-lo ou embelezá-lo, incorporados permanentemente ao bem ou ao solo pelo homem, e não podem ser retirados sem destruição, fratura ou dano.
IV Usucapião é o direito real assegurado a alguém de desfrutar, temporariamente, de propriedade alheia.
Considerando essa resolução, os conceitos corretos estão presentes nos itens
Provas
O quadro a seguir contém uma composição de custos que serão gastos em uma construção.
Composição de custos unitários
Serviço: Preparo, transporte, lançamento e adensamento
de concreto estrutural fck = 20 Mpa. Unidade: (m3 )

Se a jornada de trabalho dessa construção for de 8 horas por dia para executar 2400 m3 de concreto estrutural com 5 equipes básicas (pedreiros e serventes), a sua duração será de
Provas
Nessa viga, a seção mais solicitada à flexão é a Provas
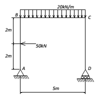
Observe a esquematização de um pórtico isostático reproduzido a seguir:

Nesse esquema, em relação à barra BC, tracionando a parte interna do pórtico,
Provas
A figura a seguir representa o diagrama de esforços cortantes de uma viga isostática.

Com base nesse diagrama, é correto afirmar:
Provas
- Edificações
- Estruturas
- Patologia
- Resistência dos Materiais e Análise EstruturalEstruturas de Concreto
A corrosão da armadura é a principal causa de patologias em estruturas de concreto armado e protendido. Por esse motivo, o engenheiro responsável pela vistoria de uma obra com corrosão deve ser capaz de identificar, corretamente, os fenômenos indutores da corrosão e definir as técnicas de avaliação de estruturas de concreto armado para diagnóstico da durabilidade e posterior planejamento de recuperação das estruturas de concreto. Sobre a corrosão do aço no concreto, considere as seguintes afirmativas.
I A carbonatação do concreto envolve a reação do ácido carbônico com o silicato de cálcio hidratado presente na pasta de cimento hidratada, provocando a despassivação da armadura.
II O ataque por cloretos ao concreto ocorre pela presença dos íons cloro livres, provocando a dissolução local da camada passivadora e a migração de íons através dela.
III A avaliação da durabilidade do concreto frente à corrosão da armadura em estruturas de concreto armado pode ser realizada com o uso de técnicas de medição do cobrimento da armadura e por meio do esclerômetro de reflexão.
IV A avaliação da durabilidade do concreto frente à corrosão da armadura em estruturas de concreto armado pode ser realizada com o uso de técnicas de medida do potencial do eletrodo de referência e da resistividade elétrica.
Das afirmativas, estão corretas
Provas
Provas
Com a finalidade de consolidar as áreas de atuação, as atribuições e as atividades profissionais, o Sistema Confea/Crea e Mútua aprovou a Resolução n. 1048/2013 – publicada no Diário Oficial da União (DOU), no dia 19 de agosto de 2013. Em relação ao engenheiro civil, tendo como base essa Resolução, considere as afirmações a seguir.
I São da competência do engenheiro civil: o estudo, o projeto, a direção, a fiscalização e a construção das obras de captação e abastecimento de água; o estudo, o projeto, a direção e a execução das instalações de força motriz.
II São da competência do engenheiro civil: trabalhos topográficos e geodésicos; o estudo, o projeto, a direção, a fiscalização e a construção de edifícios com todas as suas obras complementares.
III São da competência do engenheiro civil: o estudo, o projeto, a direção, a fiscalização e a construção das estradas de rodagem e de ferro; o estudo, o projeto, a direção e a execução das instalações mecânicas e eletromecânicas.
IV São da competência do engenheiro civil: o estudo, o projeto, a direção, a fiscalização e a construção de obras de drenagem e irrigação; o estudo, o projeto, a direção, a fiscalização e a construção das obras destinadas ao aproveitamento de energia e dos trabalhos relativos às máquinas e fábricas.
Das afirmações, estão corretas
Provas
Caderno Container