Magna Concursos

Foram encontradas 60 questões.

3306140 Ano: 2012
Disciplina: Engenharia Elétrica
Banca: FUNCAB
Orgão: MPE-RO

No circuito ilustrado na figura abaixo, um voltímetro registra uma tensão de 40 volts de queda de tensão no capacitor. A tensão da fonte E, em volts, que alimenta esse circuito é, aproximadamente:

Enunciado 3603811-1

 

Provas

Questão presente nas seguintes provas
3306139 Ano: 2012
Disciplina: Engenharia Elétrica
Banca: FUNCAB
Orgão: MPE-RO

A Resolução ANEEL nº 456/2000 define que as tensões primária e secundária de distribuição, disponibilizadas no sistema elétrico da concessionária, têm valores superiores e inferiores padronizados que correspondem em kV, a:

 

Provas

Questão presente nas seguintes provas
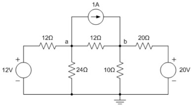
3306137 Ano: 2012
Disciplina: Engenharia Eletrônica
Banca: FUNCAB
Orgão: MPE-RO

A figura abaixo apresenta um circuito resistivo, alimentado por fontes cc, duas fontes de tensão e uma de corrente. A tensão Vb, em volts, em cima do resistor de 10 ohms, é de aproximadamente:

Enunciado 3603808-1

 

Provas

Questão presente nas seguintes provas
3306136 Ano: 2012
Disciplina: Engenharia Elétrica
Banca: FUNCAB
Orgão: MPE-RO

Nos EAS (Estabelecimento Assistencial de Saúde) existem diversos equipamentos eletroeletrônicos de vital importância na sustentação de vida dos pacientes, quer por ação terapêutica quer pela monitoração de parâmetros fisiológicos.

A NBR 13.534 divide as instalações de emergência em 3 classes, de acordo com o tempo de restabelecimento da alimentação (tempo de passagem da alimentação normal para alimentação de segurança). São elas:

 

Provas

Questão presente nas seguintes provas
Ao clicar no botão enunciado 294739-1 de uma janela, o Windows XP irá:
 

Provas

Questão presente nas seguintes provas
Nos principais aplicativos de correio eletrônico, caso sua caixa de entrada alcance o limite de armazenamento, é possível que você não possa receber mais mensagens. Algumas práticas são recomendadas para ajudá-lo a gerenciar a sua conta a fim de manter um espaço razoável de armazenamento, EXCETO:
 

Provas

Questão presente nas seguintes provas

Observe a imagem parcial do site da FUNCAB na internet e considere que, ao posicionar o cursor sobre a palavra CONCURSOS, o formato do cursor é alterado para o formato de uma mão. Na configuração padrão do Windows Internet Explorer, ao clicar sobre a imagem:

enunciado 294736-1

 

Provas

Questão presente nas seguintes provas
No Microsoft Office Excel 2003, é INCORRETO afirmar que:
 

Provas

Questão presente nas seguintes provas
No Microsoft Office Word 2003 , o ícone enunciado 294723-1 permite:
 

Provas

Questão presente nas seguintes provas
Nos termos da Lei Orgânica do Ministério Público do Estado de Rondônia, os Centros de Apoio Operacional são órgãos auxiliares da atividade funcional do Ministério Público, incumbindo-lhes, entre outras funções:
 

Provas

Questão presente nas seguintes provas