Foram encontradas 120 questões.

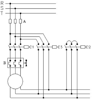
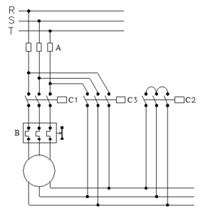
Em relação ao esquemático precedente, julgue o item que se segue.
O esquemático representa o circuito de comando de um motor trifásico.
Provas

Em relação ao esquemático precedente, julgue o item que se segue.
O dispositivo C2 está ligado na configuração triângulo.
Provas

Com base no projeto elétrico precedente, e considerando que a tensão local é de 220 V, julgue o item a seguir.
O chuveiro deve ser protegido com um disjuntor de 20 A.
Provas

Com base no projeto elétrico precedente, e considerando que a tensão local é de 220 V, julgue o item a seguir.
O cômodo apresentado, pelas características da instalação, dispensa o uso de dispositivo diferencial-residual como medida adicional de proteção.
Provas

Com base no projeto elétrico precedente, e considerando que a tensão local é de 220 V, julgue o item a seguir.
Os circuitos presentes no banheiro estão divididos conforme preconiza a norma.
Provas
Julgue o próximo item, a respeito das especificações de projetos para instalações elétricas.
Um condutor de proteção pode ser compartilhado por mais de um circuito.
Provas

Em relação ao esquemático precedente, julgue o item que se segue.
O dispositivo C1 é responsável por acionar a parte triângulo da chave estrela-triângulo de partida do motor.
Provas

Com base no projeto elétrico precedente, e considerando que a tensão local é de 220 V, julgue o item a seguir.
A tomada de 600 VA deve ser instalada a uma altura acima da pia do banheiro.
Provas
Com pertinência a ferramentas de gestão de serviços de TIC, julgue o próximo item.
Entre as ferramentas que compõem a ITIL, a qual consiste em framework para implementação de gestão de serviços de TIC, encontra-se o COBIT, o qual consiste em um conjunto de ferramentas usadas para administrar processos de TI, em busca da qualidade dos produtos de TI.
Provas
- Gestão de ServiçosITILITIL v4Gestão de Mudanças (ITILv4)
- Gestão de ServiçosITILITIL v4Gestão de Problemas (ITILv4)
Com pertinência a ferramentas de gestão de serviços de TIC, julgue o próximo item.
Uma ferramenta de gestão de problemas tem por objetivo ser capaz de detectar mudanças que impactam o sistema de TIC, como, por exemplo, a implantação de um novo software em determinado componente de comunicação da empresa.
Provas
Caderno Container