Foram encontradas 765 questões.
Considerando, ainda, as informações do texto e que o referido sistema de transporte implementa serviço de repetição de televisão (RpTV), de acordo com o estabelecido no Decreto n.º 5.371/2005, julgue os itens subseqüentes.
Considere que o sistema de transporte descrito no texto tenha sido utilizado para transportar sinais de sons e imagens oriundos de uma estação geradora de televisão para uma outra estação geradora de televisão. Nessa situação, se a programação desta última estação geradora de televisão não pertencer à mesma rede da primeira, o transporte de sinais estará em desacordo com Decreto n. o 5.371/2005.
Provas

Considerando as informações apresentadas, julgue os itens seguintes.
Seria correto o emprego da recomendação ITU-T G828, em vez da recomendação ITU-T G826, como base para as especificações de desempenho e disponibilidade do referido sistema de transporte pelo fato de esse sistema ser do tipo SDH.
Provas

Considerando as informações apresentadas, julgue os itens seguintes.
Se o enlace de microondas descrito no texto, em vez de trabalhar com rádios STM-1, operasse com rádios STM-RR, a influência do desvanecimento seletivo em freqüência seria maior, em comparação com os efeitos do desvanecimento plano, no cômputo da probabilidade total de o serviço estar fora de operação.
Provas

Considerando as informações apresentadas, julgue os itens seguintes.
A probabilidade de um enlace de microondas como o mencionado ficar fora de serviço devido a desvanecimento seletivo depende, entre outros fatores, da área de assinatura do sistema e do fator de propagação multipercurso, sendo este último dependente do fator geoclimático da região onde o enlace está ou será instalado.
Provas

Considerando as informações apresentadas, julgue os itens seguintes.
Para projetos de enlaces de microondas como o apresentado, o conhecimento do fator geoclimático é importante para a determinação da probabilidade P de o desvanecimento não-seletivo exceder determinada margem, na média do pior mês do ano. De uma maneira geral, o fator geoclimático depende, entre outros fatores, do gradiente de refratividade na região do enlace e da rugosidade do terreno. A probabilidade P, por sua vez, depende, entre outros fatores, da inclinação da linha de visada em relação ao nível do mar, da freqüência da portadora do enlace e da menor altura utilizada nas antenas do enlace.
Provas

Considerando as informações apresentadas, julgue os itens seguintes.
Caso o parâmetro K, em determinado intervalo de tempo, torne-se negativo, em vez de 4/3, como definido no texto, o referido enlace estará, nesse momento, em uma região de super-refração, e poderá haver indisponibilidade do sistema de transporte mencionado, principalmente se esquemas de diversidades não tiverem sido previstos.
Provas

Considerando as informações apresentadas, julgue os itens seguintes.
A partir da figura ilustrada, é correto concluir que, ao desobstruir-se completamente a primeira zona de Fresnel, o enlace referido está protegido de desvanecimentos do tipo seletivo em freqüência, principalmente daqueles que podem ser denominados lentos.
Provas
Figuras para os itens de 100 a 106

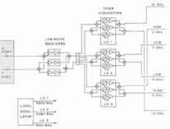
O Atlantic Bird™ 1, cujo diagrama de blocos está ilustrado na figura I, é um satélite geoestacionário do tipo bent pipe cujo ponto subsatélite está localizado em 12,5° Oeste. Esse satélite, que foi lançado em agosto de 2002 e possui, atualmente, 19 transponders ativos, foi projetado, primariamente, para que serviços de telecomunicações entre a Europa e as Américas do Sul e do Norte fossem providos. Entre as flexibilidades oferecidas por esse satélite, encontra-se a que permite que um sinal recebido de uma região de cobertura no uplink possa ser simultaneamente transmitido para todas as regiões de cobertura no downlink; sinais podem ser recebidos de uma região e ser transmitidos para as outras duas regiões de cobertura do satélite. A figura II apresenta informações complementares acerca do satélite Atlantic Bird™ 1, extraídas do sítio www.eutelsat.com. A figura III ilustra o desempenho da probabilidade de erro de bit como função da razão entre a energia de bit E b e a densidade espectral SSB do ruído AWGN N 0 para diferentes técnicas de modulação que podem ser empregadas em sistemas via satélite que utilizam o referido satélite da Eutelsat.
A partir dessas informações, julgue os itens seguintes.
Com base nas informações apresentadas, é correto inferir que o satélite Atlantic Bird™ 1 implementa um esquema de recepção semelhante ao do diagrama de blocos ilustrado na figura a seguir.

Provas
Figuras para os itens de 100 a 106

O Atlantic Bird™ 1, cujo diagrama de blocos está ilustrado na figura I, é um satélite geoestacionário do tipo bent pipe cujo ponto subsatélite está localizado em 12,5° Oeste. Esse satélite, que foi lançado em agosto de 2002 e possui, atualmente, 19 transponders ativos, foi projetado, primariamente, para que serviços de telecomunicações entre a Europa e as Américas do Sul e do Norte fossem providos. Entre as flexibilidades oferecidas por esse satélite, encontra-se a que permite que um sinal recebido de uma região de cobertura no uplink possa ser simultaneamente transmitido para todas as regiões de cobertura no downlink; sinais podem ser recebidos de uma região e ser transmitidos para as outras duas regiões de cobertura do satélite. A figura II apresenta informações complementares acerca do satélite Atlantic Bird™ 1, extraídas do sítio www.eutelsat.com. A figura III ilustra o desempenho da probabilidade de erro de bit como função da razão entre a energia de bit E b e a densidade espectral SSB do ruído AWGN N 0 para diferentes técnicas de modulação que podem ser empregadas em sistemas via satélite que utilizam o referido satélite da Eutelsat.
A partir dessas informações, julgue os itens seguintes.
Considere que N sinais de TV digital no formato DVBS/ MPEG2 à taxa de 1,5 Mbps por sinal devam ser transmitidos no modo TDMA ao transponder B6 do satélite Atlantic Bird™ 1, por diferentes estações terrenas localizadas na região atendida por esse transponder. Considere, ainda, que cada sinal, antes de ser transmitido, seja codificado convolucionalmente à taxa de codificação de
sendo que o sinal codificado modula uma portadora QPSK, cuja modulação acarreta uma eficiência espectral de 1,5 bps/Hz. Nesse caso, sabendo-se que esse sistema exige tempo de guarda entre as transmissões das diversas estações terrenas, N é necessariamente inferior a 36.
Provas
Figuras para os itens de 100 a 106

O Atlantic Bird™ 1, cujo diagrama de blocos está ilustrado na figura I, é um satélite geoestacionário do tipo bent pipe cujo ponto subsatélite está localizado em 12,5° Oeste. Esse satélite, que foi lançado em agosto de 2002 e possui, atualmente, 19 transponders ativos, foi projetado, primariamente, para que serviços de telecomunicações entre a Europa e as Américas do Sul e do Norte fossem providos. Entre as flexibilidades oferecidas por esse satélite, encontra-se a que permite que um sinal recebido de uma região de cobertura no uplink possa ser simultaneamente transmitido para todas as regiões de cobertura no downlink; sinais podem ser recebidos de uma região e ser transmitidos para as outras duas regiões de cobertura do satélite. A figura II apresenta informações complementares acerca do satélite Atlantic Bird™ 1, extraídas do sítio www.eutelsat.com. A figura III ilustra o desempenho da probabilidade de erro de bit como função da razão entre a energia de bit E b e a densidade espectral SSB do ruído AWGN N 0 para diferentes técnicas de modulação que podem ser empregadas em sistemas via satélite que utilizam o referido satélite da Eutelsat.
A partir dessas informações, julgue os itens seguintes.
Caso o satélite Atlantic Bird™ 1 descrito tenha seu ponto subsatélite deslocado de 1 o para Oeste da sua posição original, uma estação terrena que estiver posicionada no Brasil, dentro da região de cobertura do satélite, para poder efetuar o correto apontamento com esse satélite, deverá ter seu ângulo de azimute diminuído e o seu ângulo de elevação aumentado.
Provas
Caderno Container