Foram encontradas 150 questões.

Considerando que, na figura acima, todos os elementos de circuito sejam ideais e que I1 e I2 representem correntes de malha, julgue o item a seguir.
O circuito à direita dos terminais D e E (ou seja, sem a fonte de tensão de 30 V do circuito original) apresenta tensão equivalente de Thevenin igual a 6 V e resistência equivalente de Thevenin igual a 600 \(\Omega\) .
Provas
Considerando que, na digitalização de um sinal de áudio, seja utilizada quantização de 16 bits e frequência de amostragem de 50 kHz, e que a gravação digital resultante deva ser posteriormente processada, julgue o item subsequente.
Se, \( z = e^{- \omega t} \), então \( {H (z) = {{1 + {1\over2} z^{-1} -2z^{-2}} \over 2z^{-1} -z^{-2}}} \) é a transformada \( z \) de um filtro IIR (infinite impulse response) com a equação de
diferenças apresentada abaixo.
\( y (n) = -2y (n - 1) - y (n - 2) + x(n) + {x (n - 2) \over 2} - 2x (n - 2) \)
Provas

J. Niskier, Manual de instalações elétricas. LTC, 1.ª Ed., 2005, p. 58 (com adaptações).
Considerando a figura acima, que mostra parte da versão preliminar de uma planta elétrica predial, na qual se identificam algumas representações incorretas ou incompletas que precisam ser corrigidas ou completadas na versão final da planta, julgue o item.
Na planta mostrada, é evidente que os dois pontos de luz no teto pertencem ao circuito 1, sendo desnecessário indicar o número do circuito ao lado de cada um dos símbolos que representam esses pontos de luz.
Provas

J. Niskier, Manual de instalações elétricas. LTC, 1.ª Ed., 2005, p. 58 (com adaptações).
Considerando
a figura acima, que mostra parte da versão preliminar de uma planta
elétrica predial, na qual se identificam algumas representações
incorretas ou incompletas que precisam ser corrigidas ou completadas na
versão final da planta, julgue o item.
Considerando que os pontos de luz no teto são comandados por um interruptor de duas seções, este está incorretamente representado na planta acima: as letras a e b, que representam os pontos de luz, devem ser escritas ao lado do símbolo desse interruptor.
Provas

J. Niskier, Manual de instalações elétricas. LTC, 1.ª Ed., 2005, p. 58 (com adaptações).
Considerando
a figura acima, que mostra parte da versão preliminar de uma planta
elétrica predial, na qual se identificam algumas representações
incorretas ou incompletas que precisam ser corrigidas ou completadas na
versão final da planta, julgue o item.
No trecho de eletroduto entre um dos pontos de luz no teto e o interruptor falta a indicação de que o circuito 2 também passa por esse eletroduto para chegar até a tomada.
Provas

J. Niskier, Manual de instalações elétricas. LTC, 1.ª Ed., 2005, p. 58 (com adaptações).
Considerando a figura acima, que mostra parte da versão preliminar de uma planta elétrica predial, na qual se identificam algumas representações incorretas ou incompletas que precisam ser corrigidas ou completadas na versão final da planta, julgue o item.
De acordo com a parte mostrada da planta, o circuito 1, no ambiente representado, serve apenas para alimentar os pontos de luz no teto; contudo, há a indicação que esse circuito passa para outro ambiente, onde pode estar sendo utilizado para outros fins.
Provas

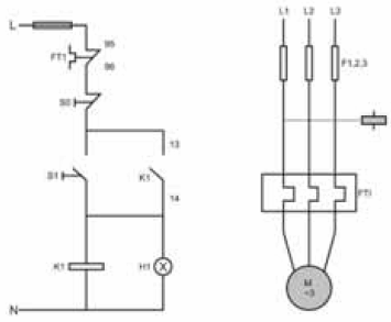
C. M. Franchi, Acionamentos elétricos. In: Érica, 2.ª Ed., 2007, p. 156. (com adaptações).
A
figura acima mostra os diagramas de comando e de força para acionamento
de um motor de indução trifásico. Neste último diagrama, os
dispositivos de acionamento e de proteção comportam-se como se formassem
uma chave de partida direta do motor, responsável pelo acionamento
direto do motor. Com base nessas informações, julgue o item a seguir, a
respeito de acionamentos elétricos.
Considere a seguinte situação.
Pressionado o botão de impulso S1, o motor partiu suavemente, a lâmpada incandescente de sinalização H1 piscou, apagando-se em seguida. O motor atingiu velocidade de regime permanente, mantendo esse estado até ser desligado. Nessa situação, é correto afirmar que durante a partida do motor ocorreu algum problema com a lâmpada, pois ela deveria ter permanecido acesa até que o motor fosse desligado.
Provas

C. M. Franchi, Acionamentos elétricos. In: Érica, 2.ª Ed., 2007, p. 156. (com adaptações).
A figura acima mostra os diagramas de comando e de força para acionamento de um motor de indução trifásico. Neste último diagrama, os dispositivos de acionamento e de proteção comportam-se como se formassem uma chave de partida direta do motor, responsável pelo acionamento direto do motor. Com base nessas informações, julgue o item a seguir, a respeito de acionamentos elétricos.
As concessionárias de energia elétrica permitem que, em instalações industriais, motores de indução trifásicos com qualquer potência sejam acionados com chave de partida direta, desde que a partida ocorra sem carga.
Provas

C. M. Franchi, Acionamentos elétricos. In: Érica, 2.ª Ed., 2007, p. 156. (com adaptações).
A
figura acima mostra os diagramas de comando e de força para acionamento
de um motor de indução trifásico. Neste último diagrama, os
dispositivos de acionamento e de proteção comportam-se como se formassem
uma chave de partida direta do motor, responsável pelo acionamento
direto do motor. Com base nessas informações, julgue o item a seguir, a
respeito de acionamentos elétricos.
O dimensionamento da chave de partida direta depende da corrente nominal do motor. Além disso, a corrente nominal do contator deve ser igual ou superior à corrente nominal do motor.
Provas

C. M. Franchi, Acionamentos elétricos. In: Érica, 2.ª Ed., 2007, p. 156. (com adaptações).
A figura acima mostra os diagramas de comando e de força para acionamento de um motor de indução trifásico. Neste último diagrama, os dispositivos de acionamento e de proteção comportam-se como se formassem uma chave de partida direta do motor, responsável pelo acionamento direto do motor. Com base nessas informações, julgue o item a seguir, a respeito de acionamentos elétricos.
Utilizando-se os componentes do circuito de comando e seguindo os procedimentos normais para acionamento e parada do motor, o desligamento do motor deve ser feito pressionando-se primeiro o botão de impulso S1 e, logo em seguida, o botão S0.
Provas
Caderno Container