Foram encontradas 2.008 questões.
A interface de potência abaixo deve ser utilizada para acionar um motor DC de 12 V/200 mA por meio de uma tensão de entrada VE = 5 V.

São dadas as especificações do transistor e do diodo:
Transistor: Diodo:
ICmáx = 1 A IFmáx = 1 A
BVCEO = 45 V VRmáx = 400 V
hFEsat = 50
VBEsat = 0,7 V
VCEsat = 0,2 V
O valor nominal do resistor RB que atende às especificações do projeto é
Provas
A expressão lógica \(S= \overline {(\overline X \cdot Y+ Z \cdot W)}+X \cdot \overline W+ \overline Z\) pode ser simplificada como
Provas
Um motor CC com ligação do campo independente possui tensão nominal de 250 V e corrente nominal de 20 A. A resistência da armadura é 2,0 \(\Omega\). Sob tensão nominal e em vazio a velocidade é 1500 rpm. Não se considerando os efeitos da reação do induzido, a velocidade em condições nominais, em rpm, é aproximadamente,
Provas
Tem-se um circuito trifásico simétrico e equilibrado composto de um gerador em estrela com tensão de fase
1 = 100
00 V (rms) e seqüência de fase positiva e uma carga reativa em triângulo em que cada impedância vale
= (9 - j12)\(\Omega\). Os módulos da tensão e da corrente eficazes de linha valem, respectivamente,
Provas

A impedância complexa equivalente, em ohms, do circuito na freqüência de 500/\(\pi\) Hz vale
Provas
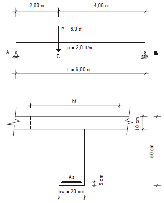
Atenção: Para responder à questão, considere as figuras abaixo.
Dados:
L = comprimento do vão = 6,00 m
b = distância entre faces de vigas = 4,00 m

Admitindo que o valor máximo da força cortante é de 12,0 tf, a tensão de cálculo (cisalhamento), em Kgf/cm2, é de aproximadamente:
Provas
Atenção: Para responder à questão, considere as figuras abaixo.
Dados:
L = comprimento do vão = 6,00 m
b = distância entre faces de vigas = 4,00 m

A força cortante passa por zero no ponto:
Provas
Atenção: Para responder à questão, considere as figuras abaixo.
Dados:
L = comprimento do vão = 6,00 m
b = distância entre faces de vigas = 4,00 m

O ponto de momento máximo está a uma distância, em m, do apoio A igual a:
Provas
Dados:
L = comprimento do vão = 6,00 m
b = distância entre faces de vigas = 4,00 m

O momento fletor e força cortante máximas, em tfm e tf, são, respectivamente:
Provas
Dados:
L = comprimento do vão = 6,00 m
b = distância entre faces de vigas = 4,00 m

As reações verticais nos apoios A e B, em tf, são, respectivamente:
Provas
Caderno Container